Коррозионностойкая пластиковая жилищная единица фланца опорного подшипника скольжения подушки
Блоки подушки нога установили блоки которые использованы для того чтобы обеспечить поддержку вала когда устанавливая поверхность параллельна к оси вала. Устанавливая отверстия прорезаны для легкости регулировки установки. Пластиковые блоки подушки сделаны из стекла промышленной марки заполнили полиэстер PBT и совершенно заменимы с обычными блоками литого железа. Эти безуходные блоки имеют превосходные механические прочность, жесткость и сохранность формы, и никогда ржавеют или вытравливают. Блоки подушки полимера в настоящее время используются в много индустрий включая пищевую промышленность, разливающ по бутылкам и машина упаковки, химикат обрабатывая, и бассейн и морской применение. Блоки подушки MOUETTE можно купить с разнообразие подшипниками вставки к самому лучшему костюму ваше специфическое применение.
Материалы доступные:
· 304 нержавеющих гонки шарикоподшипников вставки 304 нержавеющих, и шарика.
· 420 нержавеющего гонок шарикоподшипника вставки 420 нержавеющих, и шариков.
· 440 нержавеющего гонок шарикоподшипника вставки 440 нержавеющих, и шариков
Эти не требующие ухода пластиковые блоки подушки имеют превосходные механические прочность, жесткость, и сохранность формы и никогда ржавеют или вытравливают. Введенный с нержавеющим шарикоподшипником вставки, они обеспечивают главную коррозионную устойчивость сравненную к любому установленному блоку предложили сегодня.
Главные программы:
MOUETTE предлагает больше опорных подшипников скольжения подушки нержавеющей стали взаимообмена и пластиковые блоки подушки, как опорные подшипники скольжения подушки skf, timken опорные подшипники скольжения подушки, опорные подшипники скольжения подушки ntn, опорные подшипники скольжения подушки fafnir, опорные подшипники скольжения подушки сигареты.
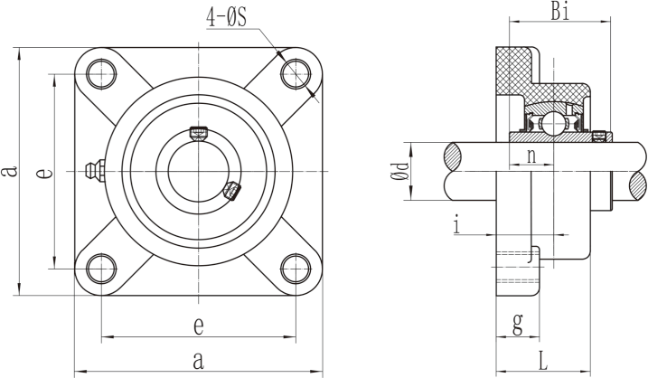
Коррозионностойкие пластиковые спецификации жилищной единицы фланца опорного подшипника скольжения подушки:
|
Номер детали блока азимута. |
Dia скважины | Размер (mm) |
Носить номер детали. |
Расквартировывать номер детали. |
||||||||
| d | a | e | g |
L |
S |
I |
Bi |
n | ||||
| в | mm | |||||||||||
| SS-UCFPL 201 | 1/ 2 | 12 | 86 | 63,5 | 13,4 | 27,8 | 11 | 18 | 31 | 12,7 | 0,12 | M10 |
| SS-UCFPL 202 | 9/16 5/8 | 15 | 86 | 63,5 | 13,4 | 27,8 | 11 | 18 | 31 | 12,7 | 0,12 | M10 |
| SS-UCFPL 203 | 11/16 | 17 | 86 | 63,5 | 13,4 | 27,8 | 11 | 18 | 31 | 12,7 | 0,12 | M10 |
| SS-UCFPL 204 | 3/ 4 | 20 | 86 | 63,5 | 13,4 | 27,8 | 11 | 18 | 31 | 12,7 | 0,12 | M10 |
| SS-UCFPL 205 | 13/16 7/8 15/16 1 | 25 | 95 | 70 | 14,5 | 28 | 11 | 17 | 34,1 | 14,3 | 0,15 | M10 |
| SS-UCFPL 206 | 1-1/16 1-1/8 1-3/16 1-1/4 | 30 | 107 | 83 | 14,5 | 31,5 | 11 | 19,2 | 38,1 | 15,9 | 0,18 | M10 |
| SS-UCFPL 207 | 1-1/4 1-5/16 1-3/8 1-7/16 | 35 | 117 | 92 | 16 | 34,8 | 13 | 21,5 | 42,9 | 17,5 | 0,26 | M12 |
| SS-UCFPL 208 | 1-1/2 1-9/16 | 40 | 129 | 102 | 17 | 36,5 | 14 | 23 | 49,2 | 19 | 0,33 | M12 |
| SS-UCFPL 209 | 1-5/8 1-11/16 1-3/4 | 45 | 137 | 105 | 19 | 41 | 17 | 24 | 49,2 | 19 | 0,42 | M16 |
| SS-UCFPL 210 | 1-13/16 1-7/8 1-15/16 2 | 50 | 143 | 111 | 20 | 42 | 17 | 25 | 51,6 | 19 | 0,51 | M16 |
| SS-UCFPL 211 | 2 2-1/16 2-1/8 2-3/16 | 55 | 162 | 130 | 19,5 | 43 | 19 | 25 | 55,6 | 22,2 | 0,61 | M18 |
| SS-UCFPL 212 | 2-1/4 2-5/16 2-3/8 2-7/16 | 60 | 175 | 143 | 19 | 48 | 19 | 29 | 65,1 | 25,4 | 0,72 | M18 |
|
Режим нагрузки |
Оценки нагрузки (n) |
||||||
| Тип Tipo | 204 | 205 | 206 | 207 | 208 | 209 | 210 |
|
|
15950 |
13000 |
18000 |
18500 |
19100 |
19350 |
19650 |
|
|
10250 |
12150 |
17700 |
18500 |
19250 |
19350 |
19620 |
|
|
3650 |
3350 |
3350 |
3520 |
3790 |
3850 |
3990 |




