Термопластиковые подшипники SS UCFLPL204 вставки нержавеющей стали опорного подшипника скольжения подушки фланца
Блоки подушки нога установили блоки которые использованы для того чтобы обеспечить поддержку вала когда устанавливая поверхность параллельна к оси вала. Устанавливая отверстия прорезаны для легкости регулировки установки. Пластиковые блоки подушки сделаны из стекла промышленной марки заполнили полиэстер PBT и совершенно заменимы с обычными блоками литого железа. Эти безуходные блоки имеют превосходные механические прочность, жесткость и сохранность формы, и никогда ржавеют или вытравливают. Блоки подушки полимера в настоящее время используются в много индустрий включая пищевую промышленность, разливающ по бутылкам и машина упаковки, химикат обрабатывая, и бассейн и морской применение. Блоки подушки MOUETTE можно купить с разнообразие подшипниками вставки к самому лучшему костюму ваше специфическое применение.
Отсутствие плакировка или покрытие, который нужно отколоть или слезть
Покрытые или покрытые снабжения жилищем литого железа могут поцарапать, отколоть и слезть. На самом деле, очень поступок установки их причиняет финиш извлечься вокруг краев отверстий для болтов начиная процесс корозии. Снабжения жилищем MOUETTE полимер твердого основания наполненный стекл PBT который не требует никаких покрытий для защиты от коррозии.
Конструированный для чистоты
Поверхность полимера гораздо более гигиеническая чем литое железо. Грубая поверхность литого железа может затаить грязь, прессформу и бактерии objectional. Дополнительно, устанавливая поверхность, или дно блока, подвергаются механической обработке для плоскостности так, что грязь и вода не приведут к образованию прессформы или бактерий.
Материалы доступные:
· 304 нержавеющих гонки шарикоподшипников вставки 304 нержавеющих, и шарика.
· 420 нержавеющего гонок шарикоподшипника вставки 420 нержавеющих, и шариков.
· 440 нержавеющего гонок шарикоподшипника вставки 440 нержавеющих, и шариков
Эти не требующие ухода пластиковые блоки подушки имеют превосходные механические прочность, жесткость, и сохранность формы и никогда ржавеют или вытравливают. Введенный с нержавеющим шарикоподшипником вставки, они обеспечивают главную коррозионную устойчивость сравненную к любому установленному блоку предложили сегодня.
Применения:
Подшипник использован особенно в пищевой промышленности так же, как в фармацевтической промышленности.
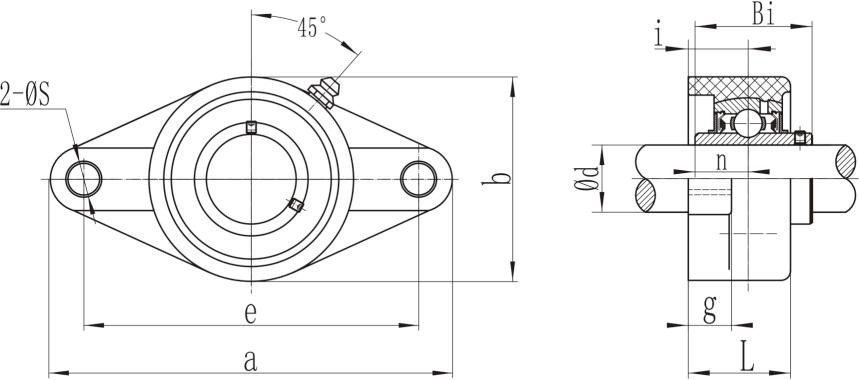
Термопластиковые размеры подшипников вставки нержавеющей стали опорного подшипника скольжения подушки фланца:
|
Номер детали блока азимута. |
Dia скважины | Размер (mm) |
Вес снабжения жилищем (kg) |
Размер болта |
|||||||||
| d | a | e |
b |
g |
l |
s |
I |
Bi |
n | ||||
| в | mm | ||||||||||||
| SS-UCFLPL201 | 1/ 2 | 12 | 113 | 90 | 64 | 11,4 | 26,5 | 11 | 15,4 | 31 | 12,7 | 0,08 | M10 |
| SS-UCFLPL202 | 9/16 5/8 | 15 | 113 | 90 | 64 | 11,4 | 26,5 | 11 | 15,4 | 31 | 12,7 | 0,08 | M10 |
| SS-UCFLPL203 | 11/16 | 17 | 113 | 90 | 64 | 11,4 | 26,5 | 11 | 15,4 | 31 | 12,7 | 0,08 | M10 |
| SS-UCFLPL204 | 3/ 4 | 20 | 113 | 90 | 64 | 11,4 | 26,5 | 11 | 15,4 | 31 | 12,7 | 0,08 | M10 |
| SS-UCFLPL205 | 13/16 7/8 15/16 1 | 25 | 131 | 99 | 69,5 | 14 | 29,5 | 11 | 17 | 34,1 | 14,3 | 0,10 | M10 |
| SS-UCFLPL206 | 1-1/16 1-1/8 1-3/16 1-1/4 | 30 | 148 | 117 | 80 | 14 | 30,5 | 11 | 19 | 38,1 | 15,9 | 0,13 | M10 |
| SS-UCFLPL207 | 1-1/4 1-5/16 1-3/8 1-7/16 | 35 | 164 | 130 | 90 | 16 | 32,8 | 13 | 18 | 42,9 | 17,5 | 0,16 | M12 |
| SS-UCFLPL208 | 1-1/2 1-9/16 | 40 | 175 | 144 | 99 | 20 | 37,5 | 14 | 21,5 | 49,2 | 19 | 0,24 | M12 |
| SS-UCFLPL209 | 1-5/8 1-11/16 1-3/4 | 45 | 188 | 148 | 108 | 21 | 41 | 17 | 24 | 49,2 | 19 | 0,32 | M16 |
| SS-UCFLPL210 | 1-13/16 1-7/8 1-15/16 2 | 50 | 197 | 157 | 115 | 21 | 42 | 17 | 25 | 51,6 | 19 | 0,42 | M16 |
| SS-UCFLPL211 | 2 2-1/16 2-1/8 2-3/16 | 55 | 224 | 184 | 128 | 18,5 | 43 | 19 | 25 | 55,6 | 22,2 | 0,55 | M18 |
| SS-UCFLPL212 | 2-1/4 2-5/16 2-3/8 2-7/16 | 60 | 250 | 202 | 139 | 24 | 48 | 19 | 29 | 65,1 | 25,4 | 0,7 | M18 |
|
Modalita di caricamento Режим нагрузки |
Оценки нагрузки Coefficienti di carico (n) (n) |
||||||
| Тип Tipo | 204 | 205 | 206 | 207 | 208 | 209 | 210 |
|
|
11750 |
11375 |
16450 |
16900 |
17350 |
17600 |
17950 |
|
|
11000 |
13850 |
13350 |
13950 |
14050 |
14300 |
14550 |
|
|
8500 |
11100 |
14200 |
14900 |
15150 |
15350 |
15650 |




