Полный застекленный purlin предохранителя делающ машину, предохранение от безопасности, сертификат, формировать крена
Быстрая деталь:
Применение:
Purlin c и z стальной необходим для современных стальных промышленных зданий, и некоторого жилого дома также, и различные виды крена purlin c/z формируя машины были начаты для произведения purlin C/Z/U стального.
В рынках крен purlin c формируя машины для продукции каналов c стальных секционных, внизу дизайн машины классический дизайн для столба пробивая, дизайн вырезывания столба.
Эта машина мы продали к Италии перед, полностью полная блокировка крышки сетки предохранителя, и ответ безопасности включил для того чтобы соответствовать сертификату CE, он может быть сделан TUV или SGS.
Список машины:
Описание/технические детали параметра полной строки:
использующий энергию ООН; Capacity= MAX.5Ton нагрузки
Гидравлическая система для того чтобы расширить отверстие катушки внутреннее, мотор насоса: 3KW
Катушка inner-diameter=510+/-30mm
Катушка Width= MAX.600mm
Вращение дорна: Тип проекта
На уровне Пре прибор с 4 над 3 валами для того чтобы извлечь Катушк-набор
Делите такой же мотор с креном бывшим
| Соответствующий крен формируя материал | Лист цвета стальной или гальванизированный стальной лист |
| Толщина | 1.5-3.0mm |
| Дизайн рамки экипажа | типа стен плит рамк |
| Прокатные станы формируя этапы | 15 этапов |
| Материал формировать ролик | Cr12, термическая обработка |
| Диаметр валов | Φ75mm |
| Сила главного мотора | 18.5Kw |
| Скорость продукции | 12m/min |
| Гидравлическая сила группы | 11Kw |
| Материал лезвия вырезывания | Cr12, термическая обработка |
| Стандарт электрического напряжения тока | 380V/50Hz/3PH или как запрос |
| Главный покрашенный цвет машины | RAL 5015 (синь) или как запрос |
Контролируйте количество & длину вырезывания автоматически
Совмещенный с: PLC бренда Сименс и экран касания
Кодировщик инвертора, Omron бренда Schneider, etc
Обрабатыванное изделие на определенную длину tolerance≤±1mm
Управляющее напряжение 24V
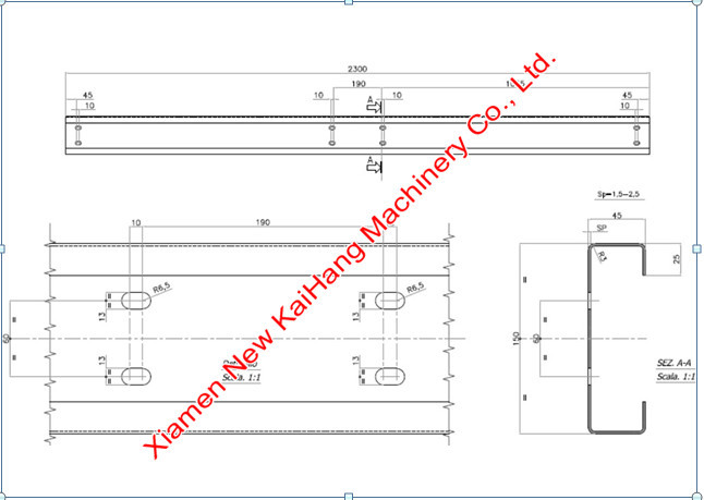
Изображения ссылки чертежа/плана/оборудования профиля:

