Крен раздела Zed формируя машину, крен бывший, для классического дизайна, мульти- размеры purlin z
Быстрая деталь:
Применение:
Сравненный к традиционным purlins, стальные purlins имеют настолько много преимуществ, они светлы, легки для того чтобы установить, и recyclable для других зданий etc. поэтому, по мере того как мы можем увидеть, в современные стальные промышленные здания или prefab проектированные здания, люди всегда используют purlins c, purlins z и когда-то purlins u без укреплений фланца также.
Если там, то никакие отверстия фланца не требовали, тогда машина может принять к пост-пробивать, дизайн пост-вырезывания
Как крен purlin c формируя машину, формирователь крена purlin z стальной также конструирован для произведения каналов раздела различных размеров, но изменение для того чтобы сделать различный purlin размера z ручное. Клиентам нужно вручную изменить прокладки установленные между свертывая инструментами, так же, как плашки вырезывания.
Список машины:
Описание/технические детали параметра полной строки:
Вы можете принять к:
Ручной де-койлер
Гидравлический ООН-койлер
Гидравлический & управляемый де-койлер
На уровне Пре прибор с 4 над 3 валами для того чтобы извлечь Катушк-набор
Делите такой же мотор с креном бывшим
| Соответствующий крен формируя материал | Лист цвета стальной или гальванизированный стальной лист |
| Толщина | 1.5-3.0mm |
| Дизайн рамки экипажа | типа стен плит рамк |
| Прокатные станы формируя этапы | 13 этапа |
| Материал формировать ролик | Cr12, термическая обработка |
| Диаметр валов | Φ75mm |
| Сила главного мотора | 15Kw*2 |
| Скорость продукции | 12m/min |
| Гидравлическая сила группы | 11Kw |
| Материал лезвия вырезывания | Cr12, термическая обработка |
| Стандарт электрического напряжения тока | 380V/50Hz/3PH или как запрос |
| Главный покрашенный цвет машины | RAL 5015 (синь) или как запрос |
Контролируйте количество & длину вырезывания автоматически
Совмещенный с: PLC бренда Сименс и экран касания
Кодировщик инвертора, Omron бренда Schneider, etc
Обрабатыванное изделие на определенную длину tolerance≤±1mm
Управляющее напряжение 24V
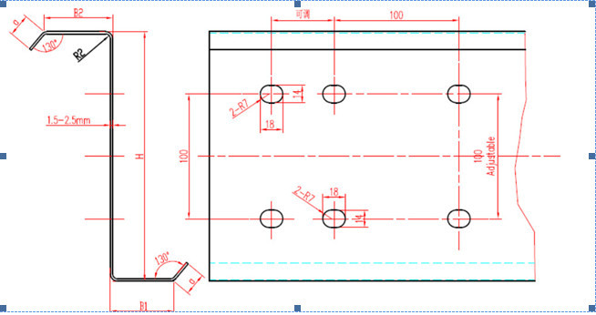
Изображения ссылки чертежа/плана/оборудования профиля:

