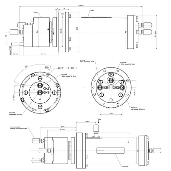
Одноканальное скользящее кольцо из 18 постоянных ГГц радиочастотного вращающегося соединения с женскими соединителями SMA
Описание
RF Коаксиальный соединитель относится к элементу, который установлен на кабеле или приборе, как передачи или разрыва линии электрических соединений.Он относится к продукту Mechanical & Electrical Integration..
Коаксиальный соединитель относится к соединению двух частей, используемых в конце вала, чтобы обеспечить центральную линию двух осей на одной оси.перемещение вращающегося движения приводной оси на приводной вал
| Спецификации | Канал 1 | Канал 2 | Канал 3 |
| Интерфейсы | SMA-f (50 Ω) | SMA-f (50 Ω) | SMA-f (50 Ω) |
| Диапазон частот | 0-3 ГГц | 0-3 ГГц | 0-3 ГГц |
| Пиковая мощность, максимум | 1 кВт* | 1 кВт* | 1 кВт* |
| Средняя мощность, максимум. | 50 Вт @ 1 ГГц | 50 Вт @ 1 ГГц | 50 Вт @ 1 ГГц |
| VSWR, максимум. | 1.3 | 2.0 | 2.0 |
| VSWR WOW, максимум. | 0.05 | 0.2 | 0.2 |
| Потеря вставки, максимум. | 00,4 дБ | 00,7 дБ | 00,4 дБ |
| Потеря вставки, максимум. | 0.1 дБ | 0.2 дБ | 0.2 Дб |
| Изменение фазы во время вращения, максимум. | 1 градус. | 2 градуса. | 2 градуса. |
| Изоляция, минимум. | 60 дБ (между всеми каналами) | ||
| Скорость вращения, максимум. | 60 оборотов в минуту | ||
| Начинаю крутящий момент, максимум. | 10 Нсм | ||
| Материал дела | Сплав алюминия | ||
| Материал соединителя | Сплав меди | ||
| Вес приблизительно... | 00,7 кг | ||
| Жизнь, минимум. | 10х106революции | ||
| Напряжение во время вращения, максимум. | 10Ncm | ||
| Окончание поверхности корпуса | Покрытие для преобразования хромата согласно MIL-C-5541 | ||
| Окончание поверхности соединителя | Покрытые золотом | ||
| Маркировка | Клейкая этикетка | ||
| Диапазон температуры работы | -30°C до +70°C | ||
| Операция "Влажность" | 95% RH (неконденсирующий) | ||
| Уровень защиты операционной интеллектуальной собственности | IP 56 согласно EN 60529 | ||
| Диапазон температуры хранения | -40°C до +70°C | ||
| Влажность хранилища | 95% RH (неконденсирующий) | ||
Очертание контуры

