Компактный скользящий кольцо из волоконного оптического вращающегося соединения с высокой скоростью передачи Профессиональный производитель скользящего кольца
Описание
Гибридный вращающийся соединение будет спроектировано для самых требовательных требований и протестировано для этих прочных условий и превосходных оптических характеристик.Все материалы и компоненты были выбраны для обеспечения максимальной надежности в экстремальных условияхПроектирование этих серий имеет доказанные показатели производительности как в промышленном, так и в военном применении.Также пакет может быть сконфигурирован в соответствии с конкретными потребностями клиента.
Гибридные вращательные соединения доступны в одноканальном и многоканальном вариантах. Наиболее экономичными и эффективными по размеру вариантами являются одноканальный и двуканальный дизайн. Если в системе присутствует более двух волокон, то они могут быть использованы в качестве проволоки.,имеются решения мультиплексирования для объединения нескольких каналов на одном или двух волокнах, позволяющих использовать один или два канала.
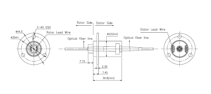
Очертание контуры

Компания выглядит
