50 ГГц радиочастотный вращающийся соединение / скользящее кольцо с высокой рабочей скоростью для системы видеонаблюдения
Описание
RF Коаксиальный соединитель относится к устройству, которое установлено на кабеле или инструменте, как передачи или разрыва линии электрических соединений.Он относится к продукту Mechanical & Electrical Integration..
Сдвижные кольца могут использоваться в любой электромеханической системе, которая требует неограниченного непрерывного вращения при передаче мощности или данных из стационарной в вращающуюся структуру.
Компактные сдвижные кольца идеально подходят для видео и цифровых сигналов.
Импортированный материал, подшипник без смазочных материалов, высокая износостойкость, длительный срок службы, пожизненное бесплатное обслуживание;
| Спецификации | |||
| Тип интерфейса | 2.4 мм Женщина (50 Омм) | Стиль | Я печатаю |
| Диапазон частот | Прямой до 50 ГГц | Фаза WOW (максимальная степень) |
1°@DC до 26,5 ГГц 2°@DC до 26,5 ГГц |
| VSWR, MAX |
1.3 @ DC до 10 ГГц 1.4 @ 10-18 ГГц 1.7@26.5 до 50 ГГц |
Потеря вставки, максимум |
0.3dB @ DC до 10 ГГц 00,5 дБ @ 10-26,5 ГГц 00,9 дБ @ 26,5 до 50 ГГц |
| VSWR WOW |
0.05@DC до 26,5 ГГц 0.2@26.5 |
Потеря вставки, WOW | 00,05 дБ |
| Максимальная мощность | 1000 кВт |
Средняя мощность, максимум.
|
50 Вт @ 1 ГГц 15 Вт @ 10 ГГц 5 Вт @ 26,5 ГГц 3 Вт @ 50 ГГц |
| Скорость вращения, максимум | 500 оборотов в минуту | Время жизни, минутка | 10 миллионов революций |
|
Температура (Окружающий диапазон) |
-55 до +85 °C (операция) |
Влажность (неконденсирующийся), максимум |
85% (операция) |
| -55 до +85 °C (хранение) | 95% (хранение) | ||
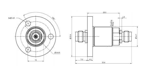
Очертание контуры

Изображение приложения
