соединение 3-Channel RF роторное с вращая скоростью 60RPM & частотой до 3 GHz для управляемых на расстоянии кораблей
Описание
Кольцо выскальзывания также вызвано роторным электрическим интерфейсом, сборником, шарнирным соединением или роторным соединением. Кольцо выскальзывания можно использовать в любой электро-механической системе которая требует безудержного, непрерывного вращения пока передающ силу и/или данные от неподвижной детали вращающей части. Кольцо выскальзывания может улучшить системную производительность путем упрощать деятельность и исключать повреждени-прональные провода создавая программу-оболочку от двигая соединений.
Серия LPHF отличает контактами драгоценного металла на роторном интерфейсе. Технология щетки волокна предлагает несколько преимуществ над обычными контактами кольца выскальзывания включая несколько точек контакта в пачку щетки, низкой силы контакта в волокно и низких тарифов носки контакта. К тому же, щетки волокна не требуют смазки и не производят виртуально никакую носку. Она специально конструирована для высокочастотной передачи сигнала, с частотой до 50GHz.
Подводящие провода летая на вращая терминалах стороны и припоя на стороне статора выполнить электрические соединения. Шарикоподшипники точности и запатентованный дизайн щетки волокна позволяют деятельности до 10 000 rpm без охлаждая оборудования.
Особенности
Спецификации
| Спецификации | Канал 1 | Канал 2 | Канал 3 |
| Интерфейсы | SMA-f (50 Ω) | SMA-f (50 Ω) | SMA-f (50 Ω) |
| Диапазон изменения частот | 0~3 GHz | 0~3 GHz | 0~3 GHz |
| Пиковая сила, максимальная | 1 kW* | 1 kW* | 1 kW* |
| Средняя мощность, максимальная. | 50 w @ 1 GHz | 50 w @ 1 GHz | 50 w @ 1 GHz |
| VSWR, максимальное. | 1,3 | 2,0 | 2,0 |
| VSWR ВАУ, максимальный. | 0,05 | 0,2 | 0,2 |
| Вносимая потеря, максимальная. | 0.4dB | 0.7dB | 0.4dB |
| Вносимая потеря ВАУ, максимальный. | 0.1dB | 0.2dB | 0.2Db |
| Изменение участка во время вращения, максимального. | 1 deg. | 2 deg. | 2 deg. |
| Изоляция, MIN. | dB 60 (между всеми каналами) | ||
| Вращая скорость, максимальная. | 60 RPM | ||
| Начало вращающего момента, максимального. | 10 Ncm | ||
| Материал случая | Алюминиевый сплав | ||
| Материал соединителя | Медный сплав | ||
| Вес приблизительно. | 0.7kg | ||
| Жизнь, MIN. | революции 10×106 | ||
| Вращающий момент во время вращения, максимального. | 10Ncm | ||
| Финиш случая поверхностный | Пальто преобразования хромата в MIL-C-5541 | ||
| Финиш соединителя поверхностный | Покрытое золото | ||
| Маркировка | Слипчивый ярлык | ||
| Диапазон температур деятельности | -30℃ к +70℃ | ||
| Влажность деятельности | RH 95% (не-конденсировать) | ||
| Уровень предохранения от IP деятельности | IP 56 согласно с EN 60529 | ||
| Диапазон температур хранения | -40℃ к +70℃ | ||
| Влажность хранения | RH 95% (не-конденсировать) | ||
Условия:
Главные программы
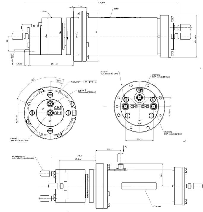
Чертеж плана

Изображение применения (управляемые на расстоянии корабли)

Шоу компании








Введение компании
JINPAT имеет многолетний опыт 20 в производстве КОЛЬЦА SLIP. Наша фабрика покрывает зону 7000 квадратных метров с профессиональной командой НИОКР, предварительным производственным оборудованием, и 300 умелыми работниками. Кольцо выскальзывания JINPAT один из самых знаменитых брендов в Европе и Северной Америке.
Оно выдвигало техническое оборудование с аппаратурами теста высокой точности. Наша сила человека настолько сведуща что мы отвечаем потребностямы различных клиентов с различными спецификациями в стойкости и надежном качестве.