10.1" 1024x600 IPS PCAP Капацитивный сенсорный экран TFT LCD Поддержка HDMI-коннектор Введение продукта
SFHD010H06-1024600A-CT представляет собой 10,1-дюймовый высокояркий IPS TFT дисплей с разрешением 1024x600 пикселей.WF101JSYFHLHBV имеет печатную плату с разъемом HDMI, который поддерживает интерфейс HDMI-сигнала (только для DVI) и имеет 40-контактный разъем GPIO, предназначенный для упрощения использования Raspberry Pi. SFHD010H06-1024600A-CT принята IPS панель, которая имеет более широкий угол обзора левый: 85 / правый: 85 / вверх: 85 / вниз: 85 градусов (типичное значение).Эта модель TFT встроена с управляющими ИС EK79001HN и EK73215BCGA, высокая яркость 950 нит (типичное значение).и одноприкосновными или многоприкосновными (по желанию) точками обнаружения.
Напряжение питания для LCM (VDD) FHD010H06-1024600A-CT составляет 4,7 ~ 5,3V, типичное значение 5V, ослепительное поверхность стекла, соотношение сторон 16:9, соотношение контраста 800: 1 (типичное значение). он может работать при температуре от -20°C до +70°C и температуре хранения от -30°C до +80°C.
Особенности
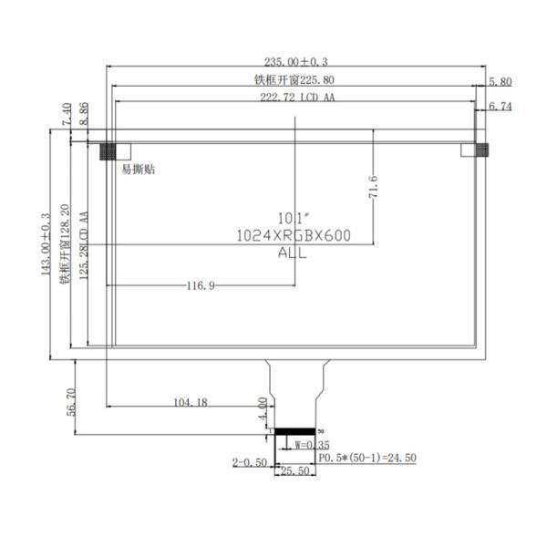
110,1 дюймовый IPS экран, аппаратное разрешение 1024*600 точек.
210.1-дюймовый HDMI TFT LCD имеет емкостный 5-точечный сенсорный контроллер.
3. Капацитивная сенсорная панель из закаленного стекла, твердость >= 6H.
4Поддержка Pi 4B/3B+/3A+/3B/2B/B+/A+, CM3/3+/4 требует дополнительного адаптера DSI-Cable-15cm.
5. Запускайте ЖК-дисплей прямо через интерфейс Raspberry Pi с частотой обновления до 60 Гц.
6При использовании с Raspberry Pi поддерживаются Raspberry Pi OS / Ubuntu / Kali и Retropie, без диска.
7Поддержка управления яркостью подсветки с помощью программного обеспечения.
| Ключевые слова: | 10.1 дюймовый HDMI TFT дисплей |
| Решение: | 1024*600 пикселей |
| Светимость поверхности: | 300 Cd/m2 - 1000 Cd/m2 |
| Поддержка: | HDMI1.3HDMI1.4HDCP1.4HDCP2.2 |
| Совместима с: | Raspberry Pi, BB Black, Банановый Пи |
| Интерфейс CTP: | USB к IIC |
| Прикосновение к экрану | CTP ((Капацитивный сенсорный экран) |
| Продолжительность жизни светодиода: | 40000 часов |
| Рабочая температура: | от 20°C до +70°C |
| Соответствие: | Соответствует требованиям REACH & RoHS |
10.1" 1024x600 IPS PCAP Капацитивный сенсорный экран TFT LCD Поддержка HDMI-коннектор Рисунок продукта



10.1" 1024x600 IPS PCAP Капацитивный сенсорный экран TFT LCD Поддержка HDMI-коннектор Изображение продукта



Производственные мощности и сертификаты


Технология SAEF Мини / Малый HDMI сигнал TFT LCD дисплейная панель
SAEF выпущен для HDMI-сигнала Дисплеи предназначены для работы с Raspberry Pi или встроенной системой, компьютерами с одной платой (или настольными / ноутбуками), которые поддерживают выход сигнала HDMI.Эти серии дисплейных модулей поставляются с панелью управления с выходом интерфейса сигнала HDMISAEF предлагает широкий ассортимент небольших и средних размеров HDMI TFT дисплейных модулей в размерах, таких как 1,28 дюймовый HDMI TFT Round Display,2,8 дюйма HDMI TFT круглый дисплей, 3,4 дюйма HDMI TFT дисплей, 3,6 дюйма HDMI TFT круглый дисплей, 5 дюймов HDMI TFT круглый дисплей, 4,3 дюйма HDMI TFT дисплей, 5 дюймов HDMI TFT дисплей,7-дюймовый HDMI TFT дисплей10,1 дюйма HDMI TFT дисплей, 11,6 дюйма HDMI TFT дисплей, 12,3 дюйма HDMI TFT дисплей, 13,3 дюйма HDMI TFT дисплей, 14 дюймов HDMI TFT дисплей, 15 дюймов HDMI TFT дисплей, 15,6 дюймов HDMI TFT дисплей,17-дюймовый HDMI TFT дисплей, 18,5-дюймовый HDMI TFT дисплей, 21,5-дюймовый HDMI TFT дисплей, 23,8-дюймовый HDMI TFT дисплей, 24-дюймовый HDMI TFT дисплей, 25-дюймовый HDMI TFT дисплей, 27-дюймовый HDMI TFT дисплей и 28-дюймовый HDMI TFT дисплей.Эти дисплеи представлены ниже преимущества:
> Разработан для того, чтобы использование Raspberry Pi стало легким (поддержка использования Rasberry Pi)
> Поддержка выхода сигнала HDMI
> Хорошая сенсорная реакция
> Быстрое время отклика
> Поддержка Raspberry Pi GPIO
> Поддержка мини-ПК, он может работать как компьютерный монитор
> Поддержка RTP с интерфейсом USB
> Поддержка опции PCAP
> Доступна опция без сенсорной панели
Свяжитесь с нами
Мы рады услышать о ваших проектах, если у вас есть какие-либо вопросы, вы можете связаться с нами на sales2@saef.com.cn
Ключевые слова поиска: 10,1" tft display, 10,1 дюймовый tft display, tft display 10.1, tft дисплей 10,1", 10,1" tft, Raspberry Pi 10,1 дюйма, HDMI дисплей 10,1", HDMI IPS дисплей 10,1"