SF-TC122B-8175A-N Спецификация.pdf
1.22 дюймовый круглый ЖК-дисплей, Круговой ТФТ-дисплей 1.22"
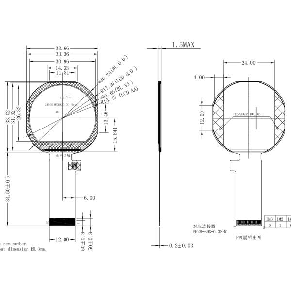
SF-TC122B-8175A-Nэто 1,22 дюймовый диагональ 240x204 полный цвет круглый TFT ЖК-дисплейЭто отображение.поддерживает интерфейс SPI, широко используемый для носимых устройств, круглых дисплеев, MP3-плееров, портативных устройств и т. Д.Для легкого подключения к хозяину FFC/FPC соединяется с легкодоступными ZIF-сокетами.
SF-TC122B-8175A-Nявляется круговым режимом TFT-LCD с яркостью 200 нит (типичное значение). он может работать при температуре от -20°C до +70°C, его температура хранения колеблется от -30°C до +80°C.Как 1,22 дюйма круглый TFT дисплей модуль широко используется в различных приложениях, мы настраиваем SPI MCU RGB интерфейс с разной длиной хвоста. чертежи, как ниже для вашей подробной проверки.
| Продукт: | 1.22 дюймовый Круглый (Круглый) TFT дисплей | Прикосновение к экрану | Без прикосновения (с CTP необязательно) |
|---|---|---|---|
| Решение: | 240*204 точки | Размер стекла крышки: | Настраиваемый |
| Направление просмотра: | IPS (все углы обзора) | Интерфейс: | ППИ |
| Номер пин-кода: | 13 штифтов | Размер контуры: | 330,66 х 33,02 х 1,5 мм |
| Подключение: | ZIF | Светимость поверхности: | 200 Cd/m2 ((нитов) |
| Продолжительность жизни светодиода: | 40000 часов | Соответствие: | Соответствует требованиям REACH & RoHS |
1.22 дюймовый круглый ЖК-дисплей, Круговой ТФТ-дисплей 1.22" Рисунок

Что касается вышеприведенного чертежа, номер части которого SF-TC122B-8532A-N, он поддерживает интерфейс SPI.

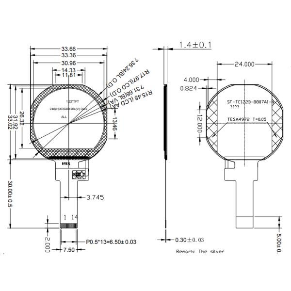
что касается рисунка выше, номер части которого SF-TC122B-8807A1-N, он поддерживает интерфейс SPI.

как показано на рисунке выше, номер части которого SF-TC122B-8266-N, он поддерживает интерфейс MCU.
что касается выше рисунка, чья часть номер SF-TC122B-8811A-N, он поддерживает RGB интерфейс.
1.22 дюймовый круглый ЖК-дисплей, Кругообразный ТФТ-дисплей 1.22" Изображение реального продукта




SF-TC122B-8175A-N был разработан с емкостным сенсорным экраном, 1,22 дюйма TFT с ctp, его номер части SF-TC122B-8175A-CT.
Описание ПИН-кода
Технические параметры
Аналогичный продукт для вашего дизайна
| Подробная информация | Наше местонахождение |
| различный FPC хвост, SPI интерфейс | SF-TC122B-8532A-N |
| различный FPC хвост, SPI интерфейс | SF-TC122B-8807A1-N |
| различный FPC хвост, интерфейс MUC | SF-TC122B-8266-N |
| различный FPC хвост, RGB интерфейс | SF-TC122B-8811A-N |
| 1.22 дюйма | с версией CTP, интерфейсом SPI | |
ФАБРИКА И УСОБОДЫ











Контакт
Добро пожаловать для запроса через ck@saef.com.cn