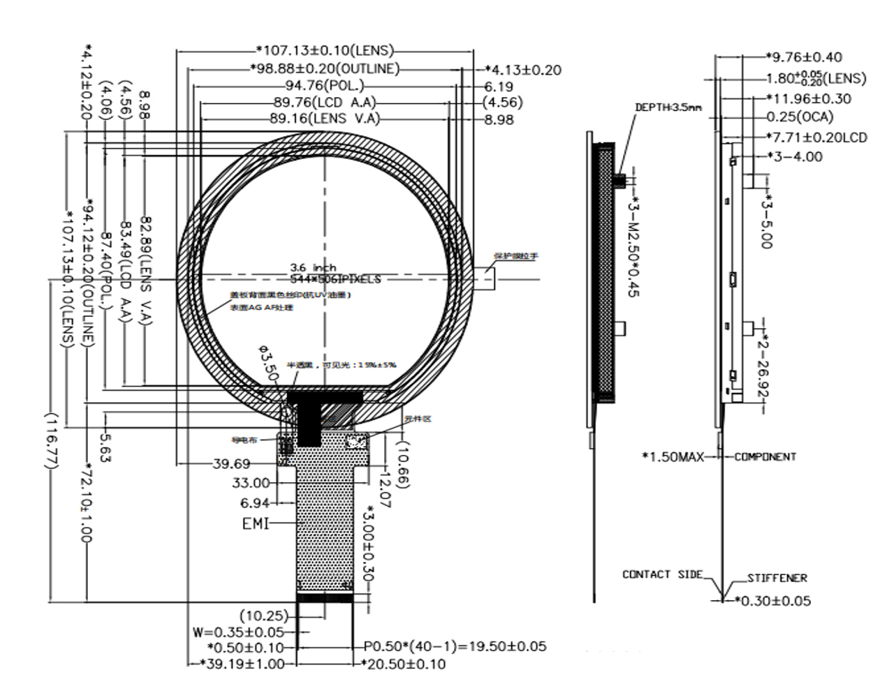
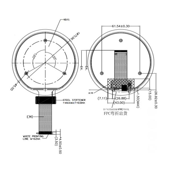
Автомобильный 3,6-дюймовый круговой TFT LCD дисплейный модуль
Круговые экраны IPS LCD, как новая технология отображения, постепенно привлекали внимание пользователей благодаря своим уникальным преимуществам и широким сценариям применения.Закругленный угол делает края экрана более гладкими и визуальный эффект более комфортнымВ то же время, эта конструкция также делает экран более эргономичным и удобным в использовании.и также улучшить визуальный опыт пользователяПреимущество круглого IPS LCD экрана заключается в низком энергопотреблении, что означает, что он генерирует меньше тепла во время работы и не требует больших теплоотводов.тем самым сокращение энергетических потерь и загрязнения окружающей среды.
TS8036WV001-T - это 3,6-дюймовый TFT-модуль с IPS-технологией разрешения 544x506. Этот круглый TFT-LCD оснащен IC ST72566 и поддерживает RGB 24-битный интерфейс.Оснащен 5-точечным сенсорным экраном PCAP, поддерживающим интерфейс I2CЕго многоприкосновённость и отличная визуальная производительность делают его идеальным выбором для требовательных приложений.
- низкое входное напряжение: VDD: 2,7 ~ 3,6 В;
Цвета дисплея TFT LCD: 16,7M цветов
- Интерфейс процессора: - RGB 24BIT
- Внутренняя схема питания.
|
Общие информационные пункты
|
Спецификация | Единица |
| Главная панель | ||
| Площадь отображения ((AA) | 89.76 ((H) * 83.49 ((V) (3.6 дюйма) | мм |
| Элемент драйвера | a-Si TFT активная матрица | - |
| Показывать цвета | 16.7M | цвета |
| Количество пикселей | 544 ((RGB) *506 | точки |
| Расположение пикселей | Вертикальная полоса RGB | - |
| Пиксельный пич | 0.165 ((H) *0.165 ((V) | мм |
| Угол обзора | Все | в час. |
| Диск IC | СТ72566 | - |
| Устройство цветовых пикселей | Вертикальная полоса RGB | |
| Режим отображения | Трансмиссивный/обычно черный | - |
| Рабочая температура | -30+85 | °C |
| Температура хранения | -30+85 | °C |
Механическая информация
|
Положение
|
Минуточку. |
Тип. |
Макс. Макс. |
Единица |
Примечание | |
| Размер модуля | Горизонтальный ((H) | - | 107.13 | - | мм | -Нет.1 |
| Вертикальный ((V) | - | 107.13 | - | мм | -Нет.1 | |
| Глубина ((D) | - | 9.76 | - | мм | ±0.4 | |
| Вес | - | ТБД | - | g | - | |
Автомобильный 3,6-дюймовый круговой TFT LCD дисплейный модуль


Описание ПИН-кода
|
ПИН-код No. |
СИМБОЛ |
Уровень | Описание |
| 1 | LEDK | Л | Заднее освещение... |
| 2 | LEDA | H | Заднее освещение + |
| 3 | ГНД | H | мощность наземного |
| 4 | ВКК | H | питание ((2,7-3,6В) |
| 5-12 | R0-R7 | H/L | Красная шина данных |
| 13-20 | G0-G7 | H/L | Зелёная шина данных |
| 21-28 | B0-B7 | H/L | Синяя шина данных |
| 29 | ГНД | Л | мощность наземного |
| 30 | DCLK | H/L | Пиксельный сигнальный пин часов |
|
31 |
DISP | H/L | подключен к VDD в режиме обычной работы. подключен к GND, IC находится в режиме ожидания. |
| 32 | HSYNC | H/L | Горизонтальная синхронизация. |
| 33 | VSYNC | H/L | Вертикальная синхронизация. |
| 34 | DE | H/L | Сигнал включения данных |
|
35 |
AUTODL |
H/L |
Пин управления функцией OPT |
| 36 | CS | H/L | Чип выбирает входный пин |
| 37 | SCL | H/L | Серийный вход часов. |
| 38 | SDA | H/L | Пин ввода серийных данных |
| 39 | NTC1 | / | Подключить термистор |
| 40 | NTC2 | / | Подключить термистор |
Абсолютные максимальные рейтинги
|
Положение |
Символ |
Ценности |
Единица |
|
| Минуты | Макс. Макс. | |||
| Напряжение питания для логической схемы | ОВВСК | -Нет.3 | 4.6 | V |
| Напряжение питания для аналоговых схем | ВКИ | -Нет.3 | 4.6 | V |
ПРИМЕЧАНИЯ ПРЕДВЕДНОГО ПРЕДВЕДНОГО
|
Положение
|
Символ |
Ценности |
Единица |
Примечание |
||
| Минуты | Тип | Макс. Макс. | ||||
| Силовое питание | ВКК | 2.7 | 2.8 | 3.3 | V | |
| Нормальный режим Текущее потребление | Icc | - | - | 55 | mA | VCC=3,3V |
| Врата TFT на напряжении | ВГГ | 11.5 | 12 | 16 | V | |
| Врата TFT OFF напряжение | VGL | -8 | - 12 | - 12 | V | |
Характеристики блока подсветка
|
Положение
|
Символ |
Ценности |
Единица |
Примечание |
||
| Минуты | Тип | Макс. | ||||
| Напряжение переднего питания | Vf | 13.5 | - | 16 | V | |
| Прогнозное предложение Текущее | Если | - | 180 | - | mA | |
| ЛКМ-светкость | LV | 800 | 1000 | - | cd/m2 | IB=180mA |
| Однородность | / | 80 | % | - | ||
Круглый TFT LCD дисплей автомобильного класса 3,6 дюймаИзображение продукта




Производственные мощности и сертификаты

Ключевое слово поиска: круглый 3,6 дюймовый, круговой 3,6 дюймовый, круговой 3,6 дюймовый, 3-дюймовый.6, круговой 3,6-дюймовый TFT дисплей, 3,6-дюймовый круговой TFT дисплей, круговой TFT дисплей 3.6, TFT дисплей 3.6", 3.6 дюймовый круглый TFT экран, 3.6 дюймовый круглый TFT экран, круглый TFT экран 3.6Круглый ТФТ-экран 3,6 дюйма, круглый ТФТ-экран 3,6 дюйма, круглый ТФТ-экран 3,6 дюйма,3.6" круглый LCD экран, 3,6" круглый LCD экран, 3,6" круглый LCD экран, 3,6" круглый LCD экран