2 соединения полого вала прохода роторных могут совместить электропитание или сигнал передачи
Описание кольца выскальзывания 3302006 полых валов
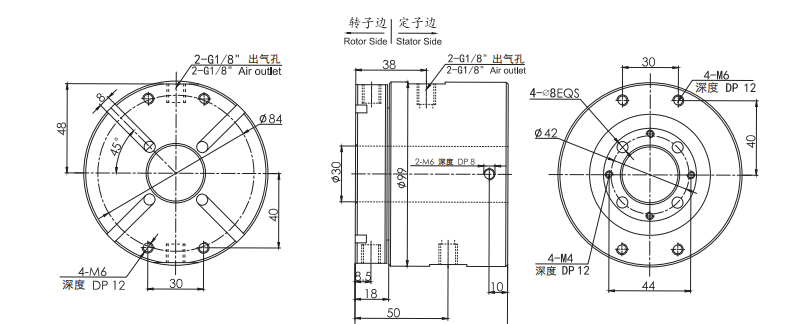
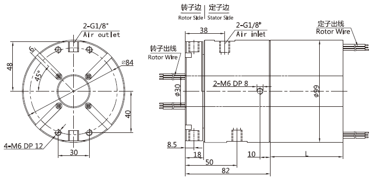
Соединения полого вала прохода SENRING 2 роторные 3302006 серий 2 во вне соединении неубедительной скважины 2 роторном, стандартном размере 30mm полого вала, другой размер полого вала можно подгонять, можно установить с механической рукой для того чтобы вращать совместно.
Технические данные кольца выскальзывания 3302006 полых валов
| Проходы (газ) | 2 прохода |
| Размер трубы | труба 6~8mm,» порт G1/8 |
| Механические данные | |
| спецификации. | данные |
| Срок пригодности | 20millions для ref (зависит от условий труда) |
| Максимальная скорость обработки | 250RPM непрерывно, 1000RPM периодически |
| Работая temp. | -30°C~80°C |
| Влажность работы | RH 0~85% |
| Контакт Materia | Драгоценный металл |
| Расквартировывать материал | алюминиевый сплав |
| Ранг IP | IP51 |
| Максимальное рабочее давение | Положительное давление 1Mpa, вакуум -90kPa | |
| вращающий момент | <0.2N.m | |
| Электрические данные | ||
| спецификации. | данные | |
| Сила | Сигнал | |
| Ряд напряжения тока | 0~440VAC/VDC | 0~440VAC/VDC |
| Сопротивление Insolution | <500MΩ/300VDC | <500MΩ/300VDC |
| Спецификации подводящего провода. | AWG17# Серебр-покрыло провод тефлона | AWG22# Серебр-покрыло провод тефлона |
| Длина подводящего провода | стандарт 250mm (смогите быть подгоняно) | |
| Сопротивление Insolution | 500VAC@50Hz, 6s | |
| Электрический шум | <0.01Ω | |
Особенности кольца выскальзывания 332006 полых валов
1. Смогите быть установлено с механической рукой для того чтобы вращать совместно;
2. Сила и сигналы поддержки передавая смешанные, как USB, HDMI, локальные сети 1000M, VGA, DVI, коаксиальный RF (высокочастотный), сигнал мотора сервопривода, промышленные кольца выскальзывания… etc автобуса;
3. 360° передает обжатый воздух, пар, вакуум, отрицательное давление, положительное давление… etc;
4. Максимальн Давление: 1Mpa (вакуум: -100kPa, более высокое давление можно подгонять);
5. » Порт поддержка 2 G1/8 для труб 6~8mm;
6. Стандартный размер 30mm полого вала.
Описание номера детали

Чертеж

Список типовой модели
| Модель | Проходы (газ) | Гаван размер | Размер трубы |
| 3302006 | 2 прохода | G1/8» | 6~8mm |

| Модель | Проходы (газ) | Гаван размер | Размер трубы | Цепи силы (10A) | Цепи сигнала (2A) | Длина l (mm) |
| 3302006-06S | 2 прохода | G1/8» | 6~8mm | 0 | 6 | 48 |
| 3302006-0610 | 2 прохода | G1/8» | 6~8mm | 6 | 0 | 48 |
| 3302006-12S | 2 прохода | G1/8» | 6~8mm | 0 | 12 | 72 |
| 3302006-0610-06S | 2 прохода | G1/8» | 6~8mm | 6 | 6 | 72 |
| 3302006-1210 | 2 прохода | G1/8» | 6~8mm | 12 | 0 | 72 |
| 3302006-0610-12S | 2 прохода | G1/8» | 6~8mm | 6 | 12 | 96 |
| 3302006-1210-06S | 2 прохода | G1/8» | 6~8mm | 12 | 6 | 96 |
| 3302006-18S | 2 прохода | G1/8» | 6~8mm | 0 | 18 | 96 |
| 3302006-1810 | 2 прохода | G1/8» | 6~8mm | 18 | 0 | 96 |
| 3302006-0610-18S | 2 прохода | G1/8» | 6~8mm | 6 | 18 | 120 |
| 3302006-24S | 2 прохода | G1/8» | 6~8mm | 0 | 24 | 120 |
| 3302006-2410 | 2 прохода | G1/8» | 6~8mm | 24 | 0 | 120 |
| 3302006-36S | 2 прохода | G1/8» | 6~8mm | 0 | 36 | 168 |
| 3302006-1210-24S | 2 прохода | G1/8» | 6~8mm | 12 | 24 | 168 |
| 3302006-3610 | 2 прохода | G1/8» | 6~8mm | 36 | 0 | 168 |
| 3302006-48S | 2 прохода | G1/8» | 6~8mm | 0 | 48 | 216 |
| 3302006-1210-36S | 2 прохода | G1/8» | 6~8mm | 12 | 36 | 216 |
| 3302006-4810 | 2 прохода | G1/8» | 6~8mm | 48 | 0 | 216 |
| 3302006-60S | 2 прохода | G1/8» | 6~8mm | 0 | 60 | 264 |
| 3302006-1210-48S | 2 прохода | G1/8» | 6~8mm | 12 | 48 | 264 |
| 3302006-72S | 2 прохода | G1/8» | 6~8mm | 0 | 72 | 312 |
| 3302006-2410-48S | 2 прохода | G1/8» | 6~8mm | 24 | 48 | 312 |
| 3302006-84S | 2 прохода | G1/8» | 6~8mm | 0 | 84 | 360 |
| 3302006-2410-60S | 2 прохода | G1/8» | 6~8mm | 20 | 60 | 360 |
| 3302006-96S | 2 прохода | G1/8» | 6~8mm | 0 | 96 | 408 |
| 3302006-108S | 2 прохода | G1/8» | 6~8mm | 0 | 108 | 456 |
| 3302006-120S | 2 прохода | G1/8» | 6~8mm | 0 | 120 | 504 |
| кольцо нет. | 1 | 2 | 3 | 4 | 5 | 6 | 7 | 8 | 9 | 10 | 11 | 12 |
| цвет | черный | коричневый | красный | апельсин | желтый | зеленый | синь | пурпурный | серый | белый | пинк | lightblue |
вопросы и ответы:
Q: Как приказать наш продукт?
: 1). Пожалуйста скажите нам модель и количество и другие запросы вам.
2). Мы делаем PI для вас.
3). После того как вы подтверждаете PI, мы аранжируем заказ для вас после получать вашу оплату.
4). После того как товары закончены, мы отправляем товары вне в вас и говорим вам отслеживая номер.
5). Мы будем отслеживать ваши товары до тех пор пока вы не получите товары.