Подгонянные трубы поддержки 6~8mm соединения размера полого вала электрические роторные
Описание кольца выскальзывания 3502006 полых валов
SenRing соединение 3502006 серий пневматическое роторное соединение двойн-канала роторное которое может повернуть 360 градусов для того чтобы передать 2 канала обжатого воздуха, пара, вакуума, и других средств массовой информации газа. Соответствующее для труб воздуха 6mm и 8mm. К тому же, это соединение 3502 серий роторное пневматическое не может только передать газ а также смешивает и передает различные электрические токи выстраивая в ряд от 2A 800A. Это роторное соединение охарактеризовано своими небольшим размером, облегченным, низким вращающим моментом, и множественными проходами газа которые не мешают друг с другом.
Технические данные кольца выскальзывания 3502006 полых валов
| Проходы (газ) | 2 прохода |
| Размер трубы | труба 6~8mm, G1/8»; Порт |
| Механические данные | |
| спецификации. | данные |
| Срок пригодности | 20millions для ref (зависит от условий труда) |
| Максимальная скорость обработки | 250RPM непрерывно, 1000RPM периодически |
| Работая temp. | -30°C~80°C |
| Влажность работы | RH 0~85% |
| Контакт Materia | Драгоценный металл |
| Расквартировывать материал | алюминиевый сплав |
| Ранг IP | IP51 |
| Максимальное рабочее давение | Положительное давление 1Mpa, вакуум -90kPa | |
| вращающий момент | <0.2N.m | |
| Электрические данные | ||
| спецификации. | данные | |
| Сила | Сигнал | |
| Ряд напряжения тока | 0~440VAC/VDC | 0~440VAC/VDC |
| Сопротивление Insolution | <500MΩ/300VDC | <500MΩ/300VDC |
| Спецификации подводящего провода. | AWG17# Серебр-покрыло провод тефлона | AWG22# Серебр-покрыло провод тефлона |
| Длина подводящего провода | стандарт 250mm (смогите быть подгоняно) | |
| Сопротивление Insolution | 500VAC@50Hz, 6s | |
| Электрический шум | <0.01Ω | |
Соединение полости 50mm пневматическое роторное прибор который позволяет обжатому воздуху или другим газам, который нужно перенести между неподвижным компонентом и вращая компонентом в пневматическом или гидравлической системой. Оно отличает неубедительным центром который учитывает вращая вал для того чтобы пройти через центр соединения пока газ или жидкость перенесены через соединение.
Роторное соединение состоит из 2 частей, неподвижной детали и вращающей части, которые соединены набором уплотнений которые предотвращают утечку газа или жидкости. Неподвижная деталь установлена к фиксированному компоненту системы, пока вращающая часть установлена к вращая компоненту. Роторное соединение конструировано для регуляции максимальных давления и расхода потока будучи перенесенным газа или жидкости.
Особенности кольца выскальзывания 3502006 полых валов
1. Максимальн Давление: 1Mpa (вакуум: -100kPa, более высокое давление можно подгонять);
2. » Порт поддержка 2 G1/8 для труб 6~8mm;
3. Стандартный размер 50mm полого вала.
4. Смогите быть установлено с механической рукой для того чтобы вращать совместно;
5. Сила и сигналы поддержки передавая смешанные, как USB, HDMI, локальные сети 1000M, VGA, DVI, коаксиальный RF (высокочастотный), сигнал мотора сервопривода, промышленные кольца выскальзывания… etc автобуса;
6. 360° передает обжатый воздух, пар, вакуум, отрицательное давление, положительное давление… etc;
Описание номера детали

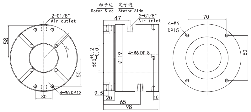
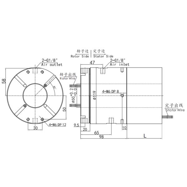
Чертеж

Список типовой модели
| Модель | Проходы (газ) | Гаван размер | Размер трубы |
| 3502006 | 2 прохода | G1/8» | 6∼8mm |

| Модель | Проходы (газ) | Гаван размер | Размер трубы | Цепи силы (10A) | Цепи сигнала (5A) | Длина l (mm) |
| 3502006-1205 | 2 прохода | G1/8» | 6∼8mm | 0 | 12 | 74 |
| 3502006-1210 | 2 прохода | G1/8» | 6∼8mm | 12 | 0 | 74 |
| 3502006-1805 | 2 прохода | G1/8» | 6∼8mm | 0 | 18 | 100 |
| 3502006-1810 | 2 прохода | G1/8» | 6∼8mm | 18 | 0 | 100 |
| 3502006-2405 | 2 прохода | G1/8» | 6∼8mm | 0 | 24 | 124 |
| 3502006-2410 | 2 прохода | G1/8» | 6∼8mm | 24 | 0 | 124 |