Описание кольца выскальзывания 31002006 полых валов
Соединение полости 100mm пневматическое роторное конструировано для регуляции максимальных давления и расхода потока будучи перенесенным газа или жидкости. Неубедительный центр учитывает вращая вал для того чтобы пройти через центр соединения, которое полезно в применениях где вращая компоненту нужно управляться мотором или другим механическим приспособлением.
Общий, соединение полости 100mm пневматическое роторное важный компонент в много промышленных применений где передача газа или жидкости необходима во вращая системе.
Соединения полого вала прохода SENRING 2 роторные 31002006 серий 2 во вне соединении неубедительной скважины 2 роторном, стандартном размере 100mm полого вала, другой размер полого вала можно подгонять, можно установить с механической рукой для того чтобы вращать совместно.
Особенности кольца выскальзывания 31002006 полых валов
1. Смогите быть установлено с механической рукой для того чтобы вращать совместно;
2. Поддержка передает смешанные силу и сигналы, как USB, HDMI, локальные сети 1000M, VGA, DVI, коаксиальный RF (высокочастотный), сигнал мотора сервопривода, промышленные кольца выскальзывания… etc автобуса;
3. 360° передают обжатый воздух, пар, вакуум, отрицательное давление, положительное давление… etc;
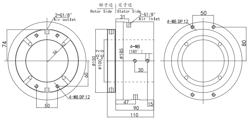
4. Максимальн Давление: 1Mpa (вакуум: -100kPa, более высокое давление можно подгонять);
5. » Порт поддержка 2 G1/8 для труб 6~8mm;
6. Стандартный размер 100mm полого вала.
Выбирая соединение полости 100mm пневматическое роторное для специфического применения, несколько факторов, который нужно рассматривать. Эти включают:
Давление и расход потока: Важно выбрать роторное соединение которое может отрегулировать максимальные давление и расход потока газа или жидкости будучи перенесенным в систему. Это обеспечит что соединение работает эффективно и эффектно.
Размер и вес: Размер и вес роторного соединения должны быть рассмотрены, что обеспечили что он приспосабливает доступный космос и может легко быть установлено к фиксированным и вращая компонентам системы.
Запечатывание: Роторное соединение должно иметь эффективное запечатывание для предотвращения газа или жидкой утечки. Используемый тип уплотнения будет зависеть от типа будучи перенесенным газа или жидкости и эксплуатационных режимов системы.
Материал: Материал использовал для того чтобы построить роторное соединение должен быть совместим с будучи перенесенным газом или жидкостью и условиями окружающей среды применения. Общие используемые материалы включают нержавеющую сталь, латунь, и алюминий.
Вращательная скорость: Вращательная скорость системы должна быть рассмотрена выбирая роторное соединение. Более высокие вращательные скорости могут требовать более специализировать и более прочного роторного соединения.
Температура: Температура будучи перенесенной газа или жидкости и экологической температуры применения должна быть рассмотрена выбирая роторное соединение. Высокие температуры могут требовать специализированных уплотнения или материала.
Описание номера детали

Чертеж

Список типовой модели
| Модель | Проходы | Гаван размер | Размер трубы | 
| 31002006 | 2 прохода | G1/8» | 6∼8mm | 
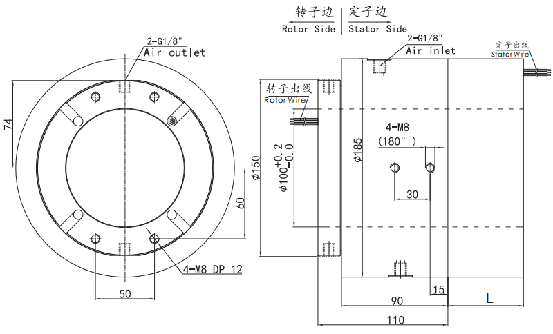
Чертеж

Список типовой модели
| Номер детали. | Проходы | Гаван размер | Размер трубы | Цепи силы (10A) | Цепи сигнала (5A) | Длина l (mm) | 
| 31002006-0605 | 2 прохода | G1/8» | 6∼8mm | 0 | 6 | 64 | 
| 31002006-0610 | 2 прохода | G1/8» | 6∼8mm | 6 | 0 | 64 | 
| 31002006-1205 | 2 прохода | G1/8» | 6∼8mm | 0 | 12 | 88 | 
| 31002006-1210 | 2 прохода | G1/8» | 6∼8mm | 12 | 0 | 88 | 
| 31002006-1805 | 2 прохода | G1/8» | 6∼8mm | 0 | 18 | 112 | 
| 31002006-1810 | 2 прохода | G1/8» | 6∼8mm | 18 | 0 | 112 | 
| 31002006-2405 | 2 прохода | G1/8» | 6∼8mm | 0 | 24 | 136 | 
| 31002006-2410 | 2 прохода | G1/8» | 6∼8mm | 24 | 0 | 136 | 
Технические данные кольца выскальзывания 31002006 серий
| Проходы (газ) | 2 прохода | 
| Размер трубы | труба 6~8mm, G1/8»; Порт | 
| Механические данные | |
| спецификации. | данные | 
| Срок пригодности | 20millions для ref (зависит от условий труда) | 
| Максимальная скорость обработки | 250RPM непрерывно, 1000RPM периодически | 
| Работая temp. | -30°C~80°C | 
| Влажность работы | RH 0~85% | 
| Контакт Materia | Драгоценный металл | 
| Расквартировывать материал | алюминиевый сплав | 
| Ранг IP | IP51 | 
| Максимальное рабочее давение | Положительное давление 1Mpa, вакуум -90kPa | |
| вращающий момент | <0.2N.m | |
| Электрические данные | ||
| спецификации. | данные | |
| Сила | Сигнал | |
| Ряд напряжения тока | 0~440VAC/VDC | 0~440VAC/VDC | 
| Сопротивление Insolution | <500MΩ/300VDC | <500MΩ/300VDC | 
| Спецификации подводящего провода. | AWG17# Серебр-покрыло провод тефлона | AWG22# Серебр-покрыло провод тефлона | 
| Длина подводящего провода | стандарт 250mm (смогите быть подгоняно) | |
| Сопротивление Insolution | 500VAC@50Hz, 6s | |
| Электрический шум | <0.01Ω | |