Электрическое роторное соединение может повернуть 360 градусов для того чтобы передать независимый обжатый воздух 4 и вакуум
Описание кольца выскальзывания 3304006 полых валов
Соединение 3304006 серий пневматическое роторное кольцо выскальзывания 30mm неубедительного двух-прохода скважины газ-электрическое которое может повернуть 360 градусов и передать 4 независимых средства массовой информации газа, как обжатый воздух, вакуум, и другие средства массовой информации газа. Оно поддерживает множественные трубы газа с диаметрами 4mm, 6mm, и 8mm. Кольцо выскальзывания 3304006 серий роторное электрическ-пневматическое не только передает средства массовой информации газа но также поддерживает смешанную передачу силы и сигнала.
Особенности кольца выскальзывания 3304006 полых валов
1. Роторное соединение доступно как в чистом газе, так и вэлектрических конфигурациях кольца выскальзывания.
2. Для газ-электрической конфигурации кольца выскальзывания, оно может поддержать смешанную передачу силы и сигнала, включая линии электропередач, сигнальные линии, локальные сети, линии управления, клапаны соленоида, и воспринимая линии, среди других.
3. Центр газ-электрического кольца выскальзывания имеет проход 30 отверстий, позволяющ ему пройти через вращая вал.
4. Роторное соединение может передать различные средства массовой информации, включая обжатый воздух, азот, химические смеси, охлажденную воду, и другие подобные газы.
Роторное соединение:
1. Чистое кольцо выскальзывания газа: Чистая конфигурация кольца выскальзывания газа конструирована для применений которые только требуют передачи средств массовой информации газа. Простое и рентабельное решение для таких применений.
2. Газ-электрическое кольцо выскальзывания: Газ-электрическая конфигурация кольца выскальзывания конструирована для применений которые требуют передачи и средств массовой информации газа и силы/сигнальных линий. Разностороннее решение которое учитывает большую гибкость в системном проектировании и интеграции.
3. Размер прохода: Центр роторного соединения имеет проход 30 отверстий, который учитывает передачу различных средств массовой информации газа и силы/сигнальных линий. Точную конфигурацию прохода можно подгонять для того чтобы соотвествовать специфическим прикладным требованиям.
4. Передача средств массовой информации газа: Роторное соединение способно на передавать различные средства массовой информации газа, включая обжатый воздух, азот, химические смеси, охлажденную воду, и другие подобные газы. Это делает его соответствующим для широкого диапазона промышленных применений.
5. Смешанная передача силы и сигнала: В газ-электрической конфигурации кольца выскальзывания, роторное соединение может поддержать смешанную передачу силы и сигнала, включая линии электропередач, сигнальные линии, локальные сети, линии управления, клапаны соленоида, и воспринимая линии, среди других. Это обеспечивает большую гибкость в системном проектировании и интеграции.
6. Требования к техническому обслуживанию: Роторное соединение типично требует минимального обслуживания, как периодические чистка и осмотр уплотнений и подшипников. Это делает его легким интегрировать в существующие системы и уменьшает общие расходы на техническое обслуживание.
Технические данные кольца выскальзывания 3304006 полых валов
| Проходы (газ) | 4 прохода |
| Размер трубы | труба 6~8mm, " порт G1/8 |
| Механические данные | |
| спецификации. | данные |
| Срок пригодности | 20millions для ref (зависит от условий труда) |
| Максимальная скорость обработки | 250RPM непрерывно, 1000RPM периодически |
| Работая temp. | -30°C~80°C |
| Влажность работы | RH 0~85% |
| Контакт Materia | Драгоценный металл |
| Расквартировывать материал | алюминиевый сплав |
| Ранг IP | IP51 |
| Максимальное рабочее давение | Положительное давление 1Mpa, вакуум -90kPa | |
| вращающий момент | <0.2N.m | |
| Электрические данные | ||
| спецификации. | данные | |
| Сила | Сигнал | |
| Ряд напряжения тока | 0~440VAC/VDC | 0~440VAC/VDC |
| Сопротивление Insolution | <500MΩ/300VDC | <500MΩ/300VDC |
| Спецификации подводящего провода. | AWG17# Серебр-покрыло провод тефлона | AWG22# Серебр-покрыло провод тефлона |
| Длина подводящего провода | стандарт 250mm (смогите быть подгоняно) | |
| Сопротивление Insolution | 500VAC@50Hz, 6s | |
| Электрический шум | <0.01Ω | |
Описание номера детали

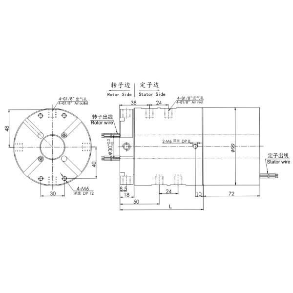
Чертеж

Список типовой модели
| Модель | Проходы (газ) | Гаван размер | Размер трубы |
| 3304006 | 4 прохода | G1/8» | 6~8mm |
