Тип BR JIS f 2026 5 Fairleads роликов трубки всеобщих с верхним кораблем ролика причаливая оборудование
Описание
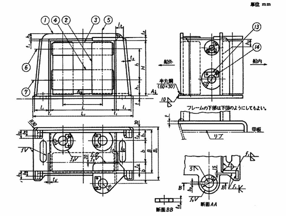
Концевой ролик палубы расположен на за борт бортовой палубе для зачаливания корабля. Оно произведен согласно японскому стандарту. Важный прибор для зачаливания корабля. Это всеобщий fairlead который помогает привести веревочки от направлений. Ровная поверхность защищает веревочку. Широко применимый к земснарядам, кораблям крана, складывающ шлюпки и другие проектируя сосуды;
Главные технические данные:
Основные технические параметры:
| Номинальный Dia. |
Рамка | |||||||||||||||||
| B | B1 | b | b1 | b2 | b3 | b4 | D | D1 | D2 | D3 | H | h | гектолитр | h2 | h3 | L | Ll | |
| 140 | 310 | 390 | 150 | 69 | 20 | 45 | 25 | 90 | 140 | 120 | 80 | 480 | 275 | 130 | 40 | 50 | 515 | 805 |
| 160 | 360 | 460 | 175 | 82 | 22 | 65 | 35 | 110 | 160 | 140 | 90 | 515 | 290 | 145 | 45 | 60 | 570 | 890 |
| 180 | 410 | 525 | 200 | 95 | 24 | 80 | 40 | 135 | 180 | 150 | 100 | 560 | 315 | 155 | 50 | 70 | 620 | 960 |
| 200 | 460 | 583 | 225 | 108 | 26 | 90 | 45 | 160 | 200 | 160 | 110 | 590 | 330 | 170 | 60 | 80 | 675 | 1049 |
| 250 | 565 | 701 | 280 | 133 | 30 | 105 | 55 | 200 | 250 | 200 | 130 | 715 | 415 | 195 | 75 | 90 | 825 | 1303 |
| 315 | 670 | 824 | 330 | 159 | 34 | 125 | 65 | 240 | 300 | 240 | 160 | 870 | 520 | 220 | 90 | 100 | 980 | 1562 |
| Номинальный Dia. |
Рамка | Нога сварки | Вес (kg) |
|||||||||||||||
| Я | l1 | l2 | l3 | l4 | R | R1 | t | t1 | t2 | t3 | t4 | f | f1 | f2 | f3 | |||
| 140 | 335 | 120 | 60 | 50 | 20 | 40 | 70 | 12 | 10 | 16 | 6 | 20 | 9 | 6 | 12 | 4 | 235 | |
| 160 | 365 | 135 | 65 | 50 | 20 | 45 | 85 | 14 | 10 | 18 | 8 | 22 | 9 | 7 | 12 | 6 | 353 | |
| 180 | 390 | 145 | 70 | 50 | 20 | 50 | 95 | 16 | 10 | 20 | 10 | 24 | 9 | 9 | 12 | 8 | 496 | |
| 200 | 420 | 160 | 80 | 50 | 20 | 60 | 110 | 18 | 12 | 22 | 10 | 26 | 10 | 10 | 14 | 8 | 648 | |
| 250 | 520 | 210 | 105 | 60 | 25 | 75 | 135 | 20 | 14 | 26 | 12 | 30 | 10 | 12 | 14 | 10 | 1176 | |
| 315 | 620 | 260 | 130 | 60 | 25 | 90 | 160 | 22 | 16 | 30 | 14 | 34 | 12 | 14 | 16 | 10 | 2050 | |

Чертеж типа BR JIS f 2026 5 Fairleads роликов трубки всеобщих с верхним кораблем ролика причаливая оборудование
