Тип GB/T 554-2008 палы зачаливания Bitts двойника корабля широкие низкопробные грузит причаливать оборудование
Описание:
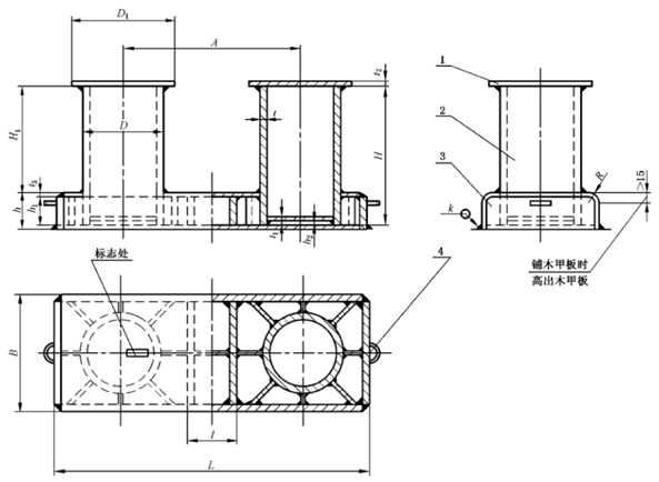
Тип пал GB/T 554-2008 a обычный двойной пал bitts с основанием. Мы также поставляем другие типы стандартного GB/T 554-96bollards: введенный тип b, тип пал c простой, тип пал d одиночный перекрестный, тип пал e двойной перекрестный. Другие типы палов как пал GB/T10106-88, пал DIN82607-1995, CVI-пал, палы etc. дока доступны.
Главные технические данные:
Основной технический параметр:
| Номинальный Dia. |
SWL kN |
Размеры кучи | ||||||||||||||||
| D | D1 | h1 | h2 | H | H1 |
t ≥ |
t1 ≥ |
t2 | ||||||||||
| 100 | 29 | 114 | 145 | 40 | 6 | 196 | 150 | 10 | 6 | 7 | ||||||||
| 125 | 39 | 140 | 180 | 50 | 246 | 190 | 8 | |||||||||||
| 160 | 49 | 168 | 210 | 60 | 8 | 316 | 250 | 9 | ||||||||||
| 200 | 78 | 219 | 270 | 70 | 378 | 300 | 8 | |||||||||||
| 250 | 118 | 273 | 335 | 80 | 470 | 380 | 11 | 10 | ||||||||||
| 315 | 196 | 325 | 390 | 105 | 10 | 597 | 480 | 15 | 12 | |||||||||
| 355 | 255 | 351 | 420 | 120 | 663 | 530 | 17 | 13 | l 2 | |||||||||
| 400 | 314 | 402 | 480 | 135 | 749 | 600 | 18 | 14 | ||||||||||
| 450 | 382 | 450 | 545 | 145 | 841 | 680 | 19 | 16 | ||||||||||
| 500 | 451 | 508 | 610 | 160 | 12 | 928 | 750 | 20 | 18 | |||||||||
| 560 | 549 | 560 | 670 | 175 | 1025 | 830 | 22 | 20 | ||||||||||
| 630 | 686 | 610 | 730 | 190 | 1152 | 940 | 24 | 22 | ||||||||||
| 710 | 804 | 712 | 840 | 220 | 14 | l 291 | 1050 | 25 | 24 | |||||||||
| 800 | 981 | 813 | 940 | 255 | 1480 | 1200 | 26 | 25 | ||||||||||
| Номинальный Dia. | Basment |
Вес kg |
||||||||||||||||
| B |
h ≥ |
l | L | R |
t3 ≥ |
Укрепление | k | |||||||||||
| 100 | 250 | 165 | 50 | 70 | 415 | 15 | 6 | 6×40 | 4 | 19 | ||||||||
| 125 | 315 | 195 | 60 | 100 | 540 | 6×50 | 29 | |||||||||||
| 160 | 400 | 225 | 70 | 145 | 670 | 20 | 6×60 | 45 | ||||||||||
| 200 | 500 | 290 | 85 | 160 | 860 | 25 | 8 | 8×70 | 6 | 80 | ||||||||
| 250 | 630 | 360 | 100 | 215 | 1 065 | 30 | 10 | 10×80 | 8 | 1 41 | ||||||||
| 3 15 | 800 | 43 0 | 125 | 325 | 1300 | 35 | 12 | 12× 105 | 10 | 264 | ||||||||
| 355 | 890 | 80 | 145 | 360 | 175 | 40 | 13 | 13×l20 | 358 | |||||||||
| 400 | 1 000 | 550 | 160 | 400 | 1 630 | 45 | 14 | 14 ×135 | 499 | |||||||||
| 450 | 1 130 | 620 | 170 | 450 | 1 840 | 50 | 16 | 16×145 | 12 | 680 | ||||||||
| 500 | 1 250 | 690 | 190 | 500 | 2 040 | 55 | 1,8 | 18×l60 | 911 | |||||||||
| 560 | l 380 | 750 | 210 | 560 | 2 240 | 60 | 20 | 20×l75 | 14 | 1 208 | ||||||||
| 630 | 1 570 | 820 | 225 | 680 | 2 510 | 70 | 22 | 22×190 | 1 601 | |||||||||
| 710 | 1 750 | 960 | 260 | 710 | 2 840 | 80 | 24 | 24×220 | 16 | 2 252 | ||||||||
| 800 | 2 000 | 1 100 | 295 | 810 | 3 240 | 25 | 25 × 255 | 3 071 | ||||||||||
| ссылка: Масса высчитана согласно низкопробному равному высоты к H. | ||||||||||||||||||

Рисовать типа GB/T 554-2008 палы зачаливания Bitts двойника корабля широкие низкопробные грузит причаливать оборудование

