Тип глаз JIS f 3410 стальной пластины веревочки c покрывает корабль причаливая оборудование
Описание:
Как плита глаза для кораблей которые можно использовать когда структуры отладки как терминалы веревочки, сережки, шкивы, etc.
Главные технические данные:
1.Standard: JIS F3410-1999,
размеры 2.Nominal: 0.5-10mm
3.Type: Тип c,
нагрузка 4.Permissible: 4,9 к 98KN
5.Material: Слабая сталь, вковка C-Mn нержавеющей стали стальная;
поверхность 6.The законченного eyeplate свободна от видимых отказов и шелушиться.
обработка 7.Surface: sandblasting к S2.5 + один слой праймера магазина эпоксидной смолы;
8. Сертификаты классификации: CCS, NK, BV, ABS, DNV-GL, LR, KR, IRS, RS, Etc.
Основной технический параметр:
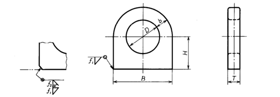
| Номинальный размер | Допустимая нагрузка KN | b | B | D | H | T | Сваривая нога f1 | f2 | вес | 
| 0,5 | 4,9 | 13 | 52 | 26 | 26 | 13 | 4 | - | 0,19 | 
| 1 | 9,8 | 15 | 68 | 38 | 38 | 15 | 6 | - | 0,39 | 
| 2 | 19,6 | 19 | 86 | 48 | 48 | 19 | 9 | - | 0,78 | 
| 3 | 29,4 | 24 | 108 | 60 | 60 | 22 | 11 | - | 1,42 | 
| 5 | 49 | 32 | 144 | 80 | 80 | 32 | 13 | - | 3,68 | 
| 7,5 | 73,5 | 36 | 162 | 90 | 90 | 36 | 8 | 12 | 5,24 | 
| 10 | 98 | 42 | 189 | 105 | 105 | 42 | 9 | 14 | 8,32 | 

Чертеж типа глаза JIS f 3410 стальной пластины веревочки c покрывает корабль причаливая оборудование