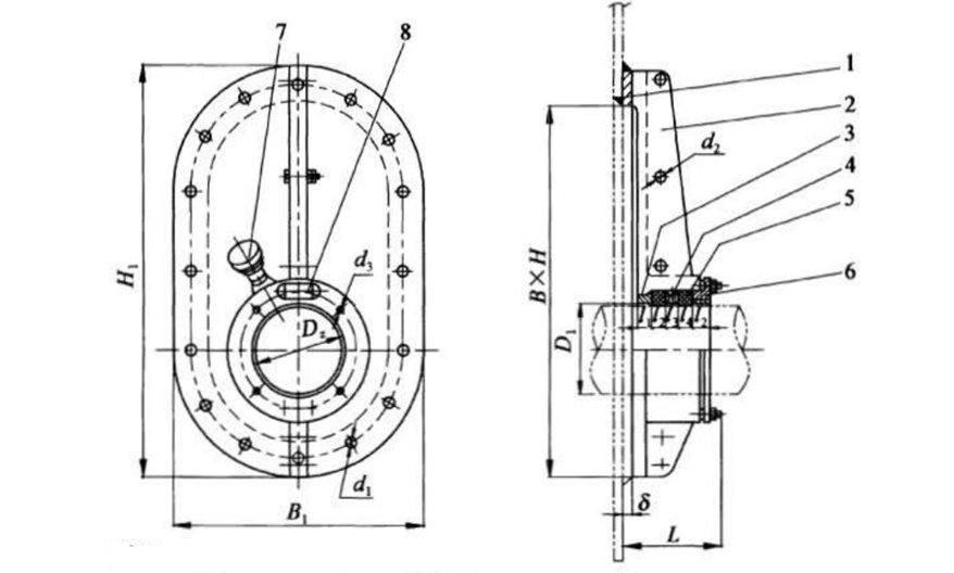
Коробка вала корабля заполняя для промежуточной системы реактивного двигателя корабля вала
Описание:
Эта заполняя коробка использована для промежуточного вала когда она проходит через перегородку watertight или oiltight. Она поддерживает вес вала и обеспечивает герметизируя функцию между границами.
Главные технические данные:
| Вал d | D1 | B x h | B1xH1 | L | L1 | L2 | L3 | L4 | n x d1 | n x d2 | n x d3 | δ | Чашка масла Том |
Вес |
| (mm) | (mm) | (mm) | (mm) | (mm) | (mm) | (mm) | (mm) | (mm) | (mm) | (mm) | (mm) | (mm) | (cm3) | (kg) |
| 70 | 72 | 220 x360 | 280 x420 | 120 | 15 | 13 x 13 | 15 | 30 | 14 x 13 | 5 x 11 | 4 x 11 | 16 | 18 | 25 |
| 80 | 82 | X 400 240 | X 400 300 | 120 | 15 | 13 x 13 | 15 | 30 | 14 x 13 | 5 x 11 | 4 x 11 | 16 | 18 | 27 |
| 90 | 92 | 260 x430 | 320 x490 | 120 | 15 | 13 x 13 | 15 | 30 | 14 x 13 | 5 x 11 | 4 x 11 | 16 | 18 | 30 |
| 100 | 102 | 290 x490 | 360 x580 | 120 | 15 | 13 x 13 | 15 | 30 | 14 x 13 | 5 x 11 | 4 x 11 | 16 | 18 | 48 |
| 110 | 112 | 310 x520 | 380 x590 | J50 | 25 | 16 x 16 | 20 | 40 | 14 x 15 | 6 x 13 | 4 x 13 | 20 | 25 | 53 |
| 120 | 122 | 350 x590 | 420 x660 | 150 | 25 | 16 x 16 | 20 | 40 | 14 x 15 | 6 x 13 | 4 x 13 | 20 | 25 | 60 |
| 140 | 143 | 390 x650 | 460 x720 | 150 | 25 | 16 x 16 | 20 | 40 | 16 x 15 | 6 x 13 | 4 x 13 | 20 | 25 | 70 |
| 150 | 153 | 400 x670 | 470 x740 | 150 | 25 | 16 x 16 | 20 | 40 | 16 x 15 | 6 x l3 | 4 x 13 | 20 | 25 | 80 |
| 160 | 163 | 420 x7l0 | 500 x790 | 190 | 35 | 19 x (9 | 25 | 50 | 16 x 17 | 7 x 15 | 6 x 15 | 20 | 50 | 85 |
| 180 | 183 | 450 x770 | 530 x850 | 190 | 35 | 19 x 19 | 25 | 50 | 16 x 17 | 7 x 15 | 6 x 15 | 20 | 50 | ll8 |
| 200 | 203 | 480 x820 | 560 x900 | 190 | 35 | } 9 x 19 | 25 | 50 | 16 x 17 | 7 x 15 | 6 x 15 | 20 | 50 | 123 |
| 220 | 224 | 510 x870 | 590 x950 | 190 | 35 | 19 x 19 | 25 | 50 | 16 x 17 | 7 x 15 | 6 x 15 | 22 | 50 | 132 |
| 250 | 254 | 550 x930 | 630 x1010 | 190 | 35 | 19 x 19 | 25 | 50 | 16 x 17 | 7 x 15 | 6 x 17 | 22 | 50 | 140 |

Чертеж коробки вала корабля заполняя для промежуточной системы реактивного двигателя корабля вала