Морская промежуточная система реактивного двигателя корабля подшипника вала
Описание
Этот вид промежуточного подшипника применим для давления коэффициента вала корабля больше чем нормальное давление коэффициента спецификации (0.6MPa) выше и потребность отрегулировать выравнивание вала, соответствующее для выбора этого типа подшипников большого давления коэффициента промежуточных. Мы поставляем различные виды подшипников корабля промежуточных
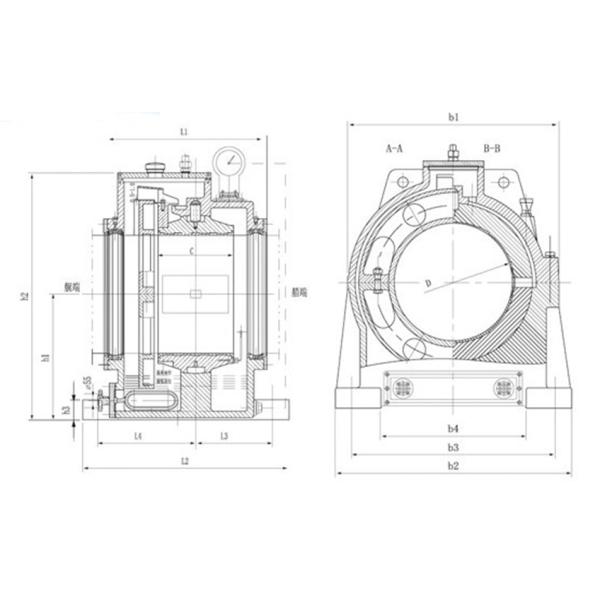
Главные технические данные
| D | Болт | b 1 | b2 | b3 | b4 | c | h1 | h2 | h3 | L1 | L2 | L3 | L4 |
| 120-160 | 4 x M20 | 320 | 310 | 270 | 160 | 86 | 185 | 360 | 32 | 306 | 320 | 155 | 115 |
| 161- 200 | 4 x M20 | 380 | 370 | 320 | 190 | 106 | 220 | 420 | 32 | 330 | 350 | 170 | 130 |
| 201- 240 | 4 x M24 | 450 | 440 | 380 | 230 | 126 | 270 | 500 | 35 | 354 | 390 | 185 | 145 |
| 241-280 | 4x M30 | 514 | 506 | 430 | 260 | 150 | 300 | 560 | 38 | 406 | 450 | 205 | 175 |
| 281- 330 | 4 x M30 | 604 | 596 | 520 | 320 | 170 | 340 | 645 | 43 | 436 | 480 | 220 | 190 |
| 331- 390 | 4 x M36 | 684 | 664 | 580 | 360 | 200 | 380 | 730 | 48 | 480 | 540 | 245 | 215 |
| 391- 450 | 4 x M36 | 770 | 760 | 670 | 440 | 230 | 425 | 820 | 93 | 535 | 585 | 270 | 235 |
| 451- 510 | 4 X M42 | 860 | 860 | 760 | 480 | 280 | 480 | 920 | 108 | 620 | 700 | 320 | 280 |
| 511 - 570 | 4 X M42 | 960 | 910 | 810 | 510 | 290 | 530 | 1020 | 120 | 670 | 740 | 340 | 300 |
| 571 - 650 | 4 x M48 | 1080 | 1030 | 910 | 570 | 330 | 610 | 1150 | 147 | 770 | 850 | 385 | 345 |
| 651- 740 | 4 x M48 | 1190 | 1170 | 1020 | 660 | 380 | 720 | 1330 | 177 | 840 | 930 | 425 | 375 |

Чертеж промежуточной системы реактивного двигателя корабля подшипника вала