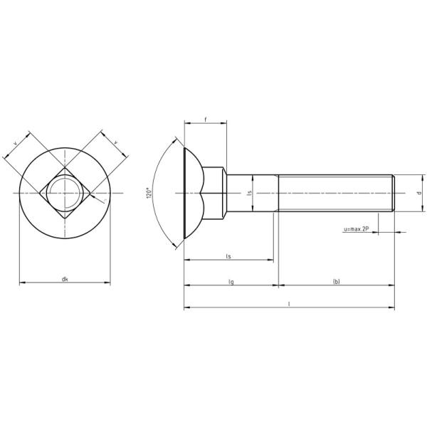
Использованный на тяжелом оборудовании, как плужки, эти болты имеют ровное, плоская головка которой двигает под углом под для того чтобы сидеть приток внутри зенкованные отверстия. Квадратная шея держит их от поворачивать завинчивая гайку. Плакировка цинка обеспечивает коррозионную устойчивость во влажных окружающих средах. Материал соотвествует спецификациям ISO898-1 для качества. Размеры соотвествуют спецификациям ISO898-1. Длина измерена от вершины головы. Главная высота включает шею.
b - длина потока (по крайней мере)
l - длина болта
d - номинальный диаметр потока
r - радиус
ds - диаметр хвостовика винта
dk - главный диаметр
f - высота придала квадратную форму
v - ширина квадрата

Сталь: 1008 1035 1045
Нержавеющий: -
Пластмасса: -
Не железистый: -
Поток: 8g
| Поток d | M10 | M12 | ||||
| P | 1,5 | 1,75 | ||||
| b | 26 | 30 | ||||
| dk | максимальный. | 19,65 | 24,65 | |||
| MIN. | 18,35 | 23,35 | ||||
| ds | максимальный. | 10 | 12 | |||
| MIN. | 9,42 | 11,3 | ||||
| f | максимальный. | 8,45 | 11,05 | |||
| MIN. | 7,55 | 9,95 | ||||
| r | максимальный. | 1,5 | 1,8 | |||
| v | максимальный. | 10,58 | 12,7 | |||
| MIN. | 9,42 | 11,3 | ||||
| l | ls | lg | ls | lg | ||
| номинальный | MIN. | максимальный. | MIN. | максимальный. | MIN. | максимальный. |
| 25 | 23,95 | 26,05 | – | 16 | – | |
| 30 | 28,95 | 31,05 | – | 16 | – | 20 |
| 35 | 33,75 | 36,25 | – | 16 | – | 20 |
| 40 | 38,75 | 41,25 | – | 16 | – | 20 |
| 45 | 43,75 | 46,25 | 11,5 | 19 | – | 20 |
| 50 | 48,75 | 51,25 | 16,5 | 24 | – | 20 |
| Поток d | M10 | M12 |
| l | Вес kg/1000pcs | |
| 25 | 18,2 | |
| 30 | 20,7 | 33 |
| 35 | 23,2 | 36,6 |
| 40 | 25,7 | 40,2 |
| 45 | 28,8 | 43,8 |
| 50 | 31,9 | 48,2 |
Поток процесса
Ковка вхолодную
Обжигая ➨ вковки кома ➨ wiredrawing ➨ обработки (если потребность), то продевает нитку упаковку ➨ финиша ➨ термической обработки ➨make завальцовки (если потребность), то
Ранг продукта
Class4.8 Class5.8 Class6.8 Class8.8 Class10.9
Механическое свойство
| НЕТ. | Механический или физические свойства | Класс свойства | ||||||||||
| 4,6 | 4,8 | 5,6 | 5,8 | 6,8 | 8,8 | 9,8 | 10,9 | 12.9/12.9 | ||||
| D≤16mma | d>16mmb | d≤16mm | ||||||||||
| 1 | Прочность на растяжение Rm, Mpa | nom.c | 400 | 500 | 600 | 800 | 900 | 1000 | 1200 | |||
| максимальный. | 400 | 420 | 500 | 520 | 600 | 800 | 830 | 900 | 1040 | 1220 | ||
| 2 | Более низкая прочность выхода ReL, Mpa | nom.c | 240 | -- | 300 | -- | -- | -- | -- | -- | -- | -- |
| максимальный. | 240 | -- | 300 | -- | -- | -- | -- | -- | -- | -- | ||
| 3 | Стресс на удлиненности 0,2% nonproportional Rp0,2, Mpa | nom.c | -- | -- | -- | -- | -- | 640 | 640 | 720 | 900 | 1080 |
| максимальный. | -- | -- | -- | -- | -- | 640 | 660 | 720 | 940 | 1100 | ||
| 4 | Стресс на удлиненности 0,0048 d не-пропорциональной для полноразмерные крепежные детали Rpf, Mpa | nom.c | -- | 320 | -- | 400 | 480 | -- | -- | -- | -- | -- |
| максимальный. | -- | 340e | -- | 420e | 480e | -- | -- | -- | -- | -- | ||
| 5 | Стресс под контрольной нагрузкой Spf, Mpa | nom. | 225 | 310 | 280 | 380 | 440 | 580 | 600 | 650 | 830 | 970 |
| Придайте непроницаемость Sp, минута nom/ReL или Sp прочности, nom/Rp0.2min или Sp rati, минута nom/Rpf | 0,94 | 0,91 | 0,93 | 0,9 | 0,92 | 0,91 | 0,91 | 0,9 | 0,88 | 0,88 | ||
| 6 | Удлиненность процента после трещиноватости для части подвергли механической обработке теста, a, % | MIN. | 22 | -- | 20 | -- | -- | 12 | 12 | 10 | 9 | 8 |
| 7 | Уменьшение процента зоны позже трещиноватость для, который частей подвергли механической обработке теста, z, % | MIN. | -- | 52 | 48 | 48 | 44 | |||||
| 8 | Удлиненность после трещиноватости для полноразмерного крепежные детали, Af | MIN. | -- | 0,24 | -- | 0,22 | 0,2 | -- | -- | -- | -- | -- |
| 9 | Главная здравость | Отсутствие трещиноватости | ||||||||||
| 10 | Твердость Vickers, HV, F≥98N | MIN. | 120 | 130 | 155 | 160 | 190 | 250 | 255 | 290 | 320 | 385 |
| максимальный. | 220g | 250 | 320 | 335 | 360 | 380 | 435 | |||||
| 11 | Brinell твердость, HBW , ² F=30D | MIN. | 114 | 124 | 147 | 152 | 181 | 238 | 242 | 276 | 304 | 366 |
| максимальный. | 209g | 238 | 304 | 318 | 342 | 361 | 414 | |||||
| 12 | Твердость Rockwell, HRB, HRB | MIN. | 67 | 71 | 79 | 82 | 89 | |||||
| максимальный. | 95g | 99,5 | ||||||||||
| Твердость Rockwell, HRC | MIN. | -- | 22 | 23 | 28 | 32 | 39 | |||||
| максимальный. | -- | 32 | 34 | 37 | 39 | 44 | ||||||
| 13 | Поверхностная твердость HV 0,3 | максимальный. | -- | h | h, j | h, j | ||||||
| 14 | Высота не-decarburized зоны потока, e, mm | MIN. | -- | 1/2H1 | 2/3H1 | 3/4H1 | ||||||
| Глубина полного обезуглероживания в поток, g, mm | максимальный. | -- | 0,015 | |||||||||
| 15 | Уменьшение твердости после retempering, HV | максимальный. | -- | 20 | ||||||||
| 16 | Ломать вращающий момент, MB, N·m | MIN. | -- | в соответствии с ISO 898-7 | ||||||||
| 17 | Прочность удара, KVK, I, J | MIN. | -- | 27 | -- | 27 | 27 | 27 | 27 | m | ||
| 18 | Поверхностная целостность в соответствии с | ISO 6157-1n | ISO 6157-3 | |||||||||
| значения не применяются для структурный скреплять болтами. b для структурного скрепляя болтами d w M12. номинальные стоимости c определены только для системы обозначения для классов свойства. См. статью 5. d в случаях, где ниже прочность выхода ReL не может быть решительно, допустимо измерить стресс на удлиненности Rp0,2 0,2% не-пропорциональной. e на классы свойства 4,8, 5,8 и 6,8 значения на минута Rpf под исследованием. Наличные значения даются для вычисления коэффициента стресса доказательства только. Они нет значений теста. контрольные нагрузки f определены в таблицах 5 и 7. твердость g определила в конце крепежной детали будет максимум 250 HV, 238 HB или 99,5 HRB. твердость h поверхностная не будет больше чем 30 пунктов Vickers выше измеренная твердость ядра крепежной детали когда определение как поверхностной твердости, так и твердости ядра будет унесено с HV 0,3. i любой рост твердости на поверхности которая показывает что поверхностная твердость превышает HV 390 не приемлем. j любой рост твердости на поверхности которая показывает что поверхностная твердость превышает HV 435 не приемлем. значения k определены на температуре теста °C −20, видят 9,14. l применяется к d w 16 mm. значения m для KV под исследованием. n вместо ISO 6157-1, ISO 6157-3 может примениться по соглашению между изготовителем и покупателем. | ||||||||||||
Материалы и химическое compstition
1008
| ХИМИЧЕСКОЕ COMPOSI % | ||||||||
| C | Si | Mn | P | S | Cr | Ni | Cu | Al |
| 0,06 | 0,06 | 0,33 | 0,013 | 0,003 | 0,01 | 0 | 0,01 | 0,028 |
1035
| ХИМИЧЕСКОЕ COMPOSI % | |||||||
| C | Si | Mn | P | S | Cr | Ni | Cu |
| 0,34 | 0,13 | 0,73 | 0,012 | 0,002 | 0,02 | 0,01 | 0,02 |
10B21
| ХИМИЧЕСКОЕ COMPOSI % | ||||||
| C | Si | Mn | P | S | Cr | B |
| 0,2 | 0,04 | 0,81 | 0,017 | 0,007 | 0,017 | 0,0021 |
1045
| ХИМИЧЕСКОЕ COMPOSI % | |||||||
| C | Si | Mn | P | S | Cr | Ni | Cu |
| 0,45 | 0,23 | 0,58 | 0,014 | 0,006 | 0,057 | 0,008 | 0,016 |
40CR
| ХИМИЧЕСКОЕ COMPOSI % | |||||||
| C | Si | Mn | P | S | Cr | Ni | Cu |
| 0,4 | 0,21 | 0,54 | 0,015 | 0,008 | 0,95 | 0,02 | 0,02 |
35CRMO
| ХИМИЧЕСКОЕ COMPOSI % | ||||||||
| C | Si | Mn | P | S | Cr | Ni | Cu | Mo |
| 0,35 | 0,22 | 0,59 | 0,01 | 0,003 | 0,93 | 0,01 | 0,01 | 0,21 |
42CRMO
| ХИМИЧЕСКОЕ COMPOSI % | ||||||||
| C | Si | Mn | P | S | Cr | Ni | Cu | Mo |
| 0,42 | 0,27 | 0,92 | 0,013 | 0,004 | 1,01 | 0,03 | 0,04 | 0,2 |
Финиш
ПРОСТОЙ НИКЕЛЬ ХРОМА HDG DACROMET GEOMET ЧЕРНОТЫ ZP YZP И ТАК ДАЛЕЕ
УПАКОВКА
БОЛЬШАЯ ЧАСТЬ QBH
20-25KG/CTN, 36CTNS/PALLET
20-30KG/BAGS, 36BAGS/PALLET
ОДНО TON/BOXES
50KG/ЖЕЛЕЗНЫЙ БАРАБАНЧИК, 12 ЖЕЛЕЗНЫХ DRUMS/PALLET
УПАКОВКА QBH НЕБОЛЬШАЯ
Паковать в маленьких коробках согласно требованиям к клиента
Паковать в полиэтиленовом пакете согласно требованиям к клиента
ТИП ПАЛЛЕТА QBH
ТВЕРДЫЙ ДЕРЕВЯННЫЙ ПАЛЛЕТ ОКУРИВАНИЯ
Паллет ЕВРО
ПАЛЛЕТ 3 ТУТОРОВ
ДЕРЕВЯННАЯ КОРОБКА
Преимущества QBH
-