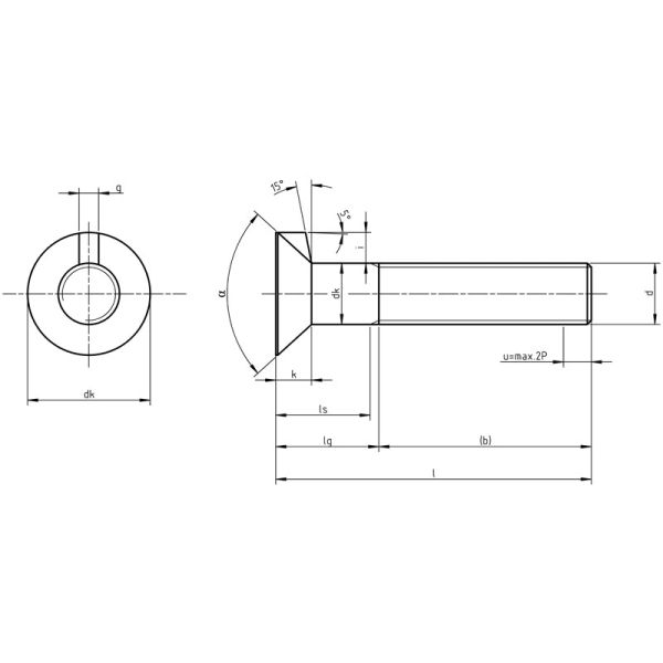
Зенкованные болты Nib вообще использованы для применений стали или тимберса где плоский, зенкованный финиш необходим на прикрепленной поверхности.
Подобный болту плужка но вместо квадратного гнезда шеи, шпоночное соединение отрезано в зенкованный гнездо для того чтобы усадить nib, позволяющ болту быть гайкой затягиванной и обеспеченной на месте

b - длина потока (по крайней мере)
l - длина болта
d - номинальный диаметр потока
k - главная высота
ds - диаметр хвостовика винта
g - ширина nib
dk - главный диаметр
I - высота носа
lg - длина потока
ls - длина хвостовика к началу потока
α - поперечная экструзионная головка
Сталь: 3,6, 4,6
Нержавеющий: -
Пластмасса: -
Не железистый: -
Поток: 8g
Примечания:
Поток процесса
Ковка вхолодную
Обжигая ➨ вковки кома ➨ wiredrawing ➨ обработки (если потребность), то продевает нитку упаковку ➨ финиша ➨ термической обработки ➨make завальцовки (если потребность), то
Ранг продукта
Class4.8 Class5.8 Class6.8 Class8.8 Class10.9
Механическое свойство
| НЕТ. | Механический или физические свойства | Класс свойства | ||||||||||
| 4,6 | 4,8 | 5,6 | 5,8 | 6,8 | 8,8 | 9,8 | 10,9 | 12.9/12.9 | ||||
| D≤16mma | d>16mmb | d≤16mm | ||||||||||
| 1 | Прочность на растяжение Rm, Mpa | nom.c | 400 | 500 | 600 | 800 | 900 | 1000 | 1200 | |||
| максимальный. | 400 | 420 | 500 | 520 | 600 | 800 | 830 | 900 | 1040 | 1220 | ||
| 2 | Более низкая прочность выхода ReL, Mpa | nom.c | 240 | -- | 300 | -- | -- | -- | -- | -- | -- | -- |
| максимальный. | 240 | -- | 300 | -- | -- | -- | -- | -- | -- | -- | ||
| 3 | Стресс на удлиненности 0,2% nonproportional Rp0,2, Mpa | nom.c | -- | -- | -- | -- | -- | 640 | 640 | 720 | 900 | 1080 |
| максимальный. | -- | -- | -- | -- | -- | 640 | 660 | 720 | 940 | 1100 | ||
| 4 | Стресс на удлиненности 0,0048 d не-пропорциональной для полноразмерные крепежные детали Rpf, Mpa | nom.c | -- | 320 | -- | 400 | 480 | -- | -- | -- | -- | -- |
| максимальный. | -- | 340e | -- | 420e | 480e | -- | -- | -- | -- | -- | ||
| 5 | Стресс под контрольной нагрузкой Spf, Mpa | nom. | 225 | 310 | 280 | 380 | 440 | 580 | 600 | 650 | 830 | 970 |
| Придайте непроницаемость Sp, минута nom/ReL или Sp прочности, nom/Rp0.2min или Sp rati, минута nom/Rpf | 0,94 | 0,91 | 0,93 | 0,9 | 0,92 | 0,91 | 0,91 | 0,9 | 0,88 | 0,88 | ||
| 6 | Удлиненность процента после трещиноватости для части подвергли механической обработке теста, a, % | MIN. | 22 | -- | 20 | -- | -- | 12 | 12 | 10 | 9 | 8 |
| 7 | Уменьшение процента зоны позже трещиноватость для, который частей подвергли механической обработке теста, z, % | MIN. | -- | 52 | 48 | 48 | 44 | |||||
| 8 | Удлиненность после трещиноватости для полноразмерного крепежные детали, Af | MIN. | -- | 0,24 | -- | 0,22 | 0,2 | -- | -- | -- | -- | -- |
| 9 | Главная здравость | Отсутствие трещиноватости | ||||||||||
| 10 | Твердость Vickers, HV, F≥98N | MIN. | 120 | 130 | 155 | 160 | 190 | 250 | 255 | 290 | 320 | 385 |
| максимальный. | 220g | 250 | 320 | 335 | 360 | 380 | 435 | |||||
| 11 | Brinell твердость, HBW , ² F=30D | MIN. | 114 | 124 | 147 | 152 | 181 | 238 | 242 | 276 | 304 | 366 |
| максимальный. | 209g | 238 | 304 | 318 | 342 | 361 | 414 | |||||
| 12 | Твердость Rockwell, HRB, HRB | MIN. | 67 | 71 | 79 | 82 | 89 | |||||
| максимальный. | 95g | 99,5 | ||||||||||
| Твердость Rockwell, HRC | MIN. | -- | 22 | 23 | 28 | 32 | 39 | |||||
| максимальный. | -- | 32 | 34 | 37 | 39 | 44 | ||||||
| 13 | Поверхностная твердость HV 0,3 | максимальный. | -- | h | h, j | h, j | ||||||
| 14 | Высота не-decarburized зоны потока, e, mm | MIN. | -- | 1/2H1 | 2/3H1 | 3/4H1 | ||||||
| Глубина полного обезуглероживания в поток, g, mm | максимальный. | -- | 0,015 | |||||||||
| 15 | Уменьшение твердости после retempering, HV | максимальный. | -- | 20 | ||||||||
| 16 | Ломать вращающий момент, MB, N·m | MIN. | -- | в соответствии с ISO 898-7 | ||||||||
| 17 | Прочность удара, KVK, I, J | MIN. | -- | 27 | -- | 27 | 27 | 27 | 27 | m | ||
| 18 | Поверхностная целостность в соответствии с | ISO 6157-1n | ISO 6157-3 | |||||||||
| значения не применяются для структурный скреплять болтами. b для структурного скрепляя болтами d w M12. номинальные стоимости c определены только для системы обозначения для классов свойства. См. статью 5. d в случаях, где ниже прочность выхода ReL не может быть решительно, допустимо измерить стресс на удлиненности Rp0,2 0,2% не-пропорциональной. e на классы свойства 4,8, 5,8 и 6,8 значения на минута Rpf под исследованием. Наличные значения даются для вычисления коэффициента стресса доказательства только. Они нет значений теста. контрольные нагрузки f определены в таблицах 5 и 7. твердость g определила в конце крепежной детали будет максимум 250 HV, 238 HB или 99,5 HRB. твердость h поверхностная не будет больше чем 30 пунктов Vickers выше измеренная твердость ядра крепежной детали когда определение как поверхностной твердости, так и твердости ядра будет унесено с HV 0,3. i любой рост твердости на поверхности которая показывает что поверхностная твердость превышает HV 390 не приемлем. j любой рост твердости на поверхности которая показывает что поверхностная твердость превышает HV 435 не приемлем. значения k определены на температуре теста °C −20, видят 9,14. l применяется к d w 16 mm. значения m для KV под исследованием. n вместо ISO 6157-1, ISO 6157-3 может примениться по соглашению между изготовителем и покупателем. | ||||||||||||
Материалы и химическое compstition
1008
| ХИМИЧЕСКОЕ COMPOSI % | ||||||||
| C | Si | Mn | P | S | Cr | Ni | Cu | Al |
| 0,06 | 0,06 | 0,33 | 0,013 | 0,003 | 0,01 | 0 | 0,01 | 0,028 |
1035
| ХИМИЧЕСКОЕ COMPOSI % | |||||||
| C | Si | Mn | P | S | Cr | Ni | Cu |
| 0,34 | 0,13 | 0,73 | 0,012 | 0,002 | 0,02 | 0,01 | 0,02 |
10B21
| ХИМИЧЕСКОЕ COMPOSI % | ||||||
| C | Si | Mn | P | S | Cr | B |
| 0,2 | 0,04 | 0,81 | 0,017 | 0,007 | 0,017 | 0,0021 |
1045
| ХИМИЧЕСКОЕ COMPOSI % | |||||||
| C | Si | Mn | P | S | Cr | Ni | Cu |
| 0,45 | 0,23 | 0,58 | 0,014 | 0,006 | 0,057 | 0,008 | 0,016 |
40CR
| ХИМИЧЕСКОЕ COMPOSI % | |||||||
| C | Si | Mn | P | S | Cr | Ni | Cu |
| 0,4 | 0,21 | 0,54 | 0,015 | 0,008 | 0,95 | 0,02 | 0,02 |
35CRMO
| ХИМИЧЕСКОЕ COMPOSI % | ||||||||
| C | Si | Mn | P | S | Cr | Ni | Cu | Mo |
| 0,35 | 0,22 | 0,59 | 0,01 | 0,003 | 0,93 | 0,01 | 0,01 | 0,21 |
42CRMO
| ХИМИЧЕСКОЕ COMPOSI % | ||||||||
| C | Si | Mn | P | S | Cr | Ni | Cu | Mo |
| 0,42 | 0,27 | 0,92 | 0,013 | 0,004 | 1,01 | 0,03 | 0,04 | 0,2 |
Финиш
ПРОСТОЙ НИКЕЛЬ ХРОМА HDG DACROMET GEOMET ЧЕРНОТЫ ZP YZP И ТАК ДАЛЕЕ
УПАКОВКА
БОЛЬШАЯ ЧАСТЬ QBH
20-25KG/CTN, 36CTNS/PALLET
20-30KG/BAGS, 36BAGS/PALLET
ОДНО TON/BOXES
50KG/ЖЕЛЕЗНЫЙ БАРАБАНЧИК, 12 ЖЕЛЕЗНЫХ DRUMS/PALLET
УПАКОВКА QBH НЕБОЛЬШАЯ
Паковать в маленьких коробках согласно требованиям к клиента
Паковать в полиэтиленовом пакете согласно требованиям к клиента
ТИП ПАЛЛЕТА QBH
ТВЕРДЫЙ ДЕРЕВЯННЫЙ ПАЛЛЕТ ОКУРИВАНИЯ
Паллет ЕВРО
ПАЛЛЕТ 3 ТУТОРОВ
ДЕРЕВЯННАЯ КОРОБКА
Преимущества QBH
-