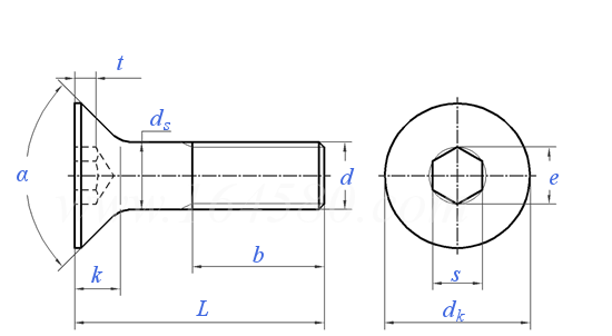
DIN 7991 винт головной крышки шестиугольника UNI 5933 ISO 10642 зенкованный гнездом классифицирует 10,9 черное
Сделанный из легированной стали, эти винты почти дважды как сильны как винты плоской головки нержавеющей стали. Они двинуты под углом под головой для того чтобы сидеть приток внутри зенкованные отверстия. Длина измерена от вершины головы.
винты легированной стали Черно-окиси имеют слабую коррозионную устойчивость в сухих окружающих средах.
Цинк-покрытые винты легированной стали сопротивляются корозии во влажных окружающих средах. Винты с сине-покрашенным финишем имеют отличительный голубой цвет который делает их легкой определить.
Цинк M3 матовой черноты DIN 7991 к винтам зенкованным M24 главным
DIN зенкованное плоской головкой гнезда болтов крышки 7991 не запланировано для высокопрочного применения. Цель произведения их с прочностью класса свойства 10,9 увеличить сопротивление носки гнезд.




| Винтовой нарез d |
| |||||||||||||||||||||||||||||||||||||||||||||||||||||||||||||||||||||||||||||||||||||||||||||||||||||||||||||||||||||||||||||||||||||||||||||||||||||||||||||||||||||||||||||||||||||||||||||||||||||||||||||||||||||||||||||||||||||||||
|
|

УПАКОВКА
БОЛЬШАЯ ЧАСТЬ QBH
20-25KG/CTN, 36CTNS/PALLET
20-30KG/BAGS, 36BAGS/PALLET
ОДНО TON/BOXES
50KG/ЖЕЛЕЗНЫЙ БАРАБАНЧИК, 12 ЖЕЛЕЗНЫХ DRUMS/PALLET
УПАКОВКА QBH НЕБОЛЬШАЯ
Паковать в маленьких коробках согласно требованиям к клиента
Паковать в полиэтиленовом пакете согласно требованиям к клиента
ТИП ПАЛЛЕТА QBH
ТВЕРДЫЙ ДЕРЕВЯННЫЙ ПАЛЛЕТ ОКУРИВАНИЯ
Паллет ЕВРО
ПАЛЛЕТ 3 ТУТОРОВ
ДЕРЕВЯННАЯ КОРОБКА
Преимущества QBH
вопросы и ответы