UL CUL MF58 CQC выдерживает высокотемпературный стеклянный термистор диода NTC точности раковины 250Degree
R25 (Ω): 0.1K~1000K
Польза: Контроль температуры и рассмотрение электроприбора домочадца
Связь загрузки спецификации PDF: Стеклянная точность NTC Thermistor.pdf раковины MF58
Генерал
Стеклянные термисторы точности NTC раковины MF58 термистор NTC который изготовлен используя сочетание из керамическое и методы полупроводника. Он оборудован с залуживанными осевыми руководствами и после этого создан программу-оболочку с очищенным стеклом.

Особенности
Хорошие стабильность и повторимость
Высокая надежность
Широкий диапазон сопротивления: 0.1~1000KOhm
Плотный допуск на сопротивлении и бета значениях
Годный к употреблению в высокотемпературных и высоковлажных окружающих средах
Небольшой, светлый, сильный пакет,
Соответствующий для автоматического ввода на через-отверстии PCBs
Быстрый ответ
Высокая чувствительность
Применение
Бытовые приборы
Конторские машины
Промышленный
Жидкостное ровное обнаружение
Батарея мобильного телефона
Интегральные схемаы
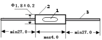
Размер (mm)

Спецификации
|
Ряд сопротивления силы нуля (R25) |
0.1~3780KΩ |
|
Доступные допуски R25 |
F= ±1% G= ±2% H= ±3% J= ±5% K= ±10% |
|
Ряд значения b (B25/50°C) |
3100~4500K |
|
Доступные допуски значения b |
±0.5%, ±1%, ±2% |
|
Коэффициент энергопотерь |
≥2mW/°C (во все еще воздухе) |
|
Термальная константа времени |
≤20S (во все еще воздухе) |
|
Температурная амплитуда рабочей температуры |
-55°C | +250°C |
|
Расклассифицированная сила |
≤50mW |
Родственный продукт

Мастерская термистора высококачественных и высокой эффективности NTC
Мы имеем уникальную основную технологию процесса и руководителя с собственническими правами интеллектуальной собственности керамического оборудования порошка, сделанными обломоков, серийное производство высокой эффективности NTC автоматическое.
Мы имеем больше чем 12 серии линии автоматического производства термисторов высокой эффективности NTC, продукты имеют преимущества большой продукции, высококачественного, хорошего сцепления, высокой надежности, кроме того их можно сделать много видов датчиков температуры NTC, ее также можно поставить к другим фабрикам датчиков NTC, и экспортировать в больших количествах к международному.
![]() |
![]() |
![]() |
![]() |
Тест надежности
| Деталь теста | Стандарт теста | Метод теста | Требования производительности |
| Сопротивление силы нуля | IEC 60539-1 | Погрузите образцы в ванне на 25℃±0.005℃, сопротивлении температуры постоянного теста устойчивом |
Tol ±1% сопротивления
|
| Значение b | IEC60539-1 | Погрузите образцы в ванне температуры постоянного на 25℃, 50℃ (или 85℃), сопротивлении теста устойчивом, и высчитайте значение b |
Tol ±1% сопротивления
|
| Свободное падение |
IEC60068-2-32
|
Высота падения: 1.5±0.1m, поверхностный: Цемент, 1 время |
Отсутствие очевидного повреждения, R25△ R/R≤±1%
|
| Изоляция |
IEC60539-1
|
давление 500V на сопротивлении изоляции теста раковины изоляции |
>500MOhm
|
| Выдержите напряжение тока | IEC60539-1 |
Выдержите напряжение тока: 1500V/AC, утечка настоящая: продолжать 2mA: 60sec
|
Отсутствие очевидного повреждения
|
| Напряжение | IEC60068-2-21 |
Вытяните равномерную скорость в конце, F>4.0KG (спрошенные клиентом)
|
Отсутствие очевидного повреждения, R25△ R/R≤±1%
|
| Вибрация | Q/HBm 108-94 | Частота теста: 10~500Hz, качание: ускорение 1.2mm: 30m/s2 направление x, y, время z: 8Hour/direction |
Отсутствие очевидного повреждения, R25△ R/R≤±1%
|
| Устойчивые влажность и жара | IEC60068-2-78 | Temp: Влажность 40±2℃: Время 92-95%RH: ± 1000 24 часа |
Отсутствие очевидного повреждения, R25△ R/R≤±1%
|
| Термальная константа времени | EC60539-1 | Погрузите в воде 25℃, после термального баланса, погрузите в 85℃, сопротивлении приезжает 63,2%, высчитывает полное время |
<10 sec="">
|
| Высокотемпературное хранение | IEC60068-2-2 | Temp: Время 125℃±5℃: ± 1000 24 часа | Отсутствие очевидного повреждения, R25△ R/R≤±1% |
| Холодный и термальный удар | IEC60068-2-14 |
T1 -40℃~+125℃: время цикла 30min: 1000
|
Отсутствие очевидного повреждения, R25△ R/R≤±1%
|
| Эксперимент по стука | IEC60068-2-77 |
Ускорение: продолжать ИМПа ульс 250m/s2: времена стука 6ms: Время восстановления 1000: 2 часа
|
Отсутствие очевидного повреждения, R25△ R/R≤±1%
|
| Хранение низкой температуры | IEC60068-2-1 |
Temp: Время 40±2℃: ± 1000 24 часа
|
Отсутствие очевидного повреждения, R25△ R/R≤±1%
|
| Брызги соли | IEC60068-2-11 | Temp: Час собрания 35±2℃: время 1.0mL~2.0mL: определите в как фактический спрос |
Отсутствие очевидного повреждения, R25△ R/R≤±1%
|