Редуктор привода редуктора шестерни RV Cyclo для промышленных роботов
Редуктор зубчатого колеса с циклоидальным профилем зуба компакт, высоко-коэффициент, и прибор снижения скорости низко-отрицательной реакции. Он обыкновенно был использован для передавать движение и вращающий момент в машинном оборудовании. Эта бумага представляет дизайн нового двухступенного cycloidal редуктора скорости с изменениями зуба. Топологическая структура cycloidal приводов обсужена и проанализирована с помощью диаграмм. Новые редукторы зубчатого колеса с циклоидальным профилем зуба перечислены через топологический анализ и новый двухступенный редуктор зубчатого колеса с циклоидальным профилем зуба с более простой структурой после этого предложен. Дизайн предложенного редуктора зубчатого колеса с циклоидальным профилем зуба также выполнен, включая поколение профиля и изменения. Затем, кинематические ошибки проанализированы путем использование анализа контакта зуба, и результаты причиненные различными сочетаниями из изменения профиля шестерни количественно. В конце концов, основанный на анализе, модель-макет привода зубчатого колеса с циклоидальным профилем зуба построен для того чтобы утвердить осуществимость нового механизма.
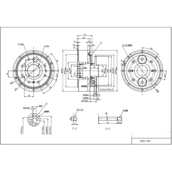
Особенности редуктора RV-50C -32,54 шестерни Rv
1. меньше чем 1 дуга - минимальная отрицательная реакция.
2. сильное сопротивление удара.
3. очень компакт с высокой жесткостью при кручении.
4. версия компонента встроенная для большего дизайна и гибкости космоса сохраняя.
5. большой ряд диапазона регулирования передаточного числа.
6. высокий кпд передачи.
7. длинный срок пригодности.
Применение редуктора RV-50C -32,54 шестерни Rv
Лидирующая умная индустрия оборудования как промышленные роботы, внешние валы, механические инструменты точности, радиолокаторы, и медицинские службы.
Параметры редуктора RV-50C -32,54 шестерни Rv технические
Работая параметр
| Скорость выхода вращательная r/min |
5 | 15 | 25 | 35 | ||||
| Вращающий момент выхода | Емкость входного сигнала | Вращающий момент выхода | Емкость входного сигнала | Вращающий момент выхода | Емкость входного сигнала | Вращающий момент выхода | Емкость входного сигнала | |
| Модель | Nm | kW | Nm | kW | Nm | kW | Nm | kW |
| 50C | 680 | 0,48 | 490 | 1,03 | 420 | 1,47 | 375 | 1,57 |
Примечание: расклассифицированный вращающий момент вращающий момент выхода когда скорость ведомого вала на 15r/min.
Рабочий параметр
| Модель | Коэффициент скорости | Позволяемая скорость ведомого вала | Максимальная отрицательная реакция | Позволяемый вращающий момент ускорения/decleration | Мгновенный максимальный позволяемый вращающий момент | Позволяемый момент | Мгновенное максимальное позволяемое движение | Вес | Эффективность | Шум | |
| 50C |
Блок шестерни уменьшения |
r/min | arc.min | Nm | Nm | Nm | Nm | kg | % | dB | |
| 32,54 | 50 | 1 | 1225 | 2450 | 1760 | 3500 | 15 | >80 | <75> | ||
Параметр установки редуктора RV-50C -32,54 шестерни Rv
| внутренний болт шестиугольника Номинальный размер (mm) |
прикрепляя вращающий момент (Nm) | прикрепляя сила | требование к болта |
| M10 × 1,5 | 73,5 ± 3,43 | 38080 | GB/T 70,1 до 2000 интенсивность: 12,9 требование к потока: GB/T 1167-1996 |
Чертежи установки редуктора RV-50C -32,54 шестерни Rv
