Pinwheel привода RV коробок передач руки робота редуктор шестерни совместного Cycloidal планетарный Cyclo
Редуктор зубчатого колеса с циклоидальным профилем зуба редуктора принимает cycloidal цеплять шестерни и планетарный принцип передачи, поэтому он также вызван планетарным редуктором циклоиды. Планетарный cycloidal редуктор можно широко использовать в нефти, охране окружающей среды, химической промышленности, цементе, транспорте, ткани, фармацевтическом, еда, печатание, подниматься, минирование, металлургия, конструкция, производство электроэнергии, и другие индустрии, как привод или редуктор. Своя уникальная ровная структура может заменить обычные цилиндрические редукторы редукторов шестерни и шестерни червя во многих случаях. Поэтому, планетарный редуктор зубчатого колеса с циклоидальным профилем зуба широко использован в различных индустриях и полях и широко приветствован потребителями.
Условия пользы:
Cycloidal редуктор pinwheel позволен быть использованным в непрерывной системе работы пока позволять и передний и обратные направления.
Проектная скорость вала входного сигнала 1500 rpm. Когда сила входного сигнала больше чем 18,5 kW, порекомендованы, что использует мотор 6 поляков с 960 rpm.
Рабочая позиция горизонтально установленного редуктора циклоиды горизонтальна. Максимальный горизонтальный угол наклона во время установки типично более менее чем 15°. Другие измерения должны быть приняты для обеспечения адекватной смазки и для предотвращения утечки масла когда она превышает 15°.
Валу выхода редуктора циклоиды нельзя подвергнуть к большим осевым и радиальным силам. Другие измерения необходимо принять когда большие осевые и радиальные силы.
Преимущества
1.high опрокидывая жесткость
трение 2.low
подшипник выхода точности 3.high
плотность вращающего момента 4.high
5.reduced потеряло установки движения
емкость перегрузки вращающего момента 6.high
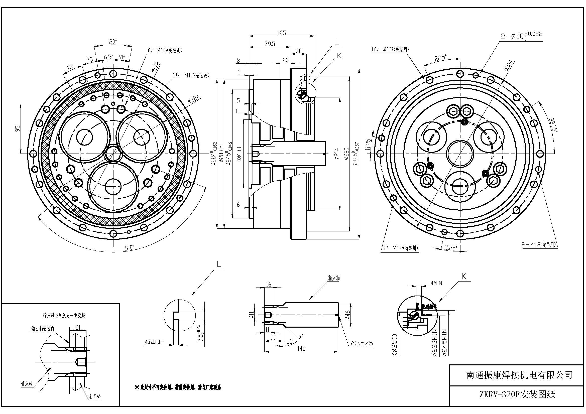
Параметры шестерни уменьшения RV-320E RV технические
| Модель | 20E | 40E | 80E | 110E | 160E | 320E | 450E |
| Коэффициент шестерни уменьшения |
57/81/105 121/141/161 |
57/81/105 121/153 |
81/101 121/153 |
81/111 161 |
81/101/129 145/171 |
81/101/129 141/171/185 201 |
154.8/171 192,4 |
| Расклассифицированный вращающий момент (Nm) | 180 | 400 | 800 | 1100 | 1600 | 3200 | 4500 |
| Максимальный работая вращающий момент (Nm) | 450 | 1000 | 2000 | 2750 | 4000 | 8000 | 11250 |
| Максимальный вращающий момент удара (Nm) | 900 | 2000 | 4000 | 5500 | 8000 | 16000 | 22500 |
| Скорость максимального выпуска продукции (r/min) | 75 | 70 | 70 | 50 | 45 | 35 | 25 |
| Космос зуба/нерабочий обратный ход (arc.min) | 1 | 0,8 | 0,8 | 0,7 | 0,6 | 0,5 | 0,5 |
| Жесткость при кручении (Nm/arc.min) | 48 | 105 | 195 | 290 | 390 | 978 | 1175 |
| Допустимый вращающий момент (Nm) | 880 | 1600 | 2150 | 2940 | 3900 | 7050 | 8800 |
| Позвольте тяге (n) | 3920 | 5190 | 7840 | 10770 | 14780 | 19600 | 24500 |
| Вес (kg) | 4,9 | 9,5 | 13,5 | 17,5 | 26,5 | 44,5 | 66,5 |
Коробки передач высокой точности Zhenkang робототехники гения планетарные широко использованы в индустрии авиации, космическом полете, корабле, радиолокаторе, подводной лодке, машинном оборудовании еды, медицинском машинном оборудовании, машинном оборудовании поставок women, композиционных материалах. Оборудование, аппаратуры точности испытывая, система передачи данных, робот, механическая рука, CNC механический инструмент, вырезывание и машинное оборудование сварочного оборудования, системы лазера, машинного оборудования ткани, печатания и красить, машинное оборудование упаковки, машинное оборудование печатания, испытывая машины, штемпелюя технологию, пластиковое машинное оборудование, стеклянное машинное оборудование, поднимаясь машинное оборудование, металлургическое машинное оборудование, проектирующ машинное оборудование и институт научного исследования университета и так далее.
Если вы не умеете как выбрать соответствующую коробку передач для вашей машины, пожалуйста, то не потревожьтесь. Мы имеем профессиональную техническую команду, который нужно служить вы. Покуда вы следовать нашими шагами, вы сумеете как выбрать правый размер. После заканчивать выбор, который соответствуют коробки передач для вашего мотора, мы отправим вами соответствуя чертеж CAD для вашей проверки для избежания всех ошибок. Мы также предлагаем 24 часа службы технической поддержки если вы имеете любые другие вопросы к разрешенный срочно.

вопросы и ответы
Q: Сколько времени ваш срок поставки? Что ваши условия платежа?
: Вообще 40-45 дней. Время может поменять в зависимости от продукта и уровня изготовления на заказ. Для стандартных продуктов, оплата является следующим: 30% T/T заранее, баланс перед пересылкой.
Q: Что точные MOQ или цена для вашего продукта?
: Как компания OBM, мы можем снабдить и приспособить наши продукты широкий диапазон потребностей. Таким образом, MOQ и цена могут значительно поменять с размером, материалом и более дополнительными спецификациями; Например, дорогие продукты или стандартные продукты обычно будут иметь более низкое MOQ. Пожалуйста свяжитесь мы со всеми уместными деталями для того чтобы получить самую точную цитату.