ФЛАНЕЦ СТАЛИ УГЛЕРОДА ТАБЛИЦЫ E ТАБЛИЦЫ D ФЛАНЦА ПЛИТЫ 600kpa SABS 1123 1000kpa 1600kpa 2500kpa
|
СТАНДАРТ
| Тип | Давление | Материал | размер | Процесс | Поверхность обработка |
|
SABS1123
| ТАК, СЛЕПОЙ | 600kpa 1000kpa 1600kpa 2500kpa | сталь углерода нержавеющая сталь | DN15-DN600 | ВЫКОВАЛ, КУЮЩ | Желтая краска Светлое масло |
S.A.B.S 1123 служит фланцем

S.A.B.S 1123 служит фланцем
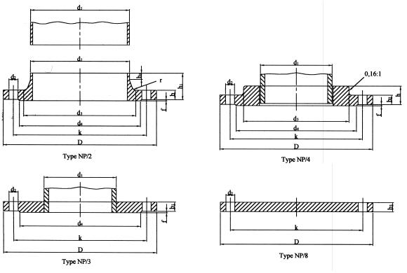
| KPa 1000 номинального давления 1000/2 = таблица 9 1000/4 = таблица 11 1000/3 = таблица 10 1000/8 = таблица 13 | ||||||||||||||||||
| Nom. Размер | Труба O.D d1 | Фланец | Поднятая сторона |
Скреплять болтами | Сверлить | Шея | Босс | |||||||||||
| D | b | b1 | b2 | b3 | h | h1 | d4 | f | Нет. | d2 | k | d3 | h2 | r | d5 | |||
| 10 | 17,2 | 90 | 8 | 10 | 8 | 10 | 14 | 35 | 40 | 2 | M12 | 4 | 14 | 60 | 28 | 6 | 4 | 30 |
| 15 | 21,3 | 95 | 8 | 10 | 8 | 10 | 14 | 35 | 45 | 2 | M12 | 4 | 14 | 65 | 32 | 6 | 4 | 35 |
| 20 | 26,9 | 105 | 8 | 10 | 8 | 10 | 16 | 38 | 58 | 2 | M12 | 4 | 14 | 75 | 40 | 6 | 4 | 45 |
| 25 | 33,7 | 115 | 8 | 10 | 8 | 10 | 16 | 38 | 68 | 2 | M12 | 4 | 14 | 85 | 46 | 6 | 4 | 52 |
| 32 | 42,4 | 140 | 10 | 10 | 10 | 10 | 20 | 40 | 78 | 2 | M16 | 4 | 18 | 100 | 56 | 6 | 6 | 60 |
| 40 | 48,3 | 150 | 10 | 10 | 10 | 10 | 20 | 42 | 88 | 3 | M16 | 4 | 18 | 110 | 64 | 7 | 6 | 70 |
| 50 | 60,3 | 165 | 12 | 10 | 10 | 12 | 20 | 45 | 102 | 3 | M16 | 4 | 18 | 125 | 75 | 8 | 6 | 85 |
| 65 | 76,1 | 185 | 12 | 12 | 12 | 12 | 26 | 45 | 122 | 3 | M16 | 4 | 18 | 145 | 90 | 10 | 6 | 105 |
| 80 | 88,9 | 200 | 14 | 12 | 12 | 14 | 26 | 50 | 138 | 3 | M16 | 8 | 18 | 160 | 105 | 10 | 8 | 118 |
| 100 | 114,3 | 220 | 14 | 12 | 12 | 14 | 32 | 52 | 158 | 3 | M16 | 8 | 18 | 180 | 131 | 12 | 8 | 140 |
| *125 | 139,7 | 250 | 16 | 14 | 14 | 16 | 36 | 55 | 188 | 3 | M16 | 8 | 18 | 210 | 156 | 12 | 8 | 168 |
| 150 | 168,3 | 285 | 18 | 16 | 16 | 18 | 38 | 55 | 212 | 3 | M20 | 8 | 22 | 240 | 184 | 12 | 10 | 195 |
| *175 | 193,7 | 315 | 18 | 16 | - | 18 | - | 60 | 242 | 3 | M20 | 8 | 22 | 270 | 210 | 12 | 10 | - |
| 200 | 219,1 | 340 | 18 | 18 | - | 18 | - | 62 | 268 | 3 | M20 | 8 | 22 | 295 | 235 | 16 | 10 | - |
| *225 | 244,5 | 370 | 18 | 18 | - | 18 | - | 62 | 290 | 3 | M20 | 8 | 22 | 325 | 265 | 16 | 10 | - |
| 250 | 273,0 | 395 | 20 | 20 | - | 20 | - | 68 | 320 | 3 | M20 | 12 | 22 | 350 | 292 | 16 | 12 | - |
| 300 | 323,9 | 445 | 22 | 22 | - | 22 | - | 68 | 370 | 4 | M20 | 12 | 22 | 400 | 344 | 16 | 12 | - |
| 350 | 355,6 | 505 | 26 | 25 | - | 25 | - | 68 | 430 | 4 | M20 | 16 | 22 | 460 | 385 | 16 | 12 | - |
| 400 | 406,4 | 565 | 26 | 25 | - | 25 | - | 72 | 482 | 4 | M24 | 16 | 26 | 515 | 400 | 16 | 12 | - |
| 450 | 457,2 | 615 | 28 | 30 | - | 30 | - | 72 | 532 | 4 | M24 | 20 | 26 | 565 | 492 | 16 | 12 | - |
| 500 | 508,0 | 670 | 28 | 32 | - | 32 | - | 75 | 585 | 4 | M24 | 20 | 26 | 620 | 542 | 16 | 12 | - |
| 550 | 559,0 | 730 | 28 | 35 | - | 35 | - | 80 | 635 | 5 | M24 | 20 | 26 | 675 | 592 | 18 | 12 | - |
| 600 | 609,6 | 780 | 28 | 38 | - | 38 | - | 80 | 685 | 5 | M24 | 20 | 26 | 725 | 642 | 18 | 12 | - |
........


Материал
1) углерод стальное P245GH, P250GH, S235 & нержавеющая сталь SS304, SS316, SS316L
Поверхностное антиржавейное:
Поверхностное антиржавейное 1: Антиржавейное светлое масло
Поверхностные антиржавейные 2: Черное покрытие краски
Поверхностные антиржавейные 3: Желтое покрытие краски
Поверхностные антиржавейные 4: Galnavized (окунутое горячее гальванизированный или Electro гальванизированный)
Соедините сторону:
Поверхность 1: Ровный финиш
Поверхность 2: Sprial serrated
Поверхность 3: 2 или 3 пазы (водоразделы)
(Поднятое face=RF, плоское face=FF)
Термины:
1) оплата: Невозвратное L/C по предъявлении или T/T, D/P
2) условие доставки ОБМАНЫВАЕТ порт порта Китая или покупателя CIF
3) паковать: Паллет/случай переклейки

Контакт:
Администраторов по сбыту: Грейс Zhang
CO. ШТУЦЕРА ФЛАНЦА И ТРУБЫ ХЭБЭЯ XINFENG ВЫСОКОНАПОРНОЕ, LTD.
Добавьте.: Графство Mencun, город Cangzhou, провинция Хэбэя, Китай 061400
Чернь: 86 18031772015 (wechat, whatsapp)
Телефон: 86-317-6725755
Электронная почта: info4@hbxfgj.com
Skype: cangzhouzhangnan
вопросы и ответы:
1. Что ваше MOQ?
Нормально наше MOQ для каждого размера 1ton. Если вы думаете, то оно слишком много, мы может обсудить согласно вашему требованию в деталях.
2. Можете вы предложить свободный образец?
Да, мы можем обеспечить свободные образцы 150m - 200m.
3. Что ваш срок поставки?
Мы поставим в 30-45 днях
4. Можете вы принять смешанные продукты в одном контейнере?
Да, мы принимаем точно.