Фильтр 440VAC 60Hz UL 94V-0 трехфазный Rfi конторских машин
4-линия фильтры 250/440VAC 50/60Hz трехфазная EMI RFI высокой эффективности для оборудования наивысшей мощности
Описание фильтра EMC
1, расклассифицированные течения от 3 к 100A
2, высокое проведение амортизации до 300 MHz
3, оценка 440VAC напряжения тока для всемирного принятия
4, утверждения: CE, ROHS
| Деталь | Трехфазная 4-линия фильтр силы RFI |
| Номер детали | YX94G5-30A-S |
| Расклассифицированное напряжение тока | 250/440VAC, 50/60Hz |
| Равочая частота | DC к 60Hz |
| Расклассифицированные течения | °C 3~100A@40 |
| Оценка Hipot | L-L 2250VDC |
| L-N 1600VDC | |
| L/N-G 4000VDC | |
| Перегрузите настоящее: | 1.5x расклассифицировало настоящее на 1 минута, раз в час |
| Климатическая категория | -25°C~+85°C (25/85/21) |
| Конструируйте соответствие к | UL1283, CSA C22.2 No.8, |
| IEC/EN 60939, | |
| CQC GB 15288/GB 15287-2008 | |
| Воспламеняемость | UL 94V-0 |
Особенности:
Типичные применения:
Правило выставления:
YX 93 G6 - 100A - S/T/B
Я Я Я Я
Соединение случая цепи настоящее
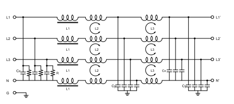
Электрическая схема:

Приводит:
| Расклассифицированное течение @40°C |
Терминал Options* |
Утечка настоящее 440V/50Hz |
Электрическая схема |
Расклассифицированное напряжение тока (v) | Равочая частота (Hz) |
|||||||||||||||||||||||||||||||
| Модель нет. | ||||||||||||||||||||||||||||||||||||
![]() |
![]() |
![]() |
||||||||||||||||||||||||||||||||||
| YX94G2-3A | 3A | Q | S | T | <5> | Fig.1 | 250/440V | 50/60Hz | ||||||||||||||||||||||||||||
| YX94G3-6A | 6A | Q | S | T | Fig.1 | |||||||||||||||||||||||||||||||
| YX94G3-10A | 10A | Q | S | T | Fig.1 | |||||||||||||||||||||||||||||||
| YX94G3-15A | 15A | Q | S | T | Fig.1 | |||||||||||||||||||||||||||||||
| YX94G5-20A | 20A | - | S | T | Fig.1 | |||||||||||||||||||||||||||||||
| YX94G5-25A | 25A | - | S | T | Fig.1 | |||||||||||||||||||||||||||||||
| YX94G5-30A | 30A | - | S | T | Fig.1 | |||||||||||||||||||||||||||||||
| YX94G4-40A | 40A | - | S | T | <10> | Fig.1 | ||||||||||||||||||||||||||||||
| YX94G4-50A | 50A | - | S | T | Fig.1 | |||||||||||||||||||||||||||||||
| YX94G4-60A | 60A | - | S | T | Fig.1 | |||||||||||||||||||||||||||||||
| YX94G4-70A | 70A | - | S | T | Fig.1 | |||||||||||||||||||||||||||||||
| YX94G4-80A | 80A | - | S | T | Fig.1 | |||||||||||||||||||||||||||||||
| YX94G4-100A | 100A | - | S | T | <20> | Fig.1 | ||||||||||||||||||||||||||||||
| YX94G6-130A | 130A | - | S | T | Fig.1 | |||||||||||||||||||||||||||||||
*Q: Быстро-на 6.35x0.8mm
s: Волочение t
винта: Терминальный блок
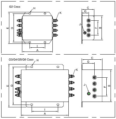
Механический размер (mm):

Таблица вносимой потери (в системе 50ohm согласно IEC/CISPR No.17)
единый режим ---------------дифференциальный режим





Наши преимущества:
1. профессиональная команда НИОКР; cUL, TUV, CQC, CE, ROSH, ISO9001certifications
2. национальные высокотехнологичные предприятия, обеспечение бренда, надежное качество, и мы имеем уместные аттестации продукта.
3. Мы сотрудничаем с верхними исследовательскими лабараториями научного исследования для того чтобы обеспечить свободную службу технической поддержки выпрямления EMC, образцы; и свободный тест кондукции.
5. технология автоматизации, продукция масштаба, большая цена, превосходная, обслуживание, быстрая доставка! Свободная замена не позднее 3 месяца, свободное обслуживание не позднее 6 лет, пожизненное обслуживание!
вопросы и ответы:
Q: Что главные продукты вашей компании?
: Фильтр EMI гнезда входа IEC, однофазный фильтр, трехфазный фильтр силы RFI, шумовой фильтр прибора дома, фильтр медицинского оборудования, EMC инвертора/конвертера фильтр, etc.
Q: Что функция вашего фильтра продукта EMC/EMI/noise?
: Функция фильтров линии электропередач фильтровать электромагнитное взаимодействие, обеспечивающ что ваше оборудование работает как следует без взаимодействия друг с другом
Q: Как насчет качестве?
: Да, наши продукты проходили UL, TUV, CE, ROHS, утверждение CQC.
Q: Сколько ПК образцов могу я купить?
: Несколько образцов свободны, вы могут купить 10-100pcs для пробного заказа.
Q: Как о сроке поставки?
: Мы гарантируем быструю доставку, 3-5days для образцов, 10-15 дней для небольших заказов, 20-25 дней для заказов серии. Она меняет для различных моделей, пожалуйста свяжется мы для деталей,
Q: Можете вы конструировать продукты?
: Да, мы можем начать новую прессформу для вас как ваше требование, пожалуйста свяжемся мы для деталей.
Q: Вы поставляете обслуживания OEM/ODM?
: Да, мы можем сделать OEM/ODM только если вы соотвествуете нашему запросу MOQ для клиентов OEM/ODM
Если вы имеете любые вопросы, то пожалуйста свяжитесь мы сразу, вы получите ответ в пределах 8hours или более менее.