Введение:
передачей давления главного клапана с небольшим изменением в размере и регулировке пилотного клапана.
Установка: горизонтальная, вертикальная установка для больше информации пожалуйста свяжется мы.
Продукт для высотного здания, дизайна многоэтажного здания, студентов используемых для того чтобы разрешить воду в реальном маштабе времени многоэтажного здания, систему водообеспечения огня, требовал подачи, высокой чувствительности, низкого акустического омического сопротивления, только назад к хорошему герметизировать влияние, требуя случая не производит молоток воды. Вместе с дизайном управления продукцией, и длинной жизнью.
Это вавле соответствующее на системе как нефть, химическая промышленность, продтовар, медицина, папемакинг, вода и электричество, доставка, трубопровод, выплавка и источники энергии етк труба направляет. Смогите сосчитать на газе, жидкости, семифлуйд так же, как твердый порошок пускают по трубам и линии электропередач и контейнер много видов корросивенесс и не-корросивенесс регулируют и запруживают реку польза оборудования. Особенно обширно находиться в высоком слое системы защиты от огня здания достигает другое для того чтобы показать в трубах и системе линий электропередач клапана государства переключателя вавле.
Параметр:


Метериал основных частей
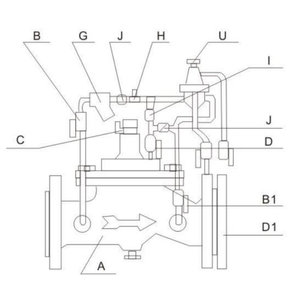
| Части | Имя | Материал |
| А | Главный клапан | Литое железо |
| Б | Вверх по течению клапана | Латунь Никеплатед |
| Б1 | Идущий дальше по потоку клапан | Латунь Никеплатед |
| К | Выпускной золотник | Латунь |
| Д | Клапан блока | Латунь Никеплатед |
| Д1 | Отверстие подачи | Нержавеющее стестел |
| Г | Фильтр | Латунь |
| Х | Игольчатый клапан | Нержавеющая сталь |
| И | Регулирование потока | Латунь |
| Дж | Задерживающие клапаны | Латунь |
| У | (КХИ200С) пилотный клапан (тип КХИ200С) | Бронз-нержавеющая сталь |
Особенности:
1. Этот клапан регулирует и поддерживает расход потока пресет максимальный независимо от выхода как в верхней части потока и идущее дальше по потоку перемен давления.
2. Этот клапан использован для того чтобы отрегулировать трубу подачи от подачи насоса или оросительной системы, главной дороги или от подачи вторичного сетевого трафика трубопровода.
Главный материал:
вопросы и ответы:
Q1. Что ваше условие оплаты?
А: Первый взнос Т/Т 30%, баланс, который нужно оплатить перед пересылкой. или Л/К.
К2: Что ваш основной рынок?
А: Западная Европа, Северная Америка, Джаньпан,
К3: Могу я получить образцы от вашей фабрики?
А: Да, образец свободен, но срочная обязанность твое.
К4: Если продукты имеют некоторую качественную проблему, то как вы общались бы с?
А: Мы будем ответственный за все качественные проблемы.
К5.Аре вы изготовитель или торговая компания?
А.Ве изготовление (литое железо) и торговая компания.
Q6. что условие оплаты?
А. Мы принимаем Т/Т, Л/К, ЗАПАДНОЕ СОЕДИНЕНИЕ
Q7. Что срок поставки?
Картине нужны 30-60 дней, потребность образца 30-50 дней.
Первая потребность заказа 60 дней
Q8. Что стандарт пакета?
Пакет А. Экспортировать стандартный или особенный пакет согласно требованию клиента.
Q9. Вы признаваете дело ОЭМ?
А. Да, мы поставщик ОЭМ.
Q10. какой вроде сертификат вы имеете?
А. Мы имеем ИСО9001, ИСО14001, ПЭД, СГС