Введение:
модулирующая лампа насоса 700С многоэтажные здания для установки насосов и другой системы водоснабжения на выход предотвратить средства массовой информации задние в задерживающих клапанах класса, когда насос около остановить только водоснабжение перед первое медленным с клапана о 90%, для предотвращения неожиданного стопа водяных помп и звук генерации молотка и молотка воды, когда насос совершенно остановил, и после этого совершенно закрыла клапан для того чтобы предотвратить насос вода назад вне и эффективная защита насосов, следующ из удар возвращенного реверсирования, продукт необходима для прибора предохранения от выхода насоса, клапан модернизированный дизайн, через клапан соленоида открытый и близкое наведение и контроль для того чтобы достигнуть точного, безопасного, надежного, и эффективного для предотвращения молотка воды и молотка воды шумят, длинная жизнь, легкое обслуживание.
Это вавле соответствующее на системе как нефть, химическая промышленность, продтовар, медицина, папемакинг, вода и электричество, доставка, трубопровод, выплавка и источники энергии етк труба направляет. Смогите сосчитать на газе, жидкости, семифлуйд так же, как твердый порошок пускают по трубам и линии электропередач и контейнер много видов корросивенесс и не-корросивенесс регулируют и запруживают реку польза оборудования. Особенно обширно находиться в высоком слое системы защиты от огня здания достигает другое для того чтобы показать в трубах и системе линий электропередач клапана государства переключателя вавле.
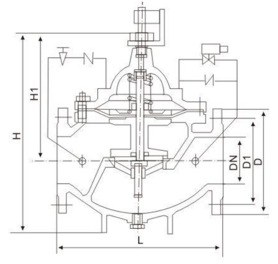
Параметр:

Основные размеры
|
ДН (мм) |
20 | 25 | 32 | 40 | 50 | 65 | 80 | 100 | 125 | 150 | 200 | 250 | 300 | 350 | 400 | 450 | 500 | 600 | 700 | 800 | |
| Л | 180 | 180 | 180 | 203 | 203 | 216 | 241 | 292 | 330 | 356 | 495 | 622 | 698 | 787 | 914 | 978 | 978 | 1295 | 1448 | 1956 | |
| 1,0 | Д | 105 | 115 | 135 | 145 | 160 | 180 | 195 | 215 | 245 | 280 | 335 | 390 | 440 | 500 | 565 | 615 | 670 | 780 | 895 | 1010 |
| Д1 | 75 | 85 | 100 | 110 | 125 | 145 | 160 | 180 | 210 | 240 | 295 | 350 | 400 | 460 | 515 | 565 | 620 | 725 | 840 | 950 | |
| 1,6 | Д | 105 | 115 | 135 | 145 | 160 | 180 | 195 | 215 | 245 | 280 | 335 | 405 | 460 | 520 | 580 | 640 | 705 | 840 | 910 | 1020 |
| Д1 | 75 | 85 | 100 | 110 | 125 | 145 | 160 | 180 | 210 | 240 | 295 | 355 | 410 | 470 | 525 | 585 | 650 | 770 | 840 | 950 | |
| 2,5 | Д | 105 | 110 | 135 | 145 | 160 | 180 | 195 | 230 | 270 | 300 | 360 | 425 | 485 | 550 | 610 | 660 | 730 | 840 | 955 | 1070 |
| Д1 | 75 | 85 | 100 | 110 | 125 | 145 | 160 | 190 | 220 | 250 | 310 | 370 | 430 | 490 | 550 | 600 | 660 | 770 | 875 | 990 | |
| Х | 342 | 342 | 342 | 395 | 395 | 405 | 430 | 510 | 560 | 585 | 675 | 730 | 760 | 840 | 910 | 1030 | 1135 | 1270 | 1460 | 1640 | |
| Х1 | 247 | 247 | 247 | 278 | 278 | 298 | 313 | 350 | 365 | 420 | 450 | 470 | 490 | 526 | 570 | 610 | 665 | 725 | 865 | 975 | |
注: 安装示意图中弹性座封闸阀或蝶阀任选, 选蝶阀 建议 >ДН350.
Примечание: Или эластичным запорную заслонку или клапан-бабочку места загерметизированные кольцом можно выбрать в схематической диаграмме установки. Порекомендовал выбрать клапан-бабочку в случае >ДН350.
Особенности:
Клапан установленный в трубопровод, используя трубку проводника, клапан соленоида дистанционного управления для того чтобы контролировать отверстие и заключение главный клапан время от времени.
Главный материал:

вопросы и ответы:
Q1. Что ваше условие оплаты?
А: Первый взнос Т/Т 30%, баланс, который нужно оплатить перед пересылкой. или Л/К.
К2: Что ваш основной рынок?
А: Западная Европа, Северная Америка, Джаньпан,
К3: Могу я получить образцы от вашей фабрики?
А: Да, образец свободен, но срочная обязанность твое.
К4: Если продукты имеют некоторую качественную проблему, то как вы общались бы с?
А: Мы будем ответственный за все качественные проблемы.
К5.Аре вы изготовитель или торговая компания?
А.Ве изготовление (литое железо) и торговая компания.
Q6. что условие оплаты?
А. Мы принимаем Т/Т, Л/К, ЗАПАДНОЕ СОЕДИНЕНИЕ
Q7. Что срок поставки?
Картине нужны 30-60 дней, потребность образца 30-50 дней.
Первая потребность заказа 60 дней
Q8. Что стандарт пакета?
Пакет А. Экспортировать стандартный или особенный пакет согласно требованию клиента.
Q9. Вы признаваете дело ОЭМ?
А. Да, мы поставщик ОЭМ.
Q10. какой вроде сертификат вы имеете?
А. Мы имеем ИСО9001, ИСО14001, ПЭД, СГС