Введение:
клапан баланса разнице в давления 800С обход для воды поставки/возвращения системы кондиционирования воздуха для того чтобы сбалансировать давление между клапаном. Этот клапан может увеличить использование системы для поддержания точной величиной постоянной давления. Система может уменьшить шум, и чрезмерное давление, повреждение к оборудованию. клапан баланса разнице в давления 800С главн к другим местам балансируя клапан нет снабжая агенства. Полагается полностью на средстве самом для того чтобы сбалансировать разницу в давления к функции системы, сохранение энергии и космос установки, умный клапан.
Это вавле соответствующее на системе как нефть, химическая промышленность, продтовар, медицина, папемакинг, вода и электричество, доставка, трубопровод, выплавка и источники энергии етк труба направляет. Смогите сосчитать на газе, жидкости, семифлуйд так же, как твердый порошок пускают по трубам и линии электропередач и контейнер много видов корросивенесс и не-корросивенесс регулируют и запруживают реку польза оборудования. Особенно обширно находиться в высоком слое системы защиты от огня здания достигает другое для того чтобы показать в трубах и системе линий электропередач клапана государства переключателя вавле.
Параметр:

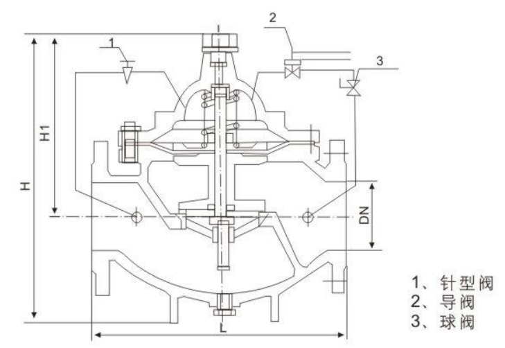
Главные размеры и вес
|
ДН (мм) |
Л | Х | Х1 | вес (кг) |
| 50 | 234 | 98 | 320 | 18 |
| 65 | 240 | 115 | 410 | 22 |
| 80 | 285 | 131 | 430 | 30 |
| 100 | 325 | 145 | 480 | 55 |
| 125 | 345 | 160 | 535 | 70 |
| 150 | 395 | 185 | 600 | 80 |
| 200 | 470 | 160 | 675 | 110 |
| 250 | 575 | 180 | 720 | 210 |
| 300 | 640 | 200 | 820 | 300 |
| 350 | 645 | 225 | 860 | 350 |
| 400 | 970 | 750 | 950 | 380 |
Главный материал:

вопросы и ответы:
Q1. Что ваше условие оплаты?
А: Первый взнос Т/Т 30%, баланс, который нужно оплатить перед пересылкой. или Л/К.
К2: Что ваш основной рынок?
А: Западная Европа, Северная Америка, Джаньпан,
К3: Могу я получить образцы от вашей фабрики?
А: Да, образец свободен, но срочная обязанность твое.
К4: Если продукты имеют некоторую качественную проблему, то как вы общались бы с?
А: Мы будем ответственный за все качественные проблемы.
К5.Аре вы изготовитель или торговая компания?
А.Ве изготовление (литое железо) и торговая компания.
Q6. что условие оплаты?
А. Мы принимаем Т/Т, Л/К, ЗАПАДНОЕ СОЕДИНЕНИЕ
Q7. Что срок поставки?
Картине нужны 30-60 дней, потребность образца 30-50 дней.
Первая потребность заказа 60 дней
Q8. Что стандарт пакета?
Пакет А. Экспортировать стандартный или особенный пакет согласно требованию клиента.
Q9. Вы признаваете дело ОЭМ?
А. Да, мы поставщик ОЭМ.
Q10. какой вроде сертификат вы имеете?
А. Мы имеем ИСО9001, ИСО14001, ПЭД, СГС