Введение:
Диск типа клапан-бабочки вафли установлен в направление диаметра трубы. В цилиндрическом проходе тела клапан-бабочки, в форме диск диск вращает вокруг оси, и угол вращения между 0°-90°, которое может сыграть роль регулировки подачи. Когда диск вращает до 90°, клапан достигает максимум. Степень отверстия.
Зажим-на клапан-бабочке проста в структуре, небольшой в размере и свете в весе, и состоит из только немного частей. Кроме того, он может быстро быть раскрыт и закрыт только вращая 90°, и деятельность проста, и клапан имеет хорошие жидкие пусковые характеристики.
Параметр:

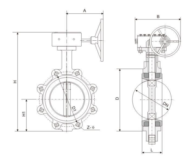
размеры и вес 主要尺寸表和重量 главные
|
ДН (мм) |
Д | Д1 | ЗСМФ | Л | Х | Х1 | А | Б |
Вес (кг) |
| 40 | 150 | 110 | 4СМ16 | 43 | 306 | 68 | 160 | 125 | 5,2 |
| 50 | 165 | 125 | 4СМ16 | 43 | 306 | 68 | 160 | 125 | 6,5 |
| 65 | 185 | 145 | 4СМ16 | 46 | 321 | 75 | 160 | 125 | 7 |
| 80 | 200 | 160 | 8СМ16 | 46 | 346 | 85 | 160 | 125 | 9 |
| 100 | 220 | 180 | 8СМ16 | 52 | 386 | 105 | 160 | 125 | 11 |
| 125 | 250 | 210 | 8СМ16 | 56 | 411 | 120 | 160 | 125 | 13 |
| 150 | 285 | 240 | 8СМ20 | 56 | 446 | 135 | 160 | 125 | 13,3 |
| 200 | 340 | 295 | 8СМ20 | 60 | 570 | 165 | 210 | 165 | 23 |
| 250 | 395 | 350 | 12СМ20 | 68 | 646 | 206 | 210 | 165 | 32 |
| 300 | 445 | 400 | 12СМ20 | 78 | 738 | 230 | 210 | 175 | 43 |
| 350 | 505 | 460 | 16СМ20 | 78 | 761 | 248 | 210 | 175 | 68 |
| 400 | 565 | 515 | 16СМ24 | 88/102 | 877 | 289 | 270 | 440 | 110 |
| 450 | 615 | 565 | 20СМ24 | 108/114 | 938 | 320 | 270 | 440 | 130 |
| 500 | 670 | 620 | 20СМ24 | 127 | 993 | 343 | 270 | 440 | 170 |
| 600 | 780 | 725 | 20СМ27 | 154 | 1131 | 413 | 300 | 535 | 290 |
Главный материал:


вопросы и ответы:
Q1. Что ваше условие оплаты?
А: Первый взнос Т/Т 30%, баланс, который нужно оплатить перед пересылкой. или Л/К.
К2: Что ваш основной рынок?
А: Западная Европа, Северная Америка, Джаньпан,
К3: Могу я получить образцы от вашей фабрики?
А: Да, образец свободен, но срочная обязанность твое.
К4: Если продукты имеют некоторую качественную проблему, то как вы общались бы с?
А: Мы будем ответственный за все качественные проблемы.
К5.Аре вы изготовитель или торговая компания?
А.Ве изготовление (литое железо) и торговая компания.
Q6. что условие оплаты?
А. Мы принимаем Т/Т, Л/К, ЗАПАДНОЕ СОЕДИНЕНИЕ
Q7. Что срок поставки?
Картине нужны 30-60 дней, потребность образца 30-50 дней.
Первая потребность заказа 60 дней
Q8. Что стандарт пакета?
Пакет А. Экспортировать стандартный или особенный пакет согласно требованию клиента.
Q9. Вы признаваете дело ОЭМ?
А. Да, мы поставщик ОЭМ.
Q10. какой вроде сертификат вы имеете?
А. Мы имеем ИСО9001, ИСО14001, ПЭД, СГС