Введение:
Вавле бабочки обессеривания для моей компании основано на настоящей отечественной системе обессеривания газообразного отхода и дизайне продуктов. Встретить слурры известняка и гипса корозии, диска и дтем польза особенные коррсион-устойчивые сплавы, места вавле используя высокую износоустойчивую резину, к большое количество ликидпартиклес в размывании мест клапана. Поэтому продукты с высоким сопротивлением анти--корозии и абрадион и высокой. Продукты объявления конструированы для надежности требованиям к потребителя, прицеленной и высокойся.
Средство для приложения золы гипса, двуокиси серы, затира слурры известки, отростчатой воды, и других агрессивных средств массовой информации.
Диск типа клапан-бабочки вафли установлен в направление диаметра трубы. В цилиндрическом проходе тела клапан-бабочки, в форме диск диск вращает вокруг оси, и угол вращения между 0°-90°, которое может сыграть роль регулировки подачи. Когда диск вращает до 90°, клапан достигает максимум. Степень отверстия.
Зажим-на клапан-бабочке проста в структуре, небольшой в размере и свете в весе, и состоит из только немного частей. Кроме того, он может быстро быть раскрыт и закрыт только вращая 90°, и деятельность проста, и клапан имеет хорошие жидкие пусковые характеристики.
данные по 性能规范 технические
| диаметр ДН 公称通径 (мм) номинальный | давление ПН 公称压力 (МПа) номинальное |
℃ 适用温度 Работая температура |
средства массовой информации 适用介质 соответствующие |
| ДН50-2200мм | 06-1.0 | -35 〜 135℃ | 石眘浆液, 石灰石浆液, 回收水, 工艺水, слурры гипса 废水, слурры известняка, повторно использовало воду, отростчатую воду, сточные воды |
主要零部件材料 Метериал основных частей
| тело 阀体 | диск 阀板 | стержень 转轴 | втулка 衬套 | место 阀座 | ||||
| имя 材料名称 |
代号 Код |
имя 材料名称 |
代号 Код |
имя 材料名称 | имя 材料名称 | имя 材料名称 |
代号 Код |
темп ℃ 适用温度 работая |
| литое железо 灰铸铁 | З | утюг покрытый 电镀球墨铸铁 дуктильный | Б1 |
不锈钢 Нержавеющая сталь 碳钢 Сталь углерода |
бронза Лубризед 润滑青铜 聚四氟乙烯 ПТФЭ |
天然胶 НР |
С1 | -20-+85 |
| утюг 球墨铸铁 дуктильный | К |
铝青铜 Алюминиевая медь |
下 |
海帕伦 Хыпалон |
С2 |
-18 〜 +135 短时 -18 〜 +149 |
||
|
铝青铜 Алюминиевая медь |
Т |
ЗГ1Кр18Ни9Ти 不锈钢 Нержавеющая сталь |
П | 乙丙橡胶 ЭПДМ | С3 |
-45-+135 短时 -50-+150 |
||
|
ЗГ1Кр13Ни9Ти 不锈钢 Нержавеющая сталь |
П |
钛钢 Титанюм сталь |
В | неопрен 氯丁橡胶 | С4 |
-7-+93 短时 -7-+107 |
||
| Нержавеющая сталь 不锈钢 КФ8М | Р | Нержавеющая сталь 不锈钢 КФ8М | Р | 丁腈橡胶 НБР | С5 |
-12-+82 短时 -12-+93 |
||
|
碳钢 Сталь углерода |
К |
碳钢 Сталь углерода |
К | резина 耐磨橡胶 износоустойчивая | С6 | -10-+50 | ||
| Нержавеющая сталь 不锈钢 КФ8М | М |
氟橡胶 ВИТОН |
С7 | -23-+150 | ||||
|
双相钢 сталь Двойн-участка |
Б5 | резина 耐热乙丙橡胶 Слышать-устойчивая | С9 | -20-+150 | ||||
| 聚四氟乙烯 ПТФЭ | Ф4 | +10-+150 | ||||||
Параметр:

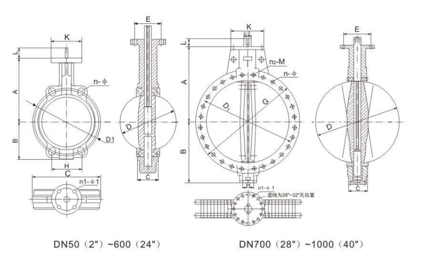
размеры и вес 主要尺寸表和重量 главные
| ДН | А | Б | К | Д | Л | Х | Д1 | н-Ф | К | Э | н1-Ф 1 |
圆轴 Ф2 |
扁轴 Ф2 |
方轴 Ф2 |
Г | н2-М |
重量 (кг) Вес |
|
| мм | дюйм | |||||||||||||||||
| 50 | 2" | 146 | 68 | 42 | 52,9 | 32 | 84,84 | 120 | 4-23 | 90 | 70 | 4-6.7 | 12,6 | 10 | 9С9 | 118 | - | 2,5 |
| 65 | 21/2" | 152 | 75 | 44,7 | 64,5 | 32 | 96,2 | 136,2 | 4-26.5 | 90 | 70 | 4-6.7 | 12,6 | 10 | 9С9 | 137 | - | 3,2 |
| 80 | 3" | 163 | 93 | 45,2 | 78,8 | 32 | 61,23 | 160 | 8-18 | 90 | 70 | 4-6.7 | 12,6 | 10 | 9С9 | 143 | - | 3,6 |
| 100 | 4" | 173 | 104 | 52,1 | 104 | 32 | 70,80 | 185 | 4-24.5 | 90 | 70 | 4-10.3 | 15,77 | 12 | 11С11 | 156 | - | 4,9 |
| 125 | 5" | 194 | 118 | 54,4 | 123,3 | 32 | 82,28 | 215 | 4-23 | 90 | 70 | 4-10.3 | 18,92 | 14 | 14С14 | 190 | - | 7 |
| 150 | 6" | 206 | 133 | 55,8 | 155,6 | 32 | 91,08 | 238 | 4-25 | 90 | 70 | 4-10.3 | 18,92 | 14 | 14С14 | 212 | - | 7,8 |
| 200 | 8" | 234 | 165 | 60,6 | 202,5 | 45 |
112,89 76,35 |
295 |
4-25 4-23 |
125 | 102 | 4-14.3 | 22,1 | 17 | 17С17 | 268 | - | 13,2 |
| 250 | 10" | 271 | 197 | 65,6 | 250,5 | 45 | 92,40 | 357 | 4-29 | 125 | 102 | 4-14.3 | 28,45 | 22 | 22С22 | 325 | - | 19,2 |
| 300 | 12" | 309 | 224 | 76,9 | 301,6 | 45 | 105,34 | 407 | 4-29 | 125 | 102 | 4-14.3 | 31,6 | 24 | 22С22 | 403 | - | 32,5 |
| 350 | 14" | 368 | 267 | 76,5 | 333,3 | 45 | 91,11 | 467 | 4-30 | 125 | 102 | 4-14.3 | 31,6 | 24 | 22С22 | 436 | - | 41,3 |
| 400 | 16. | 400 | 309 | 86,5 | 389,6 | 51,2 | 100,47 | 515 | 4-26 | 175 | 140 | 4-20.6 | 33,15 | 488 | - | 61 | ||
| 72 | 102,42 | 525 | 4-30 | |||||||||||||||
| 450 | 18" | 422 | 328 | 105,6 | 440,51 | 51,2 | 88,39 | 565 | 4-25 | 175 | 140 | 4-20.6 | 38 | 539 | - | 79 | ||
| 72 | 91,51 | 585 | 4-30 | |||||||||||||||
| 500 | 20" | 480 | 361 | 131,8 | 491,6 | 64,2 |
96,99 101,68 |
620 | 4-26 | 175 | 140 | 4-20.6 | 41,15 | 593 | - | 128 | ||
| 82 | 650 | 4-33 | ||||||||||||||||
| 600 | 24" | 562 | 459 | 152 | 592,5 | 70,2 | 113,42 | 725 | 20-30 | 210 | 165 | 4-22.2 | 50,65 | 816 | - | 188 | ||
| 82 | 120,46 | 770 | 20-36 | |||||||||||||||
| 700 | 28" | 624 | 520 | 163 | 695 | 66 | 109,65 | 840 | 24-30 | 300 | 254 | 8-18 | 63,35 | 895 | 4-М33 | 284 | ||
| 82 | 20-36 | |||||||||||||||||
| 800 | 32" | 672 | 591 | 188 | 794,7 | 66 | 124 | 950 | 24-33 | 300 | 254 | 8-18 | 63,35 | 1015 | - | 368 | ||
| 82 | 24-39 | |||||||||||||||||
| 900 | 36" | 720 | 656 | 203 | 864,7 | 118 | 117,57 | 1050 | 24-33 | 300 | 254 | 8-18 | 75 | 1115 | 4-М30 | 713 | ||
| 1000 | 40" | 800 | 721 | 216 | 965 | 142 | 129,89 | 1160 | 24-36 | 300 | 254 | 8-18 | 85 | 1230 | 4-М33 | 864 | ||
| 1200 | 48" | 941 | 844 | 276 | 1158 | 150 | 136,24 | 1380 | 28-49 | 350 | 298 | 8-22 | 105 | 1485 | 4-М45 | 1980 | ||
примечание 注:
(2") 二种压力级 型蝶阀分别适用于 ПН1.0/ПН1.6МПа 〜 ДН50 800 (32") «а», 二种压力级连接尺寸 表中每格有两个尺寸的分别表示 ПН1.0/ПН1.6МПа, 与阀门连接的管法兰连接尺寸参照法兰连接尺寸表 (图一). 堞阀上法兰可通用于手动, 蜗 轮蜗杆传动, 电动, 气动等.
和 н- 中 Д1 〜 500 表中 ДН50 (2") (20") (尺寸为堞阀本身安装定位尺寸 Дж>, 其中 ДН50 (2" 尺寸包容 ГБ9112- 88 和 н-4> 的 Д1 卜 350 (14"), 丨 Н2501 д (德国), БС4504 (英国), 丨 СО2084, ИС02531 (国际标准), БС10-Э (英国), (美国) 等法兰连接标准 АНС11259. ДН400 (16" (20") 包容 х500 ГБ9112-88, Д1Н2501, 丨 СО2084, 法兰连接标准 БС4504.
Размеры Д1 и н-Ф (2") - 500 (20") перечисленного внутри вышеуказанного шоу таблицы ДН50 размеры установки клапан-бабочки. их размеры Д1 и н-4) ДН50 (2" >-350 (14") содержит стандарт ГБ9112-88, ДИН2501 (Гермены), БС4504 (Великобритании) ИСО2084, АНСИ 125 ИС02531 (Интернатиона 1 стандарт) БС 10-Э (Великобритании) (США) для соединения фланца и ДН400 (16") - 500 (20м) содержит стандарт ГБ9112- 88, ДИН2501, ИСО2084 и Бс4504.
Главный материал:
вопросы и ответы:
Q1. Что ваше условие оплаты?
А: Первый взнос Т/Т 30%, баланс, который нужно оплатить перед пересылкой. или Л/К.
К2: Что ваш основной рынок?
А: Западная Европа, Северная Америка, Джаньпан,
К3: Могу я получить образцы от вашей фабрики?
А: Да, образец свободен, но срочная обязанность твое.
К4: Если продукты имеют некоторую качественную проблему, то как вы общались бы с?
А: Мы будем ответственный за все качественные проблемы.
К5.Аре вы изготовитель или торговая компания?
А.Ве изготовление (литое железо) и торговая компания.
Q6. что условие оплаты?
А. Мы принимаем Т/Т, Л/К, ЗАПАДНОЕ СОЕДИНЕНИЕ
Q7. Что срок поставки?
Картине нужны 30-60 дней, потребность образца 30-50 дней.
Первая потребность заказа 60 дней
Q8. Что стандарт пакета?
Пакет А. Экспортировать стандартный или особенный пакет согласно требованию клиента.
Q9. Вы признаваете дело ОЭМ?
А. Да, мы поставщик ОЭМ.
Q10. какой вроде сертификат вы имеете?
А. Мы имеем ИСО9001, ИСО14001, ПЭД, СГС