Введение:
Зажим бабочки фтора на, используя обломок 2 на комбинации вавле, диск места вавле и места и подкладки работы вавле вкладыша вавле интеграции, только пластиковый пластиковый контактирует с средствами массовой информации, продукт может выдержать любую корозию в жидком щелочном металле и элементы фтора, стержень и диск куя в целом, поверхность равномерно покрыты с слоем ФЭП. Чанньле ровного тела клапана внутреннего поверхностного, жидкого сопротивления высокого КВвальве, сильной циркуляции, умеренного вращающего момента, зеро утечки структуры 4 уплотнений и эластичного резинового места набивкой с СИ в высокотемпературном вызревании в внешней поверхности для заклеивания может достигнуть средство.
Диск типа клапан-бабочки вафли установлен в направление диаметра трубы. В цилиндрическом проходе тела клапан-бабочки, в форме диск диск вращает вокруг оси, и угол вращения между 0°-90°, которое может сыграть роль регулировки подачи. Когда диск вращает до 90°, клапан достигает максимум. Степень отверстия.
Зажим-на клапан-бабочке проста в структуре, небольшой в размере и свете в весе, и состоит из только немного частей. Кроме того, он может быстро быть раскрыт и закрыт только вращая 90°, и деятельность проста, и клапан имеет хорошие жидкие пусковые характеристики.
Параметр:

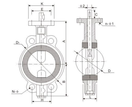
размеры и вес 主要尺寸表和重量 главные
| ДН | А | Б | Л | Д | К | Х | Д1 | Н-Ф | К | Э | н-Ф 1 | ¢2 |
重屋 Вес (кг) |
|
| мм | дюйм | |||||||||||||
| 40 | 1,5" | 130 | 73 | 41 | 52,7 | 28 | 77,8 | 110 | 4-Ф18 | 77 | 57 | 4-Ф7 | 12,7 | 3,8 |
| 50 | 2" | 130 | 73 | 41 | 52,7 | 28 | 88,38 | 125 | 4-Ф18 | 77 | 57 | 4-Ф 7 | 12,7 | 3,8 |
| 65 | 2,5" | 142 | 80 | 43 | 64,4 | 28 |
120,54 113,13 |
145 | 4-Ф18 | 77 | 57 | 4-Ф7 | 12,7 | 4,2 |
| 80 | 3" | 155 | 96 | 44,5 | 78,8 | 28 | 61,23 | 160 | 4-Ф18 | 77 | 57 | 4-Ф7 | 12,7 | 4,7 |
| 100 | 4" | 170 | 123 | 50 | 104,2 | 28 | 68,88 | 180 | 8-Ф18 | 92 | 69 | 4-Ф10.5 | 15,8 | 9,0 |
| 125 | 5" | 173 | 125 | 54 | 123,3 | 29 | 80,36 | 210 | 8-Ф18 | 92 | 69 | 4-Ф10.5 | 19,05 | 10,9 |
| 150 | 6" | 204 | 140 | 54 | 157 | 29 |
91,84 112,89 |
240 | 8-Ф18 | 92 | 69,85 | 4-Ф10.5 | 19,05 | 14,2 |
| 200 | 8" | 239 | 173 | 60 | 202,5 | 32 | 76,35 | 295 | 114 | 89 | 4-Ф14.3 | 22,22 | 18,2 | |
| 250 | 10" | 275 | 200 | 66 | 250,5 | 40 |
90,59 91,88 |
350 355 |
12-Ф23 | 115 | 89 | 4-Ф14.3 | 28,6 | 26,8 |
| 300 | 12" | 320 | 230 | 75,5 | 301,6 | 40 | — | 140 | 108 | 4-Ф14.3 | 31,8 | 40 | ||
| 350 | 14" | 368 | 267 | 76,5 | 333,3 | 40 |
89,74 91,69 |
460 470 |
16-Ф23 16-Ф26 |
140 | 108 | 4-Ф14.3 | 31,8 | 56 |
| 400 | 16" | 400 | 309 | 86,5 | 389,6 | 197 | 159 | 4-Ф20.5 | 33,3 | 96 | ||||
| 450 | 18" | 422 | 328 | 105,6 | 440,51 |
51,2 72 |
88,38 91,51 |
565 585 |
16-Ф26 16-Ф30 | 197 | 159 | 4-Ф20.5 | 38 | 122 |
| 500 | 20" | 480 | 361 | 131,8 | 491,6 | 197 | 159 | 4-Ф20.5 | 41,5 | 202 | ||||
| 600 | 24" | 562 | 459 | 152 | 592,5 | 70,2 | 113,42 | 725 | 20-Ф30 20-Ф36 | 276 | 216 | 4-Ф22.2 | 50,65 | 270 |
| 82 | 120,46 | 770 | ||||||||||||
примечания 注:
全村四氣尼龙度层无销堞阀 ДН40-ДН600мм, 二种压力等级 〜 1.6МПа 分别适用于 ПН1.0. 可根据用户需求选用手动, 蜗轮传动, 电动, 气动等连接尺寸.
Линия клапан-бабочка слоев нейлона подкладки ДН40-ДН600мм ПТФЭ оверлинг не камеди, отдельно принимает к ПН1 .0 л рангу давления .6МПа 2. Может быть чосед передача шестерни червя ручной работы, с механическим приводом, пневматическая линия измерение и так далее.
Особенности:
1. Небольшой в размере и свете в весе. Легкие инстллатион и минтенансе. Его можно установить где бы ни недед.
2. Сипле и компактная конструкция, быстрые 90 градусов включеный-выключеной деятельности.
3. Вращающий момент Миниминцед работая, энергосберегающий.
4. Превосходный антифриктион, смазывает онесельф, делающ момент силы обычное вавле более низко 40% бабочки.
5. Носк-сопротивляться хорош, (носк-сопротивляться нейлона 7 раз меди) может удлинить оне жизнь.
6. Иннокуйты, отсутствие вкуса, против грибка согласовывая с репуйре зеленое экологического.
7. Сол-сопротивляться, сод-сопротивляться, веакасид-сопротивляясь, приспособляемостьь широко.
8. Технология никакой линии соединять камеди обеспечивает надежное какое средство держит отделенный металл.
9. Цена продукта самые плохие чем нержавеющая сталь, ясность уменьшает цену инженерства.
10. Средства массовой информации Суйтбле: намочите, морская вода, различные виды газов, нефтяного продукта, вольвического, алкалиа, вещи органической химии ранга соли.
Главный материал:
вопросы и ответы:
Q1. Что ваше условие оплаты?
А: Первый взнос Т/Т 30%, баланс, который нужно оплатить перед пересылкой. или Л/К.
К2: Что ваш основной рынок?
А: Западная Европа, Северная Америка, Джаньпан,
К3: Могу я получить образцы от вашей фабрики?
А: Да, образец свободен, но срочная обязанность твое.
К4: Если продукты имеют некоторую качественную проблему, то как вы общались бы с?
А: Мы будем ответственный за все качественные проблемы.
К5.Аре вы изготовитель или торговая компания?
А.Ве изготовление (литое железо) и торговая компания.
Q6. что условие оплаты?
А. Мы принимаем Т/Т, Л/К, ЗАПАДНОЕ СОЕДИНЕНИЕ
Q7. Что срок поставки?
Картине нужны 30-60 дней, потребность образца 30-50 дней.
Первая потребность заказа 60 дней
Q8. Что стандарт пакета?
Пакет А. Экспортировать стандартный или особенный пакет согласно требованию клиента.
Q9. Вы признаваете дело ОЭМ?
А. Да, мы поставщик ОЭМ.
Q10. какой вроде сертификат вы имеете?
А. Мы имеем ИСО9001, ИСО14001, ПЭД, СГС