Введение:
Диск типа клапан-бабочки вафли установлен в направление диаметра трубы. В цилиндрическом проходе тела клапан-бабочки, в форме диск диск вращает вокруг оси, и угол вращения между 0°-90°, которое может сыграть роль регулировки подачи. Когда диск вращает до 90°, клапан достигает максимум. Степень отверстия.
Зажим-на клапан-бабочке проста в структуре, небольшой в размере и свете в весе, и состоит из только немного частей. Кроме того, он может быстро быть раскрыт и закрыт только вращая 90°, и деятельность проста, и клапан имеет хорошие жидкие пусковые характеристики.
Параметр:

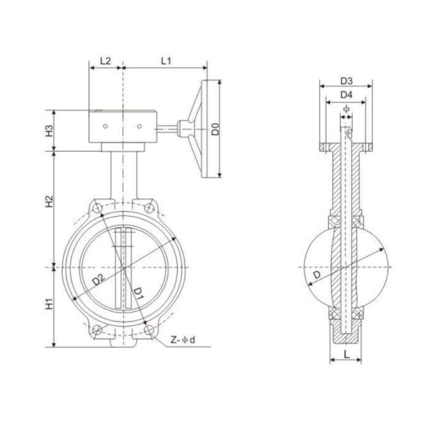
размеры основы 主要尺寸表
| ДН | Л | Л1 | Д | Д1 | Д2 | Д3 | Д4 | 4> | Х1 | Х2 | Х3 | Z- Ф д | ||
| (мм) | 1,0 | 1,6 | 1,0 | 1,6 | ||||||||||
| 50 | 42 | 160 | 52,9 | 125 | 125 | 92 | 77 | 57 | 12,6 | 70 | 147 | 60 | 4-Ф23 | 4-Ф23 |
| 65 | 44,7 | 160 | 64,5 | 145 | 145 | 110 | 77 | 57 | 12,6 | 76 | 155 | 60 | 4-Ф23 | 4-Ф23 |
| 80 | 45,2 | 160 | 78,8 | 160 | 160 | 121 | 77 | 57 | 12,6 | 92 | 164 | 60 | 8-Ф20 | 8-Ф20 |
| 100 | 52,1 | 160 | 104 | 180 | 180 | 153 | 92 | 70 | 15,78 | 106 | 175 | 60 | 4-Ф23 | 4-Ф23 |
| 125 | 54,4 | 160 | 123,3 | 210 | 210 | 176 | 92 | 70 | 18,92 | 119 | 194 | 60 | 4-Ф23 | 4-Ф 23 |
| 150 | 55,8 | 160 | 155,6 | 240 | 240 | 207 | 92 | 70 | 18,92 | 132 | 206 | 60 | 4-Ф25 | 4-Ф25 |
| 200 | 60,6 | 210 | 202,5 | 295 | 295 | 259 | 115 | 89 | 22,10 | 162 | 237 | 72 | 4-Ф25 | 4-Ф25 |
| 250 | 65,6 | 210 | 250,5 | 350 | 355 | 316 | 115 | 89 | 28,45 | 200 | 282 | 72 | 4-Ф28 | 4-Ф28 |
| 300 | 77 | 210 | 301,6 | 400 | 410 | 370 | 140 | 108 | 31,6 | 225 | 311 | 75 | 4-Ф28 | 4-Ф 28 |
| 350 | 76,5 | 210 | 333,3 | 460 | 470 | 405 | 140 | 108 | 31,6 | 263 | 335 | 75 | 4-Ф30 | 4-Ф30 |
| 400 | 86,5 | 320 | 389,6 | 515 | 525 | 470 | 197 | 159 | 33,15 | 309 | 400 | 126 | 4-Ф30 | 4-Ф30 |
| 450 | 105,6 | 320 | 440,5 | 565 | 585 | 522 | 197 | 159 | 38 | 328 | 420 | 126 | 4-Ф30 | 4-Ф30 |
| 500 | 132 | 320 | 491,6 | 620 | 650 | 566 | 197 | 159 | 41,15 | 361 | 480 | 126 | 4-Ф30 | 4-Ф33 |
| 600 | 152 | 340 | 592,5 | 725 | 770 | 693 | 276 | 216 | 50,65 | 459 | 560 | 127 | 4-Ф30 | 4-Ф36 |
| 700 | 163 | 380 | 695 | 840 | 840 | 801 | 300 | 254 | 63,5 | 520 | 624 | 167 | 24-Ф30 | 24-Ф36 |
| 800 | 188 | 380 | 794,7 | 950 | 950 | 907 | 300 | 254 | 63,5 | 590 | 680 | 167 | 24-Ф33 | 24-Ф39 |
| 900 | 203 | 400 | 864,7 | 1050 | 1050 | 1016 | 300 | 254 | 75 | 656 | 720 | 193 | 28-Ф33 | 28-Ф39 |
| 1000 | 216 | 400 | 965 | 1160 | 1170 | 1123 | 300 | 254 | 85 | 720 | 800 | 193 | 28-Ф36 | 28-Ф42 |
| 1200 | 276 | 450 | 1158 | 1380 | 1390 | 1455 | 350 | 298 | 105 | 844 | 941 | 28- Ф40 | 28-Ф49 | |
Главный материал:

вопросы и ответы:
1. Вы предлагаете свободный образец для ваших клиентов?
Да, мы можем предложить вам свободный образец.
2. Что МОК ваших продуктов?
МОК ОДИН ПК/набор.
3. Сколько времени срок поставки?
Обычно около 15 через дни после оплаты.
4. Можете вы принять ОЭМ?
Да, мы делаем подгонянный дизайн для наших клиентов.
5. Вы изготовитель с вашей собственной фабрикой?
Да, мы изготовитель на больше чем 20 лет.
6. Что ваши условия оплаты?
Мы признаваем Т/Т, Л/К, западное соединение, ПайПал, етк.