Введение:
Диск типа клапан-бабочки вафли установлен в направление диаметра трубы. В цилиндрическом проходе тела клапан-бабочки, в форме диск диск вращает вокруг оси, и угол вращения между 0°-90°, которое может сыграть роль регулировки подачи. Когда диск вращает до 90°, клапан достигает максимум. Степень отверстия. Зажим-на клапан-бабочке проста в структуре, небольшой в размере и свете в весе, и состоит из только немного частей. Кроме того, он может быстро быть раскрыт и закрыт только вращая 90°, и деятельность проста, и клапан имеет хорошие жидкие пусковые характеристики.
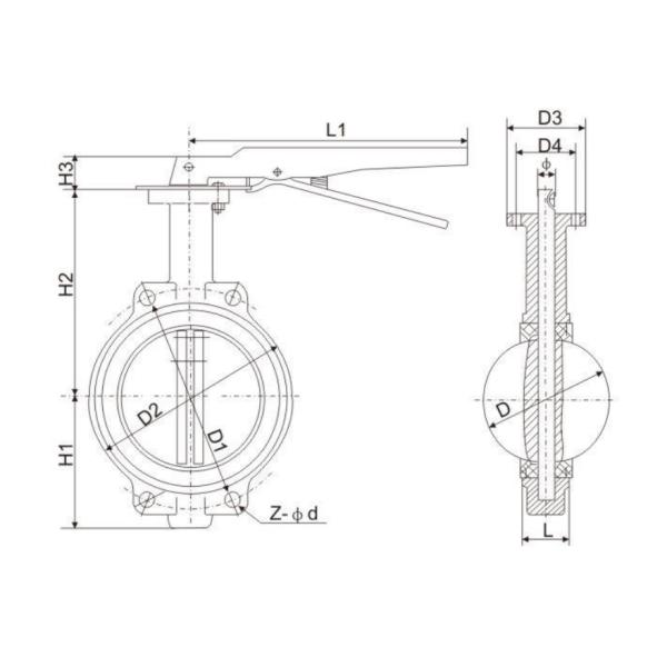
Параметр:

размеры основы 主要尺寸表
| ДН | Л | Л1 | Д | Д1 | Д2 | Д3 | Д4 | Х1 | Х2 | Х3 | Z- | |||
| (мм) | 1,0 | 1,6 | 1,0 | 1,6 | ||||||||||
| 50 | 42 | 220 | 52,9 | 125 | 125 | 92 | 77 | 57 | 12,6 | 70 | 147 | 32 | 4-4)23 | 4-4)23 |
| 65 | 44,7 | 220 | 64,5 | 145 | 145 | 110 | 77 | 57 | 12,6 | 76 | 155 | 32 | 4-4)23 | 4-4)23 |
| 80 | 45,2 | 255 | 78,8 | 160 | 160 | 121 | 77 | 57 | 12,6 | 92 | 164 | 32 | 8-4)20 | 8- 20 |
| 100 | 52,1 | 255 | 104 | 180 | 180 | 153 | 92 | 70 | 15,78 | 106 | 175 | 32 | 4-4)23 | 4-4)23 |
| 125 | 54,4 | 290 | 123,3 | 210 | 210 | 176 | 92 | 70 | 18,92 | 119 | 194 | 32 | 4-4)23 | 4-4)23 |
| 150 | 55,8 | 290 | 155,6 | 240 | 240 | 207 | 92 | 70 | 18,92 | 132 | 206 | 32 | 4-4)25 | 4-4)25 |
| 200 | 60,6 | 340 | 202,5 | 295 | 295 | 259 | 115 | 89 | 22,10 | 162 | 237 | 45 | 4 (Дж>25 | 4-¢25 |
Главный материал:
| Имя | Материал |
| Тело | АЛ-бронза нержавеющей стали стали углерода литого железа дуктильная железная |
| Диск | Дуктильная железная АЛ-бронза нержавеющей стали стали углерода |
| Вал | Нержавеющая сталь Монел К500 |
| Место |
Природный каучук Хыпалон неопрена БУНЫ НБР ЭПДМ ВИТОН ПТФЭ ХЭПДМ |

вопросы и ответы:
1. Вы предлагаете свободный образец для ваших клиентов?
Да, мы можем предложить вам свободный образец.
2. Что МОК ваших продуктов?
МОК ОДИН ПК/набор.
3. Вы изготовитель с вашей собственной фабрикой?
Да, мы изготовитель на больше чем 20 лет.
4. Что ваши условия оплаты?
Мы признаваем Т/Т, Л/К, западное соединение, ПайПал, етк.
5. Сколько времени срок поставки?
Обычно около 15 через дни после оплаты.
6. Можете вы принять ОЭМ?
Да, мы делаем подгонянный дизайн для наших клиентов.