Мотор 12V 0.4A NEMA 17 шагая с редуктором коробки передач порошковых металлургий
| Модель | Размер | Вес (g) | Настоящий/участок | Диаметр коробки передач | Диэлектрическая прочность | Температура окружающей среды: | Угол шага | Держащ вращающий момент с коробкой передач (Nm) |
| 42BYGH208-56AG5 | 42*42*58.5 mm | 345 | 0,4 | 36mm | 500V AC 1minute | -20℃-50℃ | 1,8 | 1,01 |
| 42BYGH208-57AG16 | 42*42*66.1 mm | 373 | 0,4 | 36mm | 500V AC 1minute | -20℃-50℃ | 1,8 | 2,88 |
Также, как пользы для передач в корабли, планетарные коробки передач использованы в различных индустриях для различных применений. Они предлагают высокую точность и высокий коэффициент вращающ-к-тома делая ими одетое хорошо к применениям которые включают; увеличивая вращающий момент, уменьшая скорость, точный располагать, и контролируя возпроизводимое машинное оборудование.
Электрическая спецификация
| УГОЛ ШАГА | °/STEP | 1,8 |
| РАСКЛАССИФИЦИРОВАННОЕ НАПРЯЖЕНИЕ ТОКА | V | 12 |
| ТЕЧЕНИЕ | A/PHASE | 0,4 |
| СОПРОТИВЛЕНИЕ | Ω/PHASE | 30 |
| ИНДУКТИВНОСТЬ | mH/PHASE | 42 |
| УДЕРЖАНИЕ ВРАЩАЮЩЕГО МОМЕНТА | Kg.cm | 2,5 |
| КЛАСС ИЗОЛЯЦИИ | B | |
*Products могут быть подгоняны особенным запросом.
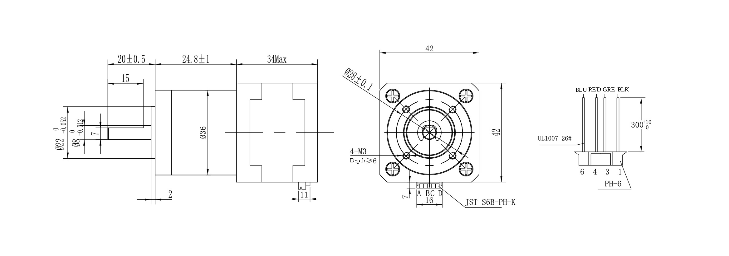
Монтажная схема


Спецификация КОРОБКИ ПЕРЕДАЧ электрическая
Из порошковых металлургий диаметра 36mm
| Расквартировывать материал | Носить на выходе | Радиальная нагрузка (10mm от фланца) n | Аксиальная нагрузка вала (n) | Сила пресс-пригонки вала максимальная (n) | Радиальная игра вала (mm) | Толкнутая игра вала (mm) | Отрицательная реакция на нулевой нагрузке (°) |
| Порошковые металлургии | подшипник рукава | ≤120 | ≤80 | ≤500 | ≤0.03 | ≤0.1 | ≤1.5 |
| Коэффициент уменьшения | Расклассифицированный вращающий момент допуска (Nm) | Максимальный мгновенный вращающий момент допуска (Nm) | Efficiency% | Длина (mm) | Вес (g) | Количество зубчатых переборов |
| 1/4 | 0,3 | 1,0 | 81% | 24,8 | 145 | 1 |
| 1/5 | ||||||
| 1/16 | 1,2 | 3,5 | 72% | 32,4 | 173 | 2 |
| 1/20 | ||||||
| 1/25 | ||||||
| 1/53 | 2,5 | 7,5 | 65% | 41,9 | 213 | 3 |
| 1/62 | ||||||
| 1/76 | ||||||
| 1/94 | ||||||
| 1/117 |
