57BYGH231-03AG6 редуктор скорости мотора коробки передач шага высокой точности 9.6V NEMA 23 планетарный
57BYGH231-03AG6 состоит из 2 мотора участка 57mm шагая и 56mm планетарной коробки передач. Расквартировывая материал коробки передач 56mm порошковая металлургия. Радиальная игра вала ≤0.03mm, и толкнутая игра вала ≤0.1. Отрицательная реакция на нулевой нагрузке ° ≤1.5.
Для того же самого количества емкости нагрузки, наша коробка передач порошковых металлургий планетарная имеет более высокую продолжительность жизни обслуживания чем традиционные коробки передач. Ключевые аспекты улучшить эффективность и надежность в любой механической системе.
Электрическая спецификация
| УГОЛ ШАГА | °/STEP | 1,8 |
| РАСКЛАССИФИЦИРОВАННОЕ НАПРЯЖЕНИЕ ТОКА | V | 9,6 |
| ТЕЧЕНИЕ | A/PHASE | 1,0 |
| СОПРОТИВЛЕНИЕ | Ω/PHASE | 9,6 |
| ИНДУКТИВНОСТЬ | mH/PHASE | 20 |
| УДЕРЖАНИЕ ВРАЩАЮЩЕГО МОМЕНТА | kg.cm | 10 |
| КЛАСС ИЗОЛЯЦИИ | B | |
*Products могут быть подгоняны особенным запросом.


Спецификация части коробки передач электрическая
Из порошковых металлургий диаметра 56mm
| Расквартировывать материал | Носить на выходе | Радиальная нагрузка (10mm от фланца) n | Аксиальная нагрузка вала (n) | Сила пресс-пригонки вала максимальная (n) | Радиальная игра вала (mm) | Толкнутая игра вала (mm) | Отрицательная реакция на нулевой нагрузке (°) |
| Порошковые металлургии | подшипник рукава | ≤450 | ≤200 | ≤1000 | ≤0.03 | ≤0.1 | ≤1.5 |
| Коэффициент уменьшения | Расклассифицированный вращающий момент допуска (Nm) | Максимальный мгновенный вращающий момент допуска (Nm) | Efficiency% |
Длина L (mm) |
Вес (g) | Количество зубчатых переборов |
| 1/4 | 2,0 | 6,0 | 81% | 41,3 | 491 | 1 |
| 1/6 | ||||||
| 1/15 | 8,0 | 25 | 72% | 59,6 | 700 | 2 |
| 1/18 | ||||||
| 1/26 | ||||||
| 1/47 | 16 |
50
|
72% | 59,6 | 700 | 2 |
| 1/66 |
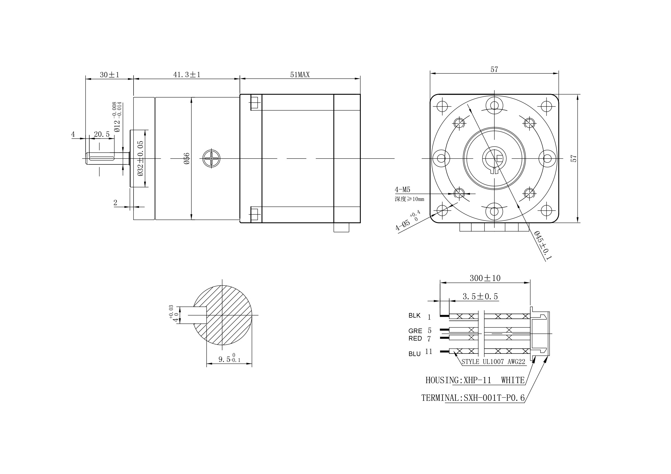
Механический размер



Путем иметь различное расположение шестерни солнца и планетарных шестерней, достиганы высокий вращающий момент выхода и широкий коэффициент скорости. Отдельно от этих, планетарные коробки передач имеют более низкую инерцию и высокую передачу вращающего момента. Весь эти ключевые аспекты которые гарантируют эффективность.
Способность точно поменять степень силы и скорости делает планетарные коробки передач соответствующий для много особенных применений как ветротурбины, двигатели внутреннего сгорания, и так далее.