Вращающий момент Stepper мотора коробки передач Nema 11 4.22V 0.67A 28YGH102-XXAG107 рентабельный высокий
Планетарные коробки передач, также известные как планетарные коробки передач, один из самых интересных типов коробок передач в контроле за движением.
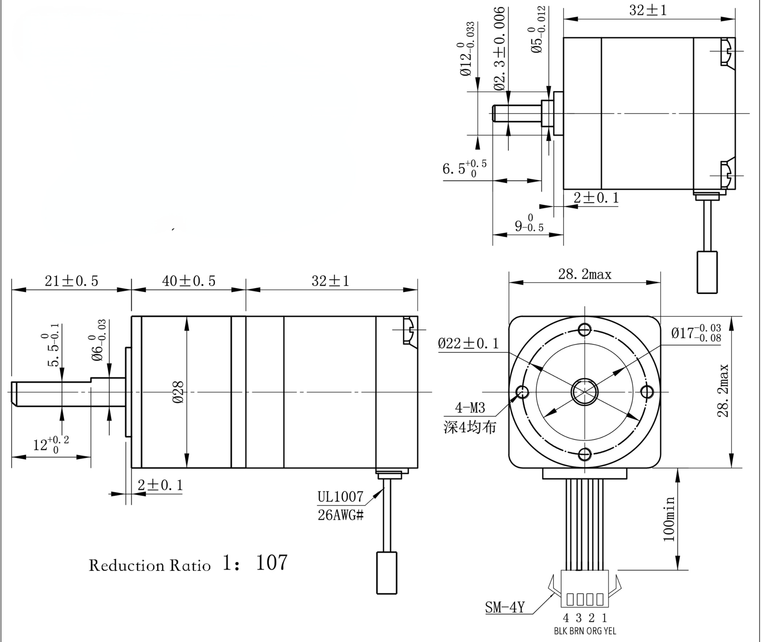
28YGH102-XXAG107 один вид микро- моторов. Своя специфика малошумный и высокий вращающий момент. Центр шестерни входного сигнала планетарной коробки передач вращает вокруг центра шестерни выхода, и выровняны вал входного сигнала и вал выхода. Это показывает что это коробка передач с такими же центрами вращения входа и выхода
Эта модель использует коробку передач порошковых металлургий 28mm, дизайн довольно сложный thou они эффективны и все еще легкий для поддержания.
Электрическая спецификация
| УГОЛ ШАГА | °/STEP | 1,8 |
| РАСКЛАССИФИЦИРОВАННОЕ НАПРЯЖЕНИЕ ТОКА | V | 4,22 |
| ТЕЧЕНИЕ | A/PHASE | 0,67 |
| СОПРОТИВЛЕНИЕ | Ω/PHASE | 6,3 |
| ИНДУКТИВНОСТЬ | mH/PHASE | 3,7 |
| УДЕРЖАНИЕ ВРАЩАЮЩЕГО МОМЕНТА | kg.cm | 6 |
| КЛАСС ИЗОЛЯЦИИ | B | |
*Products могут быть подгоняны особенным запросом.


Монтажная схема
| ЭЛЕКТРИЧЕСКАЯ ТАБЛИЦА СОЕДИНЕНИЯ | ||
| ФУНКЦИЯ | ЦВЕТ | |
| +5V | КРАСНЫЙ ЦВЕТ | UL1007 26AWG |
| ЗАЛА A | ЗЕЛЕНЫЙ ЦВЕТ | |
| ЗАЛА B | СИНЬ | |
| ЗАЛА C | БЕЛИЗНА | |
| GND | ЧЕРНОТА | |
| УЧАСТОК A | АПЕЛЬСИН | |
| УЧАСТОК B | ЖЕЛТЫЙ ЦВЕТ | |
| УЧАСТОК C | БРАУН | |
Спецификация КОРОБКИ ПЕРЕДАЧ электрическая
Из порошковых металлургий диаметра 28mm
| Расквартировывать материал | Носить на выходе | Радиальная нагрузка (10mm от фланца) n | Аксиальная нагрузка вала (n) | Сила пресс-пригонки вала максимальная (n) | Радиальная игра вала (mm) | Толкнутая игра вала (mm) | Отрицательная реакция на нулевой нагрузке (°) |
| Порошковые металлургии | подшипники рукава | ≤80 | ≤30 | ≤200 | ≤0.03 | ≤0.4 | ≤1.5 |
| Планетарные тип коробки передач 28 квадратный | ||||||
| Коэффициент уменьшения | Расклассифицированный вращающий момент допуска (Nm) | Максимальный мгновенный вращающий момент допуска (Nm) | Efficiency% |
Длина L (mm) |
Вес (g) | Количество зубчатых переборов |
| 1/3 | 0,2 | 0,6 | 81% | 28,5 | 105 | 1 |
| 1/6 | ||||||
| Планетарные тип коробки передач 28 круглый | ||||||
| Коэффициент уменьшения | Расклассифицированный вращающий момент допуска (Nm) | Максимальный мгновенный вращающий момент допуска (Nm) | Efficiency% |
Длина L (mm) |
Вес (g) | Количество зубчатых переборов |
| 1/14 | 0,5 | 1,5 | 72% | 29,8 | 92 | 1 |
| 1/30 | ||||||
| 1/64 | 1,8 | 5 | 65% | 40 | 105 | 1 |
| 1/107 | ||||||
С несколькими головками мотор шага масштаба еды


