Оптические волоконные кольца от 2 до 37Схемыиз оптических сигналов
Описание продукта:
Особенности:
| Низкая потеря вставки |
| Технология оптической передачи многоцелевой связи, нет Электромагнитная утечка и антиэлектромагнитные помехи |
| утечка и антиэлектромагнитные помехи |
| Бесконтактная передача сигнала |
| Небольшие размеры. Подходит для небольшого пространства |
Типичное применение:
Варианты:
| Количество оптических схем |
| Диапазон длины волны |
| Материал для жилья |
| Тип соединителя из волокна |
| Тип соединителя волокна ST. LC |
| Режимы установки |
Спецификации:
| Технические спецификации | |
| Тип волокна | Однообразный режим (9/125 мкм) |
| НО. схем | N≤37По запросу клиента |
| Диапазон длины волны | 780-1650 ((Default:1310& 1550 nm) |
| Потеря вставки | ≤ 4,0 дБ |
| Изменения потери вставки | ≤ ± 1 дБ |
| Возвратные потери | > 45 дБ |
| Оптический перекрестный звук | ≥ 70 дБ |
| Максимальная оптическая мощность | 25 дБм |
| Скорость вращения | 300 оборотов |
| Трудовая жизнь | ≥ 50 миллионов (300 оборотов в минуту) |
| Сила тяги | ≥ 75N |
| Рабочая температура | -40~70°C |
| Температура хранения | -45 ~ 85°C |
| Защита ((IP класс) | IP68 |
| Жилой материал | Нержавеющая сталь |
| КоннекторТип | По умолчанию:FC/PC |
| Стиль пакета | Пингтейлы на обоих концах, по умолчанию. |
| ВибрацияSТандр | MIL-STD-167-1A |
| Механический удар | MIL-STD-810G |
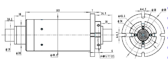
Рисунок для HF02J-FC001:


Часто задаваемые вопросы
Могут ли волоконно-оптические скользящие кольца использоваться в условиях высокой температуры?
Да, существуют волоконно-оптические скользящие кольца, предназначенные для работы в условиях высокой температуры, таких как литейные заводы или промышленные печи.Эти кольца изготовлены из материалов, которые выдерживают повышенные температуры.
Можно ли использовать волоконно-оптические скользящие кольца в взрывоопасных условиях?
Да, существуют волоконно-оптические кольца, специально предназначенные для использования в взрывоопасных условиях, таких как нефтеперерабатывающие заводы или химические заводы.Эти кольца изготовлены из взрывостойких материалов и соответствуют стандартам безопасности..
Совместимы ли волоконно-оптические кольца с другими протоколами связи?
Да, волоконно-оптические кольца могут быть совместимы с различными протоколами связи, такими как Ethernet, USB или RS-232, что позволяет интегрировать их с различными типами оборудования и систем.