Оптические кольца для одноканального оптического сигнала
Описание продукта:
Особенности:
Этот продукт представляет собой компактное микро одноканальное волоконно-оптическое скользящее кольцо с диаметром установки всего 6,8 мм, что делает его очень подходящим для использования в установках с ограниченным пространством.Если диафрагма установки рассчитана на 6.8 мм, соединитель (10 мм) не сможет пройти, поэтому соединитель может потребоваться обработать после установки.этот продукт предлагает возможность использования одномодного или многомодного волокна, с отличными оптическими характеристиками и водо- и пылестойкостью.
Типичное применение:
Варианты:
| Диапазон длины волны |
| Материал для жилья |
| Тип соединителя из волокна |
| Тип соединителя волокна ST. LC |
| Режимы установки |
Спецификации:
| Технические спецификации | |
| Диапазон длины волны | 650 ~ 1650 нм |
| Потеря вставки | ≤ 1,5 дБ |
| Изменения потери вставки | ≤ 0,7 дБ ((или ± 0,35 дБ) |
| Возвратные потери | ≥ 30 дБ |
| Потребление энергии | 23 дБм |
| Скорость вращения | ≤ 2000 вращений |
| Трудовая жизнь | 200-400 миллионов оборотов в минуту |
| Крутящий момент | ≤ 0,01 Н.м. |
| Рабочая температура | -20~60°C ((40~85°C необязательно) |
| Температура хранения | -50 ~ 85°C |
| Весы | 10 г |
| Защита ((IP класс) | IP60 |
| Стандарты по ударам и вибрациям | GJB150 наземный мобильный |
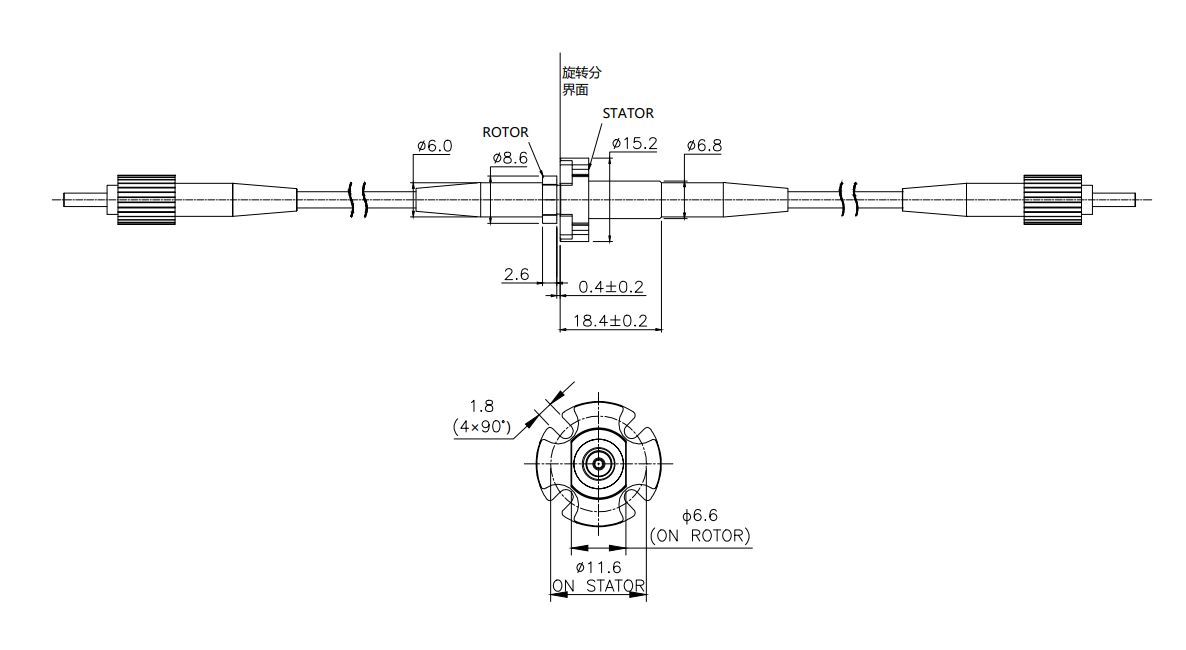
Рисунок дляHF01A-FC001:


Часто задаваемые вопросы
Что такое микро одноканальное волоконно-оптическое кольцо?
Микро-одноканальное кольцо с одноканальным оптоволоконным скольжением - это компактное устройство, предназначенное для передачи оптических сигналов между стационарными и вращающимися компонентами в приложениях с ограниченным пространством.
Каковы ключевые особенности микро одноканального волоконно-оптического кольца?
Ключевые особенности микро одноканального волоконно-оптического кольца включают его небольшие размеры с диаметром монтажа всего 6,8 мм, возможность размещения одномодных или мультимодных волокон,отличные оптические характеристики, и его водонепроницаемая и пылестойкая конструкция.
В чем применение микро одноканального волоконно-оптического скользящего кольца?
Микро одноканальное волоконно-оптическое скользящее кольцо находит применение в различных отраслях промышленности, таких как робототехника, медицинские устройства, аэрокосмическая промышленность, оборона, промышленная автоматизация и оптические сенсорные системы,где пространство ограничено, и требуется непрерывная передача оптического сигнала.