Оптические волоконные кольца, от 2 до 4Схемыиз оптических сигналов
Описание продукта:
Особенности:
| Низкая потеря вставки |
| Технология многоканальной оптической передачи, нет Электромагнитная утечка и антиэлектромагнитные помехи |
| утечка и антиэлектромагнитные помехи |
| Бесконтактная передача сигнала |
| Интерорированный FORI с электриральным скользящим кольцом |
Типичное применение:
Варианты:
| Количество оптических схем |
| Диапазон длины волны |
| Жилой материал |
| Тип соединителя из волокна |
| Тип соединителя волокна ST. LC |
| Режимы установки |
Спецификации:
| Технические спецификации | |
| Тип волокна | Однообразный режим (9/125 мкм) |
| НО. схем | N≤4 По запросу клиента |
| Диапазон длины волны | 780-1650 ((Default:1310& 1550 nm) |
| Потеря вставки | ≤ 4,0 дБ |
| Изменения потери вставки | ≤±1,0 дБ |
| Возвратные потери | ≥45 дБ |
| ОптическиеВРоссталк | ≥ 70 |
| Максимальная оптическая мощность | 25 дБм |
| Скорость вращения | 2000 оборотов |
| Трудовая жизнь | ≥ 50 миллионов (300 оборотов в минуту) |
| Сила тяги | ≥ 75N |
| Рабочая температура | -40~75°C |
| Температура хранения | -45 ~ 85°C |
| Весы | 25 г |
| Защита ((IP класс) | IP65 |
| Жилой материал | Нержавеющая сталь |
| КоннекторТип | По умолчанию:FC/PC |
| Стиль пакета | Козырьки на обоих концах, по умолчанию.o3.0 мм, 1,0 метра в длину |
| ВибрацияSТандр | MIL-STD-167-1A |
| МеханическиеSлопатка | MIL-STD-810G |
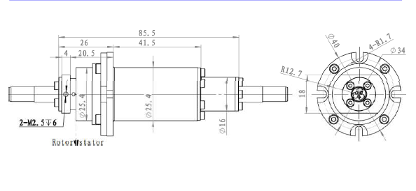
Рисунок для HF02F-FC001:


Часто задаваемые вопросы
Можно ли использовать волоконно-оптические скользящие кольца в взрывоопасных условиях?
Да, существуют волоконно-оптические кольца, специально предназначенные для использования в взрывоопасных условиях, таких как нефтеперерабатывающие заводы или химические заводы.Эти кольца изготовлены из взрывостойких материалов и соответствуют стандартам безопасности..
Совместимы ли волоконно-оптические кольца с другими протоколами связи?
Да, волоконно-оптические кольца могут быть совместимы с различными протоколами связи, такими как Ethernet, USB или RS-232, что позволяет интегрировать их с различными типами оборудования и систем.
Могут ли оптические кольца передавать аналоговые сигналы?
Да, волоконно-оптические кольца могут передавать аналоговые сигналы, такие как аудио- или видеосигналы.