Оптические кольца для одноканального оптического сигнала
Описание продукта:
Особенности:
Типичное применение:
Варианты:
| Диапазон длины волны |
| Материал для жилья |
| Тип соединителя из волокна |
| Тип соединителя волокна ST. LC |
| Режимы установки |
Спецификации:
| Технические спецификации | |
| Тип волокна | Однообразный режим (9/125 мкм) |
| НО. схем | 1 |
| Диапазон длины волны | 780-1650 ((Default:1310& 1550 nm) |
| Потеря вставки | ≤ 3,0 дБ |
| Изменения потери вставки | ≤ ± 0,25 дБ |
| Возвратные потери | > 40 дБ |
| Оптический перекрестный звук | - |
| Максимальная оптическая мощность | 25 дБм |
| Скорость вращения | 2000 оборотов |
| Трудовая жизнь | ≥ 200 миллионов (300 оборотов в минуту) |
| Сила тяги | ≥ 75N |
| Рабочая температура | -40~80°C |
| Температура хранения | -45 ~ 85°C |
| Весы | 25 г |
| Защита ((IP класс) | IP61 |
| Жилой материал | Нержавеющая сталь SUS304 |
| КоннекторТип | По умолчанию:FC/PC |
| Стиль пакета | Фланц FC/PC |
| ВибрацияSТандр | MIL-STD-167-1A |
| Механический удар | MIL-STD-810G |
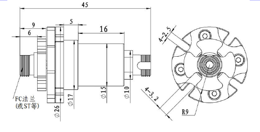
Рисунок дляHF01Е-FC001:


Часто задаваемые вопросы
Какова максимальная скорость вращения волоконно-оптических скользящих колец?
Максимальная скорость вращения волоконно-оптических скользящих колец может варьироваться в зависимости от конкретной модели,но они предназначены для работы с высокими скоростями от нескольких сотен до десятков тысяч оборотов в минуту (RPM).
Могут ли волоконно-оптические кольца передавать энергию?
Нет, волоконно-оптические кольца предназначены в первую очередь для передачи оптических сигналов.Трансмиссия энергии обычно обрабатывается отдельно с помощью электрических сдвижных колец или других методов передачи энергии.
Нужно ли смазывать кольца с волоконно-оптическими скольжениями?
Нет, волоконно-оптические скользящие кольца не требуют смазки, поскольку они используют бесконтактные методы передачи, такие как воздушные отверстия или волоконно-оптические вращающиеся соединения, которые исключают необходимость смазки.