СИД регулятора температуры 0.5%FS AI208X PID показывает одно топление сигнала тревоги выхода петли/охлаждая контроль AC/DC 100~240V
1. Особенности и преимущества регулятора температуры AI208X цифрового:
a). Легкая деятельность, модель экономики.
b). Умный расплывчатый алгоритм PID с автоматическ-настраивая функцией.
c). Одн-пресса для того чтобы войти автоматическ-настраивая государство, высчитывает самое лучшее контролируя государство автоматически.
d). 1 функция сигнала тревоги свободно-установки петли.
e). Нагревая контроль, управление компрессора охлаждая, топлени-охлаждая контроль для винта штрангпресса.
трубка пользы f) интегрированная цифровая.
2. Модельная спецификация:

3. Технические данные:
Параметр:
| Тариф образца | 2 раза в секунду |
| Емкость реле | Жизнь AC 250V /3A расклассифицированных времен load>100,000 |
| Электропитание | AC/DC 100 | 240V (85-265V) |
| Расход энергии | < 6VA=""> |
| Окружающая среда | Крытая польза только, температура: 0~50℃ отсутствие конденсации, humidity<85%RH, высоты<2000m> |
| Окружающая среда хранения | -10 | 60℃, отсутствие конденсации |
| Выход SSR | Напряжение тока ИМПа ульс DC 24V, нагрузка<30ma> |
| Импеданс изоляции | Входной сигнал, выход, сила ПРОТИВ крышки >20MΩ метра |
| ESD | IEC/EN61000-4-2 perf контакта ±4KV /Air ±8KV. Критерии b |
| Traip ИМПа ульс противоинтерференционное | Perf IEC/EN61000-4-4 ±2KV. Критерии b |
| Невосприимчивость пульсации | Perf IEC/EN61000-4-5 ±2KV. Критерии b |
| Падение напряжения тока & короткая невосприимчивость перерыва | IEC/EN61000-4-29 0% | perf 70%. Критерии b |
| Напряжение тока изоляции | Сигнал ввода, выход, сила: 1500VAC 1min, <60v low="" voltage="" circuit:="" DC500V=""> |
| Полный вес | О 400g |
| Материал крышки | Рамка PC/ABS раковины и панели (класс UL94V-0 пламени) |
| Материал панели | ЛЮБИМЕЦ (F150/F200) |
| Память отказа источника питания | 10 лет, времена сочинительства: 1 миллион времен |
| Уровень предохранения от панели | IP65 (IEC60529) |
| Норма бесопасности | Категория перенапряжения IEC61010-1Ⅱ, уровень 2 загрязнения, ровное Ⅱ (увеличенная изоляция) |
Спецификация измеряя таблицы сигнала:

4. Размер:

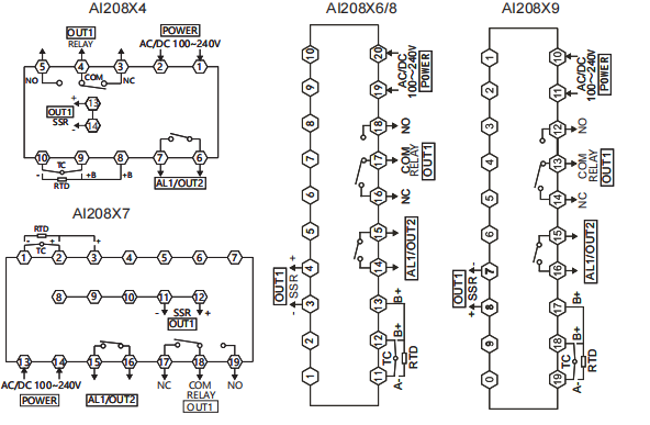
5. Соединения:

6. Контакт:
Продажи: bassy shi
Сотовый телефон: +86 13773069136
Электронная почта: bassy.shi@youjiazhineng.com