

Особенности башни:
1. HAK33 серии электроинструмента NC башня является прямым приводом двигателя, и скорость вращения диска быстрый и стабильный;
2. вал электроинструмента приводится в действие спиральными шестернями, высокий момент переноса и надежность;
3.Он указывает и позиционирует с точной трехчленной зубной сцепкой, гидравлическим блокирующим устройством, высокой точностью позиционирования;
4.Коннектор основы электроинструмента соответствует стандарту DIN1809.
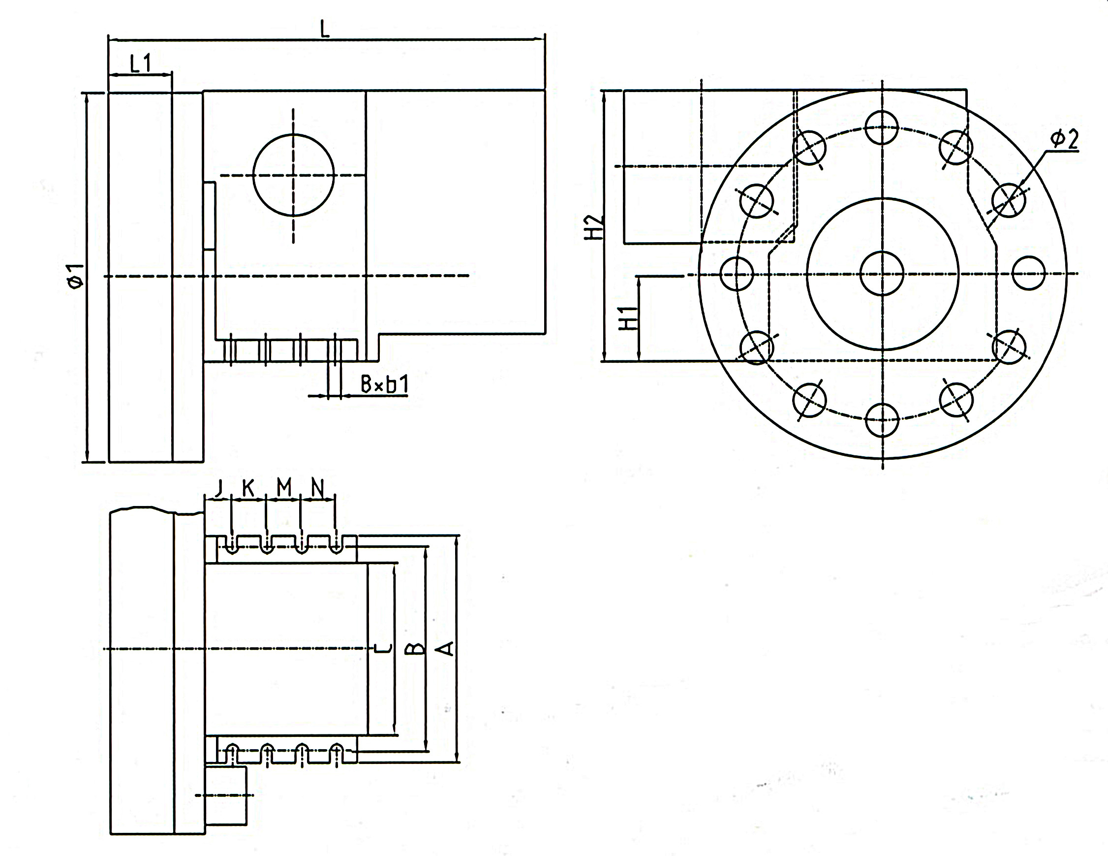
Технические данные
| Модель/данные |
Высота центра (мм) |
Номер станции |
Точность повторения (") |
Время смены инструмента (ов) | Мощность двигателя башни (кВт) | |
| HAK33080-BMT55 | 80 | 8 | 12 | ±2 | 0.3 | 35 |
| HAK33100-BMT65 | 100 | 8 | 12 | ±2 | 0.35 | 89 |


| Модель | А. | В. | В | D | Е | H | Я... | К |
| HAK33080-BMT55 | 135 | 100 | 112.5 | 32 | 32 | 80 | 217 | 95 |
| HAK33100-BMT65 | 155 | 110 | 136 | 40 | 30 | 100 | 256 | 104 |
| Модель | М | N | П | S | T | У | b | h1 |
| HAK33080-BMT55 | 561 | 80 | 387 | 330 | 190 | 50 | 17 | 10 |
| HAK33100-BMT65 | 628 | 95 | 447 | 380 | 220 | 55 | 20 | 10 |


Lingman Machinery Technology (Changzhou) Co., Ltd. является предприятием, специализирующимся на исследованиях, разработке, производстве и продаже всех видов силовых приборов для лазерных режущих машин.пневматические штурвалы, электрические цилиндры, гидравлические цилиндры, цифровые цилиндры, силовые цилиндры, гидравлические цилиндры, коллеты, цилиндрический стол с индексацией CNC, держатели инструментов, стойки, коробки передач, редукторы скорости,Сварные машины лазерные и другие принадлежности для станков-инструментовКомпания создаст производственную базу площадью 6000 квадратных метров.Компания имеет профессиональную техническую команду по исследованиям и разработкам и инновационные возможности разработки исследований и разработок., а также профессиональную команду по продажам и полный послепродажный процесс для защиты прав и интересов каждого клиента.


