

1. Описание
Горизонтальная башня NC модели HAK31 серии использует принцип работы червя для вождения, 3-линейную сцепку передач в качестве мелкого индексационного механизма, большой винт для зажимания, передачу сигнала с блоком Холла.Он имеет индексацию без слишком держателя диска подъема, стабильное вращение, низкий уровень шума, высокая жесткость, многостанции, встроенное охлаждение. Это идеальный выбор для обработки сложных деталей.
2. Параметры производительности
| технические | ||||||
| модель башни | HAK31063 | HAK31080 | HAK31100 | HAK31125 | HAK31160 | |
| Я его. | единица | Численное значение | ||||
| Высота центра | мм | 63 | 80 | 100 | 125 | 160 |
| Номер станции | N | 6/8 | 6/8 | 6/8 | 6/8 | 6/8 |
| Подшипник груза (включая диск) | В кг | 27 | 40 | 80 | 120 | 200 |
| Макс.тангенциальный момент | N.m. | 600 | 1000 | 1500 | 2500 | 4000 |
| Максимальный момент отгрузки | N.m. | 7 | 15 | 40 | 60 | 120 |
| Время изменения сопутствующего инструмента | S | 2.6/2.8 | 2.8/3.0 | 3.6/3.8 | 40,042 | 4.3/4.5 |
| Точность повторения | “ | ±2 | ±2 | ±2 | ±2 | ±2 |
| Мощность двигателя | W | 120 | 120 | 4 Н.м. | 4 Н.м. | 6 Н.м. |
| Номинальное напряжение двигателя | V | 380 | 380 | 380 | 380 | 380 |
| N.W. ((без инструментального диска) | В кг | 45 | 60 | 75 | 130 | 300 |
| Спецификации и аксессуары башни | ||||||
| Размер диска 6T | мм | 230 | 260 | 300 | 340 | 460 |
| Размер диска 8T | мм | 230 | 260 | 300 | 340 | 460 |
| О.Д. инструмент | мм | 20 | 25 | 25 | 25/32 | 32/40 |
| Ориентированный инструмент | мм | 20 | 25 | 25 | 25/32 | 32/40 |
| Скучный инструмент | мм | 25 | 32 | 40 | 40 | 50 |
| Примечание: Нестандартные головки резака, такие как VDI и BMT, могут быть настроены на заказ, а охлаждающий рот переднего держателя инструментов находится в противоположном положении, указанном | ||||||
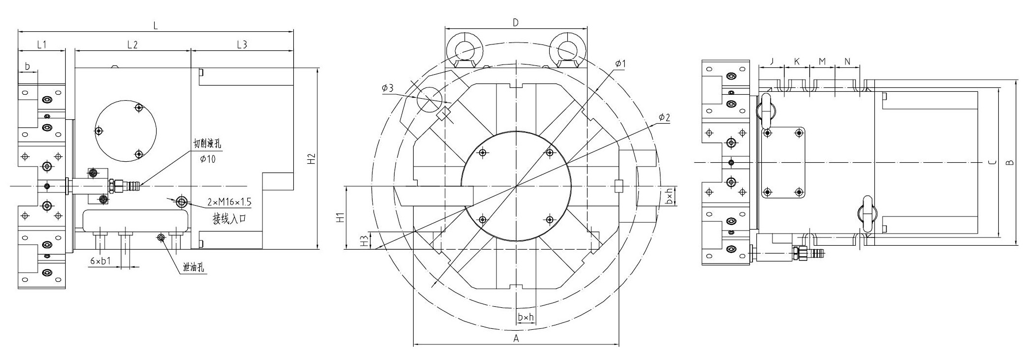
- Что?3.Размеры

5Производственная линия



6Наша служба.
1Мы являемся прямой фабрикой с хорошей ценой и быстрым сроком поставки.
2Профессиональная команда дизайнеров будет работать с вами.
3Профессиональная команда контроля качества гарантирует высокое качество.
4Предоставление услуг OEM и ODM.
7. Часто задаваемые вопросы
Вопрос: Какие параметры мы должны предложить нам для правильной котировки?
A: Применение, размеры, количество, требования к упаковке.
Вопрос: Каковы ваши преимущества?
Ответ: Честный бизнес с конкурентоспособной ценой и профессиональным обслуживанием процесса экспорта.
В: Мы можем посетить вашу компанию, чтобы проверить продукцию перед доставкой?
О: Вы можете посетить нашу компанию, чтобы проверить нас и нашу продукцию.
Вопрос: Сколько у вас сроков?
О: В течение 15-35 дней после подтверждения заказа.
Вопрос: Каковы ваши условия оплаты?
О: T/T, L/C, West Union, Paypal и т.д.
Исследуйте международный рынок, взаимовыгодное сотрудничество!