

1. Описание
1. Силовой инструментарий серии HAK39 NC башня приводится в действие сервомотором, скорость вращения диска быстрая и стабильная;
2. Имеет указатель и позицию с точным трехместным зубным сцеплением, гидравлическое блокировочное устройство, высокая точность позиционирования;
3. Волокно электроинструмента приводится спиральными шестернями, высокий момент переноса и высокая надежность,4.Подсоединитель основания электроинструмента соответствует стандарту DIN1809.
2. Параметры производительности
| технические | |||||
| модель башни | HAK3070 | HAK39080 | HAK38100 | HAK38125 | |
| Я его. | единица | Численное значение | |||
| Высота центра | мм | 70 | 80 | 100 | 125 |
| Номер станции | N | 12 | 12 | 12 | 12 |
| Макс.тангенциальный момент | N.m. | 1800 | 3200 | 6000 | 12500 |
| Максимальный момент отгрузки | N.m. | 15 | 20 | 40 | 60 |
| Тип держателя | БМТ | 40 | 45/55 | 55/65 | 55/65 |
| Максимальная скорость привода инструмента | RPM | 5000 | 5000 | 5000 | 4000 |
| соотношение передачи | Я | 1 | 1 | 1 | 1 |
| Номинальная мощность двигателя башни | КВт | 0.6 | 0.75 | 0.75 | 1 |
| Номинальная скорость двигателя башни | RPM | 3000 | 3000 | 3000 | 2000 |
| Номинальное напряжение двигателя башни | V | 220 | 220 | 220 | 220 |
| Соотношение передачи башни | Я | 48 | 48 | 48 | 60 |
| Время изменения сопутствующего инструмента | S | 0.32 | 0.35 | 0.35 | 0.55 |
| Максимальное время индексации положения инструмента | S | 0.56 | 0.65 | 0.65 | 0.8 |
| Время освобождения/замыкания диска | S | 0.2 | 0.24 | 0.26 | 0.28 |
| Гидравлическое давление | МпА | 3.0-3.5 | 3.0-3.5 | 3.0-3.5 | 3.0-4.0 |
| Точность повторения | " | ±2 | ±2 | ±2 | ±2 |
| N.W. ((без инструментального диска) | В кг | 100 | 125 | 135 | 148 |
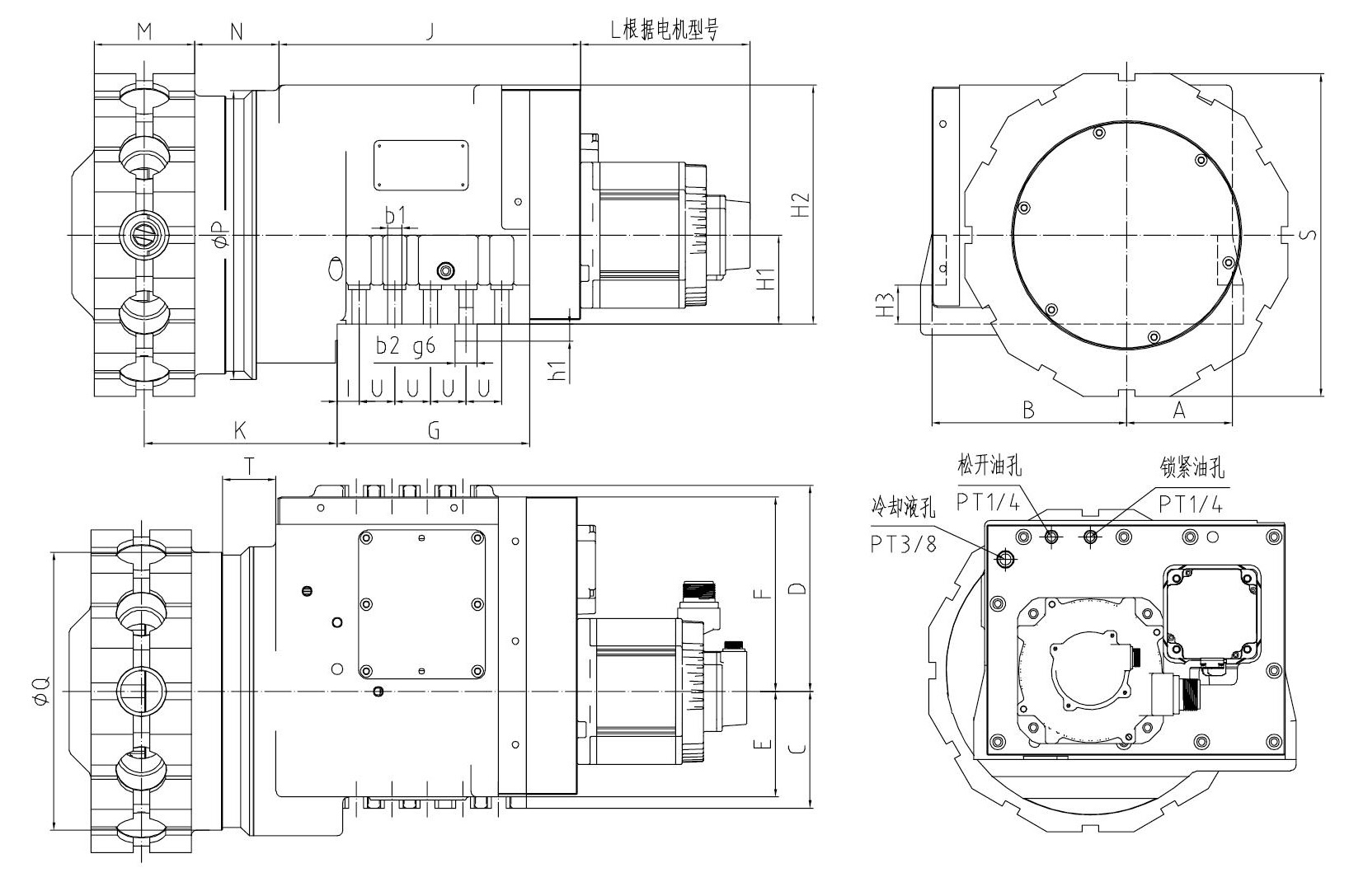
3.Размеры


5Производственная линия



6Наша служба.
1Мы являемся прямой фабрикой с хорошей ценой и быстрым сроком поставки.
2Профессиональная команда дизайнеров будет работать с вами.
3Профессиональная команда контроля качества гарантирует высокое качество.
4Предоставление услуг OEM и ODM.
7. Часто задаваемые вопросы
Вопрос: Какие параметры мы должны предложить нам для правильной котировки?
A: Применение, размеры, количество, требования к упаковке.
Вопрос: Каковы ваши преимущества?
Ответ: Честный бизнес с конкурентоспособной ценой и профессиональным обслуживанием процесса экспорта.
В: Мы можем посетить вашу компанию, чтобы проверить продукцию перед доставкой?
О: Вы можете посетить нашу компанию, чтобы проверить нас и нашу продукцию.
Вопрос: Сколько у вас сроков?
О: В течение 15-35 дней после подтверждения заказа.
Вопрос: Каковы ваши условия оплаты?
О: T/T, L/C, West Union, Paypal и т.д.
Исследуйте международный рынок, взаимовыгодное сотрудничество!