

1. Описание
2. Параметры производительности
| Модель/Данные | Высота центра (мм) |
Номер станции | Точность повторяемости (((") | Время соседних Изменение инструментов |
Мощность двигателя от башни ((Kw) |
Макс.крутящий момент резки для силовой головки ((N·m) |
Максимальная скорость скорость мощности ((rpm) |
Гидравлические давление ((Mpa) |
Поток ((L/мин) | |
| HAK33080-BMT55 | 80 | 8 | 12 | ±2 | 0.3 | 35 | 19 | 4500 | 3.0-3.5 | 10 |
| HAK33100-BMT65 | 100 | 8 | 12 | ±2 | 0.35 | 89 | 28 | 4500 | 3.5-4.0 | 15 |
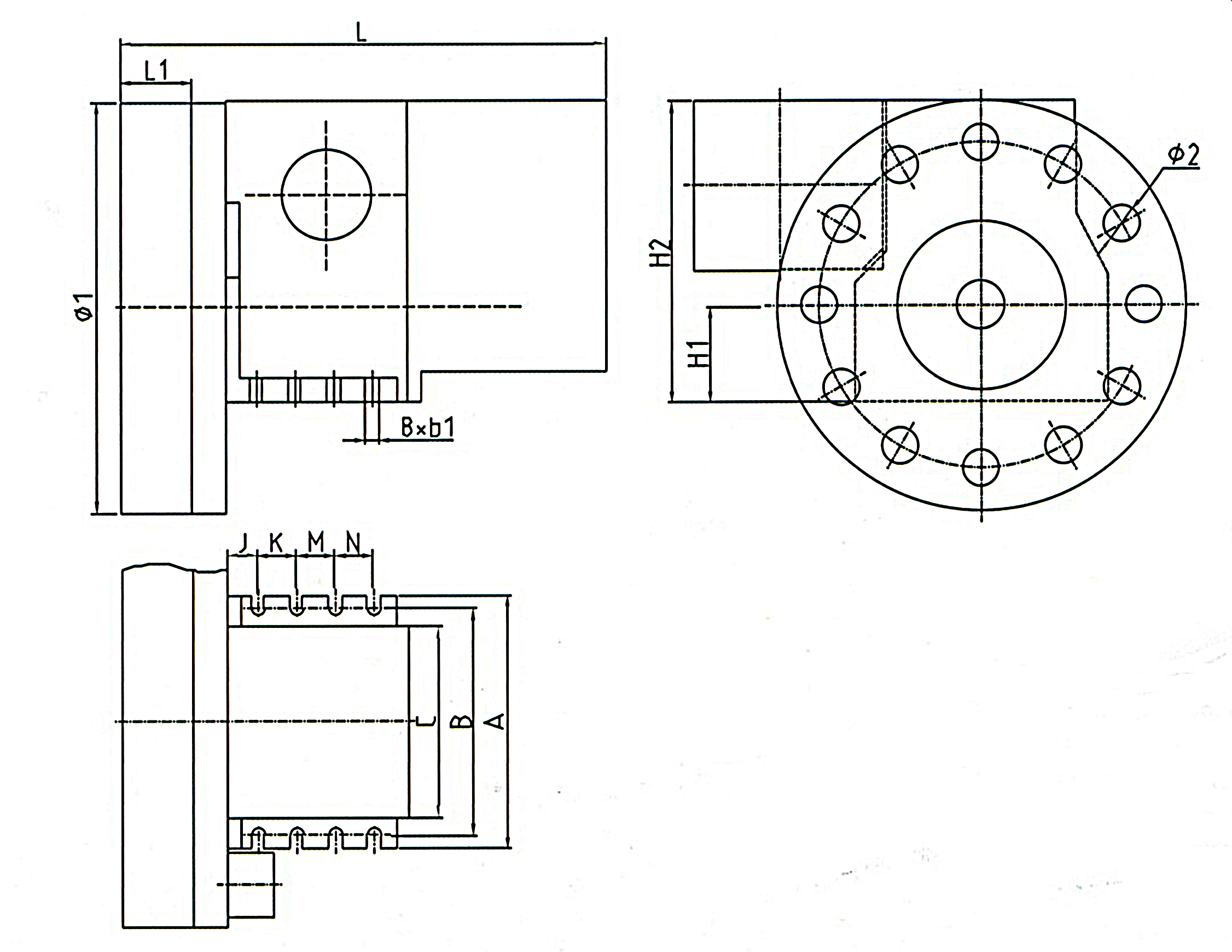
- Что?3.Размеры

5Производственная линия



6Наша служба.
1Мы являемся прямой фабрикой с хорошей ценой и быстрым сроком поставки.
2Профессиональная команда дизайнеров будет работать с вами.
3Профессиональная команда контроля качества гарантирует высокое качество.
4Предоставление услуг OEM и ODM.
7. Часто задаваемые вопросы
Вопрос: Какие параметры мы должны предложить нам для правильной котировки?
A: Применение, размеры, количество, требования к упаковке.
Вопрос: Каковы ваши преимущества?
Ответ: Честный бизнес с конкурентоспособной ценой и профессиональным обслуживанием процесса экспорта.
В: Мы можем посетить вашу компанию, чтобы проверить продукцию перед доставкой?
О: Вы можете посетить нашу компанию, чтобы проверить нас и нашу продукцию.
Вопрос: Сколько у вас сроков?
О: В течение 15-35 дней после подтверждения заказа.
Вопрос: Каковы ваши условия оплаты?
О: T/T, L/C, West Union, Paypal и т.д.
Исследуйте международный рынок, взаимовыгодное сотрудничество!