X этап оси ручной линейный, ручная станция PT-SD103P смещения
Сравненный с электрической таблицей перевода, таблица ручного перевода главным образом изменяет управляя часть на колесо руки, извлекает контрольную часть, и сразу использует руку искусственно для того чтобы контролировать свое точное смещение. Из-за своих простого привода и гибкого пользования, ручная таблица смещения также широко использована в различных случаях где смещение точности необходимо без на-линии режима автоматического управления.
Характеристики продукта
Ведущий брус для пар ласточкиного хвоста, величины наибольшей допускаемой нагрузки на опору.
Регулировка смещения управляется правителем винтовой зубчатой передачи.
Большой маховичок на обоих вращениях сторон, гибких и светлых, маховичке может быть расширенн согласно потребностям пользователя.
Верньерное чтение, регулирует количество.
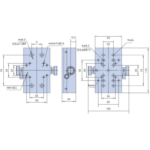
Отверстия установки со стандартным дистанционированием распределены на таблице и основании для легких установки и комбинации.
Его можно составить многомерного шкафа регулировки или многомерной регулировки с другими продуктами серии.
Параметры продукта:
|
Номер деталя |
PT-SD103P |
|
Ряд перемещения |
75mm |
|
Тип привода |
Коническое колесо & шкаф |
|
Проводник перемещения |
Ласточкин хвост |
|
Платформа |
× 65mm 110mm |
|
Параллелизм |
50μm |
|
Прямота |
30μm |
|
Управлять параллелизмом |
40μm |
|
Минимальный масштаб |
0.02mm |
|
Позиционноцикловая точность |
0.02mm |
|
Минимум регулирует расстояние |
10μm |
|
Засмолка |
80" |
|
Проводить разворот по курсу |
60 ″ |
|
Материал – финиш |
Алюминиевый Черно-анодированный сплав - |
|
Емкость нагрузки |
20Kgs |
|
Вес |
0.85kgs |
Карта размера продукта
