штепсельной вилки третьего поколения входа держателя панели 5P 125A IP67 номер детали 1983 водостойкой промышленной прямой
Описание:
Соединители IEC 60309-2 произведены в много конструированных вариантов, так, что штепсельную вилку одного типа можно только ввести в гнездо такого же типа. Различные настоящие оценки (как 16 a, 32 a, 63 a и 125 a) различены различными диаметрами кругового снабжения жилищем.
Номер детали 1983
Параметр метода:
| Настоящий | Поляки | 110V 50a.60Hz | 230V 50a.60Hz | 400V 50a.60Hz | 500V 50a.60Hz | >50-500V 100-300Hz | >50-500V a.300-500Hz | Блок пакета | Вес |
| 3P 4P 5P 4h 4h 4h | 3P 4P 5P 6h 9h 9h | 3P 4P 5P 9h 6h 6h | 3P 4P 5P 7h 7h 7h | 3P 4P 5P 10h 10h 10h | 3P 4P 5P 2h 2h 2h | PCS/BOX | G/PC | ||
| 125A | 3 | 3665 | 5 | 890 | |||||
| 4 | 3413 | 3583 | 3600 | 5 | 1005 | ||||
| 5 | 1983 | 5 | 1130 |
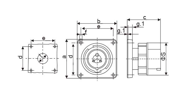
| Настоящий | Поляки | a | b | c | d | e | f | g | g.1 | l | s | ||||
| 125A | 3 | 130 | 130 | 112 | 104 | 104 | 6,5 | 18 | 2 | 95 | 132 | ||||
| 4 | 130 | 130 | 112 | 104 | 104 | 6,5 | 18 | 2 | 95 | 132 | |||||
| 5 | 130 | 130 | 112 | 104 | 104 | 6,5 | 18 | 2 | 95 | 132 | |||||
| Минута площади поперечного сечения проводника (² mm) к Макс 25-35 | |||||||||||||||
Размер продукта:
